Модульные редукционные клапаны HG-031(033, 034), KG-031(033, 034), JPG-211 и JPG-311
  
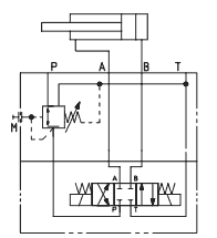
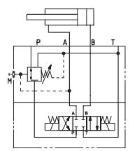
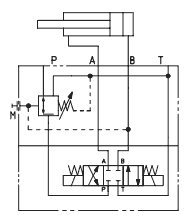
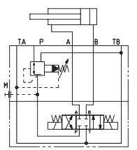
	 Редукционные гидроклапаны HG, KG, JPG золотникового типа предназначены для поддержания (понижения) давления в гидросистеме на заданном уровне.
 
Клапаны рассчитаны для работы с минеральными маслами или синтетическими жидкостями, обладающими сходными смазывающими характеристиками.
- Клапаны HG-031, HG-033, HG-034 - 3 -х линейные клапаны прямого действия, Ду=6 мм;
- Клапаны KG-031, KG-033, KG-034 - двухкаскадные 3-х линейные клапаны, Ду=10 мм;
- Клапаны JPG-211 - двухкаскадные 3-х линейные клапаны, Ду=16 мм;
- Клапаны JPG-311 - двухкаскадные 3-х линейные клапаны, Ду=25 мм
	      В базовой модели регулирование давления осуществляется путём ослабления контргайки вращения регулировочного винта (4). По заказу возможна поставка версии с регулировочной рукояткой (5).
	      Вращение по часовой стрелке увеличивает давление.
Монтажная поверхность клапана выполнена в соответствии с ISO 4401.
1 Основные характеристики модульных клапанов HG, KG, JPG
| Положение при монтаже | Любое. Замечание: JPG не может совместно работать с распределителями, имеющими устройство гидроцентрирования золотника (/M), т. к. JPG не имеет дренажного канала L | 
| Характеристика стыковочной поверхности | Шерохова тость Ra=0,4, неплоскостность 0,01 /100 (ISO 1101) | 
| Температура окружающей среды | от -20°С до + 70°С. | 
| Рабочая жидкость | Гидравлическое масло по DIN 51524...535 ; другие типы жидкостей см. раздел [ 2 ] | 
| Рекомендуемая вязкость | 15÷100 сСт при 40°С (ISO VG 15÷100) | 
| Класс чистоты рабочей жидкости | ISO 19/16, достигается при тонкости фильтрации 25 мкм и рекомендуемом β≥75 | 
| Температура рабочей жидкости | от -20°С до +60°С (стандартные и /WG уплотнения); от -20°С до +80° (уплотнения /РЕ) | 
Клапаны HG-031/* (6мм) и KG-031/* (10мм) могут устанавливаться вместо:
- Клапаны HG-031/*/V ⇒ клапаны редукционные КРМ-6/3 В1(В2, В3, В4), МКРМ-6/3М
- Клапаны HG-031/*/VS ⇒ клапаны редукционные КРМ-6/3 Р1(Р2, Р3, Р4), МКРМ-6/3М
- Клапаны KG-031/*/V ⇒ клапаны редукционные МКРВ-10/3М, МКРМ-10/3М
2 Код обозначения гидроклапанов HG, KG, JPG-2 и JPG-3
3 Гидравлические характеристики модульных клапанов
|  Клапан редукционный HG-031 (HG-031/32, HG-031/50 и т.д.) |  Клапан редукционный HG-033 (HG-033/50, HG-033/75 и т.д.) |  Клапан редукционный HG-034 (HG-034/100, HG-034/210 и т.д.) |  Клапан редукционный JPG-211 (JPG-211/100, JPG-211/210) | 
|  Клапан редукционный KG-031 (KG-031/100, KG-031/210 и т.д.) |  Клапан редукционный KG-033 (KG-033/100, kG-033/210 и т.д.) |  Клапан редукционный KG-034 (KG-034/100, KG-034/210 и т.д.) |  Клапан редукционный JPG-311 (JPG-311/100, JPG-311/210) | 
| Модель клапана | Клапан HG-031/32 HG-033/32 HG-034/32 | Клапан HG-031/50 HG-033/50 HG-034/50 | Клапан HG-031/75 HG-033/75 HG-034/75 | Клапан HG-031/100 HG-033/100 HG-034/100 | Клапан HG-031/210 HG-033/210 HG-034/210 | Клапан KG-031/100 KG-033/100 KG-034/100 | Клапан KG-031/210 KG-033/210 KG-034/210 | Клапан JPG-211/100 | Клапан JPG-211/210 | Клапан JPG-311/100 | Клапан JPG-311/210 | 
| Макс. расход (л/мин) | 50 | 100 | 250 | 300 | |||||||
| Диапазон давлений (бар) | 3 ÷ 32 | 2 ÷ 50 | 10 ÷75 | 20 ÷100 | 50 ÷ 210 | 7 ÷100 | 8 ÷ 210 | 6 ÷ 100 | 70÷ 210 | 6 ÷ 100 | 70÷ 210 | 
| Макс. входное давление (бар) | 350 | 315 | 315 | 315 | |||||||
| Макс. входное давление в канале Т (бар) | 160 | 160 | 160 | 160 | |||||||
 4    Графики Q/ΔP для различных вариантов золотников
  (минеральное масло ISO VG 46 при 50°C)
| Графики для клапанов HG-03* (Ду = 6 мм)
			 1 = зависимость изменения регулируемого давления от расхода: 2 = зависимость изменения перепада давлений от расхода между входным и рабочим каналом 
  |   | 
| Графики для клапанов KG-03* (Ду = 10 мм)
			 1 = зависимость изменения регулируемого давления от расхода: 2 = зависимость изменения перепада давлений от расхода между входным и рабочим каналом 
  |   | 
| Графики для клапанов JPG-211 (Ду = 16 мм)1 = зависимость изменения регулируемого давления от расхода между входным и рабочим каналом 2 = зависимость изменения перепада давлений от расхода между рабочим и разгрузочным каналом |   | 
| Графики для клапанов JPG-311 (Ду = 25 мм)1 = зависимость изменения регулируемого давления от расхода между входным и рабочим каналом 2 = зависимость изменения перепада давлений от расхода между рабочим и разгрузочным каналом |   | 
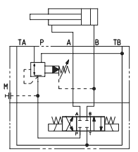
5 Размеры гидроклапанов HG-031/100 (32, 50, 75, 210) / V(VS), HG-033/50 (32, 75, 100, 210) / V(VS) HG-034/210 (32, 50, 75, 100) / V(VS)
| Крепление: 4 винта М5 с внутренним шестигранником. Длина зависит от количества и типа установленных модульных элементов.   | ||
| Регулирующее устройство для опции /V   |   
 Монтажная поверхность | Регулирующее устройство для опции /VS   | 
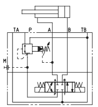
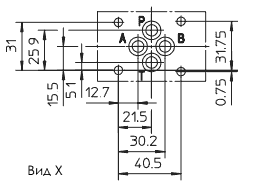
6 Размеры гидроклапанов KG-031/100(210)/V, KG-033/210(100)/V, KG-034/100(210)/V
| Крепление: 4 винта М6 с внутренним шестигранником. Длина зависит от количества и типа установленных модульных элементов.   | |
| Регулирующее устройство для опции /V   |   
 Монтажная поверхность | 
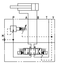
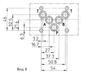
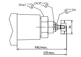
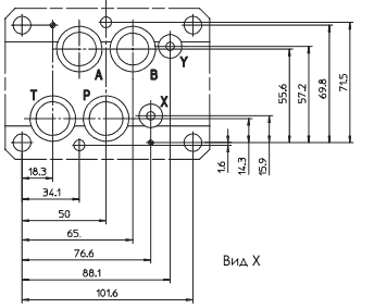
7 Размеры гидроклапанов JPG-211/100 / V, JPG-211/210 / V
| Крепление: 4 винта М10 и 2 винта М6 с внутренним шестигранником. Длина зависит от количества и типа установленных модульных элементов   | |
| Регулирующее устройство для опции /V   |   
 Монтажная поверхность | 
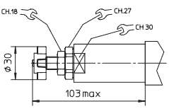
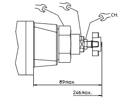
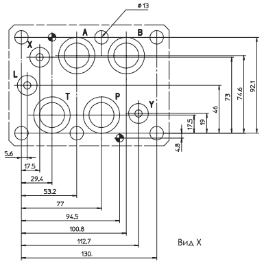
8 Размеры гидроклапанов JPG-311/100 / V, JPG-311/210 / V
| Крепление: 6 винтов М12 с внутренним шестигранником. Длина зависит от количества и типа установленных модульных элементов.   | |
| Регулирующее устройство для опции /V   |   
 Монтажная поверхность | 
