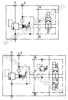
Конструкция предохранительных клапанов AGAM-10/11-...-I и AGAM-20/.../V
Предохранительные клапаны AGAM непрямого действия с уравновешенным запорным элементом предназначены для защиты от перегрузки, поддрежания на заданной величине давления и дистанционной разгрузки гидравлических систем прессов, станкови другого оборудования с гидравлическим приводом.
В стандартном исполнении давление, управляющее запорным элементом (1)основного каскада (2) регулируется с помощью винта, закрытого защитным колпачком (3) в корпусе клапна (4).
По заказу возможно исполнение, в котором настройка давления изменяется при помощи винта с ручкой (5) вместо винта под ключ с защитным колпачком.
Клапан AGAM может быть снабжен разгружающим электромагнитным клапаном (6) (для нормально открытых или нормально закрытых клапанов).
Монтажная поверхность: ISO 6264 размеры 10, 20 и 32. Максимальный расход: 200, 400, и 600 л/мин соответственно. Давление до 350 атм.
1 Структура условного обозначения
|
2 Гидравлические характеристики предохранительных клапанов AGAM
AGAM
|
AGAM-**/10![]() AGAM-**/20 |
AGAM-**/11![]() AGAM-**/21 |
AGAM-**/22![]() AGAM-**/32 |
||||||||||||
|
|||||||||||||||
3 Основные характеристики направляющих распределителей с ручным и механическим управлением
| Монтажное положение/ориентация | Любое |
| Параметры стыковочной поверхности | Шероховатость Ra 0.4, неплоскостность 0.01/100 (ISO 1101) |
| Температура окружающей среды | от -20°C до + 70°C |
| Рабочая жидкость | Гидравлическое масло по DIN 51524...535; по остальным жидкостям см. раздел [ 1 ] |
| Рекомендуемая вязкость |
15÷100 сСт при 40ºС (ISO VG 15÷100) |
| Класс чистоты рабочей жидкости | ISO 19/16, достигается при тонкости фильтрации 25 мкм при рекомендуемом показателе β ≥ 75) |
| Температура рабочей жидкости | T ≤ 80°C, при T ≥ 60°C выберите исполнение уплотнений /PE |
4 Характеристики: Регулируемое давление - Расход
|
5 Характеристики: Минимальное давление - Расход
|
6 Разъемы по DIN 43650 для клапанов AGAM с электромагнитным клапаном
*** Разъемы заказываются отдельно
| Обозначение разъема | Функция |
| Разъем SP-666 | Разъем IP-65 для подключения к источнику питания напрямую |
| Разъем SP-667 | Как и SP-666 разъем по IP-65, но со встроенным индикатором напряжения для подключения к источнику питания напрямую |
7 Электрические характеристики клапанов AGAM с электромагнитным клапаном
|
Тип электромагнита |
Напряжение питания от внешнего источника (1) (2) |
Тип раъёма |
Потребляемая мощность (4) |
Код запасной катушки (6) |
Цвет метки катушки |
(1) Bоминальное отклонение напряжения ±10%. (2) Возможны исполнения на другие напряжения питания. (3) К'атушки могут работать при частоте тока 60 Гц, при этом снижаются характеристики на 10-15% и потребляемая мощность составляет 55 ВА. (4) Ориентировочные показатели полученные при испытаниях в нормальных условиях при температуре окружающей среды и катушки 20°C. (5) При включении электромагнита величина скачка тока в три раза превышает величину тока удержания, при этом потребляемая мощность возрастает до 150 ВА. (6) Класс защиты H; продолжительность включения 100%. Степень защиты разъема: IP 65. |
|
| OI | Постоянный ток |
6DC 12DC 24DC 48DC |
SP-666 или SP-667 |
33 Вт |
SP-COU-6DC /80 SP-COU-12DC /80 SP-COU-24DC /80 SP-COU-48DC /80 |
коричневый зеленый красный серебристый |
|
| Переменный ток |
110/50 AC (3) 120/60 AC 230/80 AC (3) 230/60 AC |
SP-666 или SP-667 |
60 ВА (5) |
SP-COI-110/50/60AC /80 SP-COI-120/60AC /80 SP-COI-230/50/60AC /80 SP-COI-230/60AC /80 |
желтый белый голубой серебристый |
||
7 Электрические характеристики клапанов AGAM с электромагнитным клапаном
|
Размеры клапана предохранительного AGAM-10
|
AGAM-10/10**-IX AGAM-10/11**-IX ![]() AGAM-10/22**-IX |
AGAM-10 /20**-IX AGAM-10 /21**-IX) ![]() AGAM-10 /32**-IX |
|
Размеры клапана предохранительного AGAM-20
|
AGAM-20 /10**-IX AGAM-20 /11**-IX ![]() AGAM-20 /22**-IX |
AGAM-20/20**-IX AGAM-20/21**-IX) ![]() AGAM-20/32**-IX |
|
Размеры клапана предохранительного AGAM-32
|
AGAM-32 /10**-IX AGAM-32 /11**-IX ![]() AGAM-32 /22**-IX |
AGAM-32 /20**-IX AGAM-32/21**-IX) ![]() AGAM-32/32**-IX |
7 Монтажные плиты
| Тип клапана | Модель плиты | Расположение каналов | Присоединение |
Диаметр каналов мм |
Масса кг |
||||
| P | T | X | P | T | X | ||||
| Клапан AGAM-10 | Плита BA-306 | Каналы P, T, X снизу | G 1/2" | G 3/4" | G 1/4" | 30 | 36,5 | 21,5 | 1,5 |
| Клапан AGAM-20 | Плита BA-406 | G 3/4" | G 3/4" | G 1/4" | 36,5 | 36,5 | 21,5 | 3,5 | |
| Плита BA-506 | G 1" | G 1" | G 1/4" | 46 | 46 | 21,5 | 3,5 | ||
| Клапан AGAM-32 | Плита BA-706 | G 1 1/2" | G 1 1/2" | G 1/4" | 63,5 | 63,5 | 21,5 | 6,0 | |
Монтажные плиты поставляются с винтами крепления









