Описание пневмораспределителей В63-1А; В63-2А; В63-3А
Пневмораспределители В63-13А, В63-14А, В63-15А, В63-23А, В63-24А, В63-25А по ТУ2-053-1633—83 с резьбовым присоединением к пневмолиниям, четырехлинейные двухпозиционные с пневматическим одно- и двухсторонним управлением, пружинным или пневматическим возвратом, предназначены для изменения потоков сжатого воздуха в пневмоприводах различного назначения.В качестве распределительного органа используется плоский притертый золотник 1 (см. рисунок ниже), связанный с поршнем 2, размещенным в корпусе 3. Корпус с двух сторон закрыт крышками 4. Золотник прижат к основанию 5, в котором выполнены каналы для прохода сжатого воздуха.
Перемещение поршня, а вместе с ним и золотника, из одного крайнего положения в другое пневмораспределителей с двусторонним пневматическим управлением типа В63-13А, В63-14А, В63-15А (см. рисунок ниже, схему под буквой "а") осуществляется при подаче давления управления поочередно под торцы поршня через каналы (12) или (14). В одном из крайних положений золотника канал питания (1) сообщается с выходным каналом (2), а выходной канал (4) отсечен от канала питания и сообщается с атмосферным каналом (3). В другом крайнем положении золотника канал питания (1) сообщается с выходным каналом (4), а выходной канал (2) — с атмосферным каналом (3).
В пневмораспределителях с односторонним пневматическим управлением типа В63-23А, В64-24А, В64-25А (см. рисунок ниже, схему под буквой "б") при подаче давления питания в канал (1) сжатый воздух через сверления в поршне проходит в полость а и, воздействуя на дополнительный плунжер 6, перемещает поршень в положение, показанное на рисунке. В другое крайнее положение поршень перемещается при подаче давления управления в канал (14). При снятии управляющего сигнала поршень возвращается в исходное положение.
В пневмораспределителях с односторонним пневматическим управлением типа В63-33А, В64-34А, В64-35А возврат поршня в исходное положение осуществляется механическим усилием возвратной пружины.
Конструкция и принцип работы пневмораспределителей В63 с пневмоуправлением
Основные характеристики пневмораспределителей В63-13А, В63-14А, В63-15А, В63-25А, В63-33А, В63-34А
|
Параметр |
Нормы для типоразмеров |
|||||
|
В63-13А |
В63-14А |
В63-33А |
В63-34А |
В63-15А |
В63-25А |
|
|
Условный проход, мм |
10 |
16 |
10 |
16 |
20 |
20 |
|
Присоединение к пневмолиниям |
Резьбовое |
|||||
|
Параметры резьбового присоединения |
K 3/8" |
K 1/2" |
K 3/8" |
K 1/2" |
K 3/4" |
K 3/4" |
|
Номинальное / минимальное давление, МПа |
0,63 / 0,25 |
|||||
|
Минимальное давление управления, МПа, не более |
0,16 |
0,16 |
0,25 |
0,25 |
0,16 |
0,1+ 0,5Рпит |
|
Пропускная способность Кv, м³/мин, не менее |
1,9 |
2,8 |
1,9 |
2,8 |
5,0 |
5,0 |
|
Максимальное число срабатываний в минуту |
250 |
|||||
|
Полный 90%-ный ресурс не менее, циклов |
10 000 000 |
|||||
|
90%-ная наработка распределителя до отказа не менее, циклов |
2 500 000 |
|||||
|
Масса, кг |
1,45 |
1,45 |
1,4 |
1,4 |
2,5 |
2,5 |
Распределители В63-13А, В63-14А, В63-15А, В63-25А, В63-33А, В63-34А работают на сжатом воздухе, очищенном не грубее 10 класса загрязненности по ГОСТ 17433—80 и содержащем распыленное масло.
Структура условного обозначения пневмораспределителей В63
|
1 |
- |
2 |
3 |
4 |
5 |
|
В63 |
1 |
3А |
УХЛ |
4 |
| 1 | Тип устройства |
В63 - Пневмораспределитель с пневматическим управлением |
| 2 | Способ управления |
1 - двухстороннее управление; 2 - одностороннее управление и пневматический возврат; 3 - одностороннее управление и пружинный возврат |
| 3 | Условный проход |
3 - 10мм 4 - 16мм 5 - 20мм |
| 4 | Климатическое исполнение по ГОСТ 15150 | УХЛ, О |
| 5 | Категория размещения по ГОСТ 15150 | 4 |
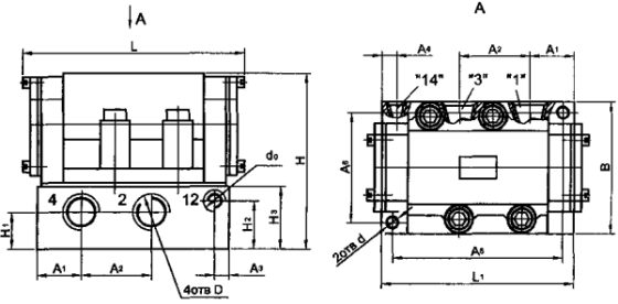
Габаритные и присоединительные размеры пневмораспределителей В63 (резьбовое присоединение)
|
Обозначение |
D |
do |
A1 |
A2 |
A3 |
A4 |
A5 |
A6 |
d |
B |
H |
H1 |
H2 |
H3 |
L |
L1 |
|
В63-13А |
K3/8" |
K1/8" |
23,5 |
38 |
8 |
8 |
91 |
59 |
7 |
72 |
89,5 |
14,5 |
20,5 |
28,5 |
122 |
104 |
|
В63-14А |
К1/2" |
К1/8" |
23,5 |
38 |
8 |
8 |
91 |
59 |
7 |
72 |
89,5 |
14,5 |
20,5 |
28,5 |
122 |
104 |
|
В63-15А |
К3/4" |
К1/8" |
27,5 |
50 |
9,5 |
9,5 |
117 |
77 |
9 |
90 |
109 |
19 |
30 |
38 |
145 |
130 |
|
В63-25А |
К3/4" |
К1/8" |
27,5 |
50 |
- |
9,5 |
117 |
77 |
9 |
90 |
1095 |
19 |
30 |
38 |
145 |
130 |
|
В63-33А |
К3/8" |
К1/8" |
23,5 |
38 |
- |
8 |
91 |
59 |
7 |
72 |
89,5 |
14,5 |
20,5 |
28,5 |
122 |
104 |
|
К1/2" |
К1/8" |
23,5 |
38 |
- |
8 |
91 |
59 |
7 |
72 |
89,5 |
14,5 |
20,5 |
28,5 |
122 |
104 |
Пример записи условного обозначения распределителя четырехлинейного, с пневматическим односторонним управлением и пружинным возвратом, условным проходом 16 мм с резьбовым присоединением пневмолиний, климатического исполнения УХЛ, категории размещения 4:
В63-34А УХЛ4 ТУ2-053-1633-83;
То же, с пневматическим двусторонним управлением, условным проходом 20 мм с резьбовым присоединением пневмолиний, климатического исполнения О, категории размещения 4:
В63-15А О4 ТУ2-053-1633-83.
