|   | Описание пневмораспределителей 3A120-M5, 3A120-06, 3A220-06, 3A220-08, 3A320-08, 3A320-10, 3A420-15Пневмораспределители 3A120-M5, 3A120-06, 3A220-06, 3A220-08, 3A320-08, 3A320-10, 3A420-15 являются 3-линейными двухпозиционными (3/2) пневматическими распределителями с двухсторонним пневмоуправлением. Данные клапаны применяются в различного рода пневматическим приводах и служат для управления направлением потоков рабочей среды пневмосистемы (сжатый воздух), её пуском и остановом. Управление потоками воздуха осуществляется за счёт перемещения в корпусе пневмораспределителя золотника, форма которого зависит от габарита и схемы распределения. Золотник, в зависимости от своего положения в корпусе, перекрывает или открывает доступ сжатого воздуха по внутренним каналам пневмораспределителя в ту или иную линию. Уточнить актуальную цену и заказать распределители воздуха 3A120-M5, 3A120-06, 3A220-06, 3A220-08, 3A320-08, 3A320-10, 3A420-15 можно в ПКФ "ТАУРУС", отправив запрос на электронную почту info@tau-rus.com или связавшись с нами по телефону +7 (8482) 44-00-64. | 
| Структура условного обозначения пневматических распределителей 3A120-M5, 3A120-06, 3A220-06, 3A220-08, 3A320-08, 3A320-10, 3A420-15
 | Перейти к подробному описанию:
 | ||||||||||||||||||||||||||||||||||||||||||||||||||||||||||||||||||||||||
| Характеристики распределителей воздуха 3A120-M5, 3A120-06, 3A220-06, 3A220-08, 3A320-08, 3A320-10, 3A420-15
 
				 Примечание: | ||||||||||||||||||||||||||||||||||||||||||||||||||||||||||||||||||||||||||||||||||||||||||||||||||||||||
Устройство и принцип работы пневмораспределителей 3A120-M5, 3A120-06, 3A220-06, 3A220-08, 3A320-08, 3A320-10, 3A420-15
| 
				 1. Золотник |   | Пневмораспределители 3A120-M5, 3A120-06, 3A220-06, 3A220-08, 3A320-08, 3A320-10, 3A420-15 состоят из корпуса 2 c пилотной частью 6, которые соединены винтом 8. Внутри пилотного клапана расположен поршень 5 с компенсационным кольцом 4 и уплотнительным кольцом 7, который при подаче давления в пилотную линию приводит в движение золотник 1 с уплотнительными кольцами 3 и перемещает его в другую позицию, изменяя тем самым схему распределения потоков воздуха. | 
Пневмораспределители 3A120-M5, 3A120-06
|  Пневмораспределитель 3A120-06  Схема работы 3A120-M5, 3A120-06 | Пневмораспределители 3A120-M5, 3A120-06 - трехлинейные двухпозиционные (3/2) пневмораспределители с двухсторонним пневмоуправлением. С устройством, принципом работы и характеристиками данных моделей вы можете ознакомиться на этой странице в таблицах выше. | |||||||||||||||||||||||||||||||||||||||||||||||||||||||||
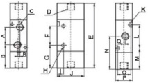
| Габаритные и присоединительные размеры 3A120-M5, 3A120-06  
 | ||||||||||||||||||||||||||||||||||||||||||||||||||||||||||
| Расходные характеристики 3A120-M5, 3A120-06
 | ||||||||||||||||||||||||||||||||||||||||||||||||||||||||||
Пневмораспределители 3A220-06, 3A220-08
|  Пневмораспределитель 3A220-08  Схема работы 3A220-06, 3A220-08 | Пневмораспределители 3A220-06, 3A220-08 - трехлинейные двухпозиционные (3/2) пневмораспределители с двухсторонним пневмоуправлением. С устройством, принципом работы и характеристиками данных моделей вы можете ознакомиться на этой странице в таблицах выше. | ||||
| Габаритные и присоединительные размеры 3A220-06, 3A220-08  | |||||
| Расходные характеристики 3A220-06, 3A220-08
 | |||||
Пневмораспределители 3A320-10, 3A320-08
|  Пневмораспределитель 3A320-10  Схема работы 3A320-08, 3A320-10 | Пневмораспределители 3A320-08 и 3A320-10 - трехлинейные двухпозиционные (3/2) пневмораспределители с двухсторонним пневмоуправлением. С устройством, принципом работы и характеристиками данных моделей вы можете ознакомиться на этой странице в таблицах выше. | ||||
| Габаритные и присоединительные размеры 3A320-08, 3A320-10  | |||||
| Расходные характеристики 3A320-08, 3A320-10
 | |||||
Пневмораспределитель 3A420-15
|  Пневмораспределитель 3A420-15  Схема работы 3A420-15 | Пневмораспределитель 3A420-15 - трехлинейные двухпозиционные (3/2) пневмораспределители с двухсторонним пневмоуправлением. С устройством, принципом работы и характеристиками данных моделей вы можете ознакомиться на этой странице в таблицах выше. | ||||||||||||||||||||||||||||||||||||||
| Габаритные и присоединительные размеры 3A420-15  
 Расходные характеристики 3A420-15 | |||||||||||||||||||||||||||||||||||||||
Пример маркировки для заказа:
3A320-10 - пневмораспределитель трехлинейный двухпозиционный (3/2) с двухсторонним пневматическим управлением, присоединительными отверстиями с резьбами G3/8"
Нужна консультация?
Если вы затрудняетесь с подбором необходимых вам комплектующих, свяжитесь с нами по телефону +7 (8482) 44-00-64. Мы проконсультируем вас и поможем подобрать нужные вам пневмораспределители из наличия.
Как заказать?
Отправьте нам запрос на почту info@tau-rus.com со списком интересующих вас наименований и мы пришлём вам коммерческое предложение на интересующую номенклатуру. Если вы не нашли в каталогах нужные вам пневмораспределители, то пришлите нам спецификацию и мы подберём аналоги.
 
                                