Описание пневмоцилиндров двухстороннего действия ПЦ
На поршне пневмоцилиндров двухстороннего действия с демпфированием (торможением в конце хода) или без демпфирования (ISO 6431) в варианте исполнения "с магнитом" установлен магнит для возможности определения положения поршня, также пневмоцилиндры по ISO6431 изготавливаются и без магнита на поршне (см. структуру условного обозначения ниже).Рабочая среда – сжатый воздух давлением очищенный не грубее 10 класса загрязненности по ГОСТ 17433. Климатическое исполнение УХЛ и О, категория размещения 4 по ГОСТ 15150. Виброустойчивость и вибропрочность пневмоцилиндров ISO6431 соответствует I степени жесткости по ГОСТ 28988.
См. также элементы крепления для пневмоцилиндров по ISO 6431.
Пневмоцилиндры ISO 6431, поставляемые нашей компанией:
- Пневмоцилиндры ...-050х0050 УХЛ4 ISO 6431
- Пневмоцилиндры ...-050х0100 УХЛ4 ISO 6431
- Пневмоцилиндры ...-063х0200 УХЛ4 ISO 6431
- Пневмоцилиндры ...-063х0300 УХЛ4 ISO 6431
- Пневмоцилиндры ...-063х0370 УХЛ4 ISO 6431
- Пневмоцилиндры ...-080х0100 УХЛ4 ISO 6431
- Пневмоцилиндры ...-100х0100 УХЛ4 ISO 6431
- Пневмоцилиндры ...-100х0200 УХЛ4 ISO 6431
Условное обозначение и параметры пневмоцилиндров по ISO 6431
|
1 |
2 |
3 |
4 |
- |
5 |
x |
6 |
7 |
8 |
9 |
|
ПЦ |
1 |
1 |
М |
100 |
0200 |
УХЛ |
4 |
ISO 6431 |
| 1 | Тип устройства | ПЦ |
| 2 | Исполнение цилиндра по международным стандартам ISO 6431, VDMA 24562 |
1 - двухсторонний с торможением и односторонним штоком; 2 - односторонний с односторонним штоком в исходном положении шток выдвинут; 3 - односторонний с односторонним штоком в исходном положении шток втянут; 4 - двухсторонний без торможения и односторонним штоком; 5 - двухсторонний с двухсторонним штоком; 6 - многопозиционный цилиндр с независимыми штоками; 7 - тандем-цилиндр с независимыми штоками (устройство позиционнирования); 9 - тандем-цилиндр с общим штоком; |
| 3 | Присоединительная резьба для подвода сжатого воздуха | 1 - трубная цилиндрическая дюймовая по ГОСТ 8357 |
| 4 | Наличие магнита на поршне |
без обозначения - магнит отсутствует М - с магнитом |
| 5 | Диаметр цилиндра в мм | 32; 40; 50; 63; 80; 100; 125; 160; 200; 250; 320; 400 |
| 6 | Ход поршня в мм | 25; 32; 40; 50; 63; 80; 100; 125; 160; 200; 250; 320; 400; 500 |
| 7 | Климатическое исполнение по ГОСТ 15150 | УХЛ |
| 8 | Категория размещения по ГОСТ 15150 | 4 |
| 9 | Стандарт | ISO 6431 - Только для 1-го и 4-го исполнений пневмоцилиндра: двухстороннего действия с торможением или без торможения с односторонним штоком |
Основные технические характеристики пневмоцилиндров по ISO 6431
|
Параметр |
Диаметр цилиндра, мм |
|||||||||||
|
32 |
40 |
50 |
63 |
80 |
100 |
125 |
160 |
200 |
250 |
320 |
400 |
|
|
Номинальное давление |
1,0 |
|||||||||||
|
Присоединение пневмолиний, дюйм |
1/8 |
1/4 |
3/8 |
1/2 |
3/4 |
1 |
||||||
|
Давление страгивания, МПа, не более |
0,05 |
0,035 |
0,030 |
0,05 |
0,035 |
0,03 |
0,05 |
0,035 |
0,030 |
0,030 |
0,030 |
0,015 |
|
Номинальная сила цилиндра при номинальном давлении, Н |
|
|
|
|
|
|
|
|
|
|
|
|
|
Время прохождения поршнем тормозного пути без нагрузки при зарытых дросселях и давлении 0,4 МПа, в секундах, не более (для пневмоцилиндров с регулируемым торможением) |
3 |
8 |
10 |
12 |
15 |
18 |
20 |
24 |
26 |
|||
|
Тормозной путь, мм |
20 |
26 |
29 |
41 |
57 |
46 |
||||||
|
Ход поршня, мм |
25, 32, 40, 50, 63, 80, 100, 125, 160, 200, 250, 320, 400, 500 |
|||||||||||
|
Максимальный ход поршня, мм |
1600 |
1100 |
1000 |
|||||||||
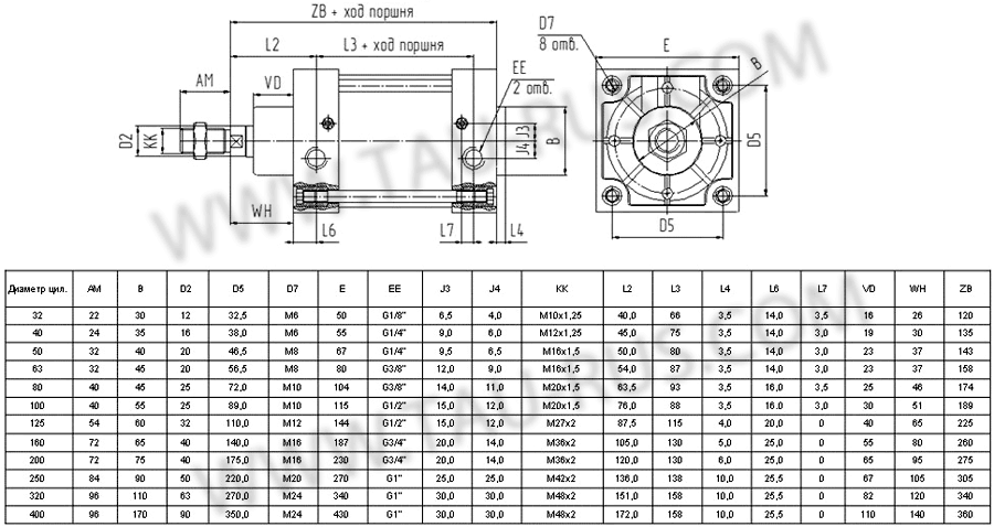
Габаритные и присоединительные размеры пневмоцилиндров двухстороннего действия ISO6431
Пример условного обозначения при заказе пневмоцилиндра двухстороннего действия с габаритными и присоединительными размерами по ISO 6431, с односторонним штоком, торможением в обе стороны, с трубной цилиндрической дюймовой резьбой для подвода сжатого воздуха, без магнита на поршне, с наружной резьбой штока, без элементов крепления пневмоцилиндра и штока, диаметром 100 мм и ходом поршня 200 мм, климатического исполнения для районов с умеренным климатом, категория размещения 4:
Пневмоцилиндр 11-100х0200 УХЛ4 ISO 6431
