Пневматические распределители с механическим управлением
Распределители с механическим управлением — это устройства, которые используются в пневматических системах для управления потоком сжатого воздуха. Они переключают направление потока воздуха в зависимости от механического воздействия (например, нажатия, толкания или поворота). Такие распределители широко применяются в промышленности, автоматизации, машиностроении и других областях, где требуется простое и надежное управление.
Преимущества:
- Простота конструкции и управления.
- Надежность и долговечность.
- Устойчивость к внешним воздействиям (вибрация, температура, пыль).
- Безопасность в условиях, где недопустимо использование электрических систем (взрывоопасные среды).
- Требуется физическое воздействие для управления.
- Ограниченная возможность интеграции в полностью автоматизированные системы.
Классификация пневмораспределителей
- Рычажное: Управление осуществляется с помощью рычага.
- Роликовое: Переключение происходит при контакте с роликом (часто используется в концевых выключателях).
- Плунжерное: Переключение происходит при нажатии на плунжер.
Применение пневматических распределителей с механическим управлением
1. Промышленное оборудование: Управление пневматическими цилиндрами, зажимами, клапанами.
2. Станки и прессы: Ручное или ножное управление (педали, рычаги).
3. Конвейерные системы: Переключение режимов работы с помощью роликовых или плунжерных распределителей.
4. Строительная техника: Управление гидравлическими и пневматическими системами.
5. Медицинское оборудование: Управление пневматическими приводами.
Устройство и принцип работы
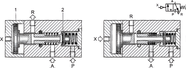
Пневматическое управление распределителями применяется в случаях, когда требуется дистанционное управление их работой. Для реализации такого управления в конструкцию распределителя добавляется поршень 1, движение которого приводит в действие запорный элемент 2.

Рис. 1 Пневмораспределитель с механическим управлением В76
%20П-РК%203.7.jpg)
Рис. 2 Пневмораспределитель с механическим управлением (с толкателем) П-РК 3.7
Компания «ТАУРУС» – ваш надежный партнер в обеспечении бесперебойного производства.
Наши специалисты подберут и помогут купить пневматический распределитель с механическим управлением под ваши задачи и вашу пневмосистему. Доверьтесь опыту «ТАУРУС» – мы сделаем ваше производство эффективным и надежным!
