Импульсные питатели ILCOMATIC-3 используются в централизованных системах подачи жидкой и полужидкой смазки.
Они могут быть установлены с одной или с двух сторон коллектора, или прямо в точках смазки.
Для правильной работы питателя давление в линии нагнетания должно быть:
в диапазоне от 15 бар (1,5 МПа) до 50 бар (5,0 МПа) для питателей с объёмом дозы 0,015 - 0,03 - 0,06 - 0,1 - 0,16 - 0,5 - 0,75 - 1см³;
в диапазоне от 12 бар (1,2 МПа) до 50 бар (5,0 МПа) для питателей с объёмом дозы 0,2 - 0,3 см³.
Когда давление достигает максимума, насос необходимо выключить.
После отключения насоса и падения давления в напорных магистралях до нуля импульсные питатели “перезаряжаются” и снова готовы к подаче смазки.
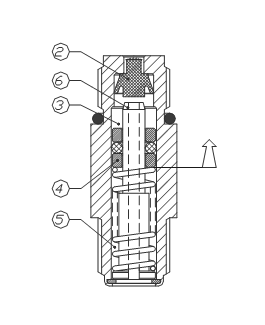
Принцип работы питателей
Технические характеристики
| Тип смазки |
Масло 32-2000 сСт (мм2/с) Полужидкая смазка с классом NLGI 00-000 |
| Время “перезарядки” питателя | 10 секунд для масел вязкостью 32-250 сСт, 200 секунд для масел вязкостью 260-2000 сСт и пластичной смазки с классом NLGI 00. |
| Максимальное давление в линии нагнетания при “перезарядке” питателя |
4 бара для питателей 0,015 - 0,03 - 0,06 - 0,1- 0,16см³ 3,5 бара для питателей 0,2 - 0,3см³ 2,5 бара для питателей 0,5 - 0,75 - 1,0см³ |
| Диапазон температур | От 0°С до 80°С |
| Уплотнение | NBR, Вайтон (по запросу) |
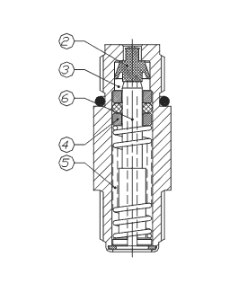
Импульсные питатели ILCOMATIC-3
02.709..., 02.601... для установки на коллекторы
Импульсные питатели предназначены для работы с маслом 32-2000 сСт или полужидкой смазкой с классом NLGI 00-000.
Питатели обычно устанавливаются на односторонние или двусторонние коллекторы с числом каналов от 1 до 14.
Уплотнительные кольца питателей сделаны из NBR. Для заказа питателей с уплотнениями из вайтона в код для заказа необходимо добавить V.
Например: 02.709.1.V
|
|
|
|
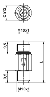
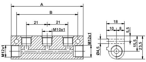
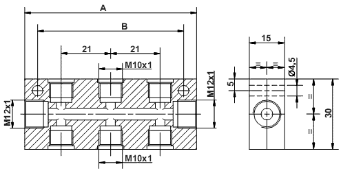
Коллекторы импульсных питателей ILCOMATIC-3
Односторонние коллекторы М12х1 - М10х1
|
Двусторонние коллекторы М12х1 - М10х1
|
|||||||||||||||||||||||||||||||||||||||||||||||||||||||||||||||||||||||||||||
|
|
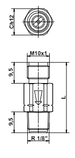
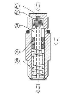
Импульсные питатели ILCOMATIC-3
02.711..., 02.602... в точках смазки
Импульсные питатели предназначены для работы с маслом 32-2000 сСт или полужидкой смазкой с классом NLGI 00-000.
Питатели обычно устанавливаются в точках смазки.
Уплотнительные кольца питателей сделаны из NBR.
Для заказа питателей с уплотнениями из вайтона в код для заказа необходимо добавить V.
Например: 02.711.1.V
|
|
|
|
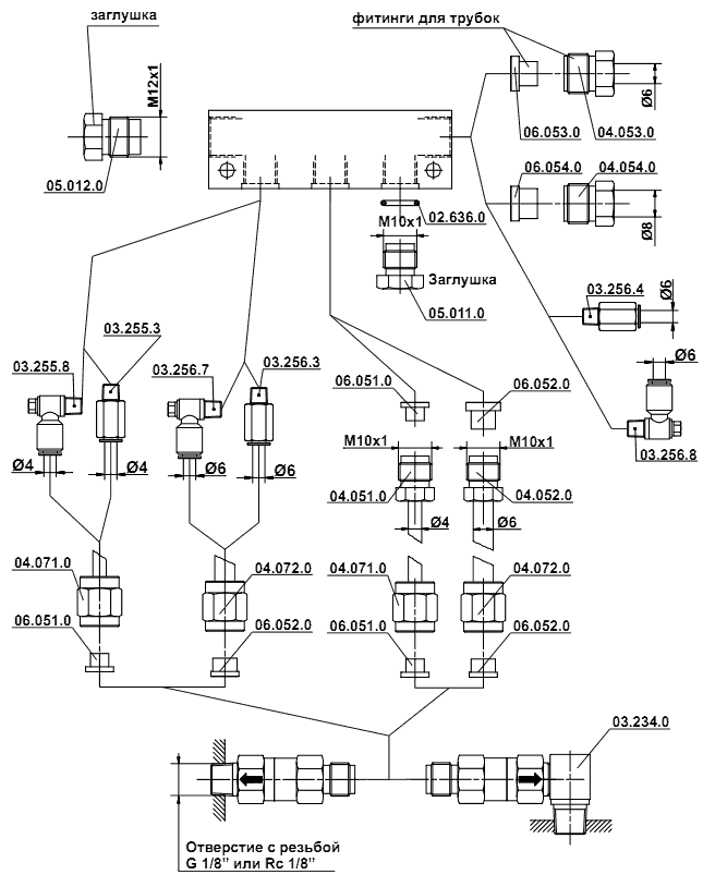
Фитинги коллекторов и импульсных питателей ILCOMATIC-3
Фитинги используются для соединения коллекторов одинаковыми трубками с наружным диаметром 8 мм или 6 мм в главной магистрали и трубками с наружным диаметром 6 мм или 4 мм во вторичных линиях
|
Тройники и крестовины могут быть использованы для разделения главной магистрали на 2 или 3 линии.
|
||||||||||||||||

позиция 1
позиция 2
позиция 3