Фильтр
Сначала популярные
Клапан OWC-DE-L6 (001.227.0X0)
|
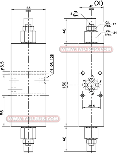
Основные параметры клапана OWC-DE-L6 (001.227.0X0)- условный проход клапана DN6 (CETOP3);- тип: модульный, двусторонний, регулировка в каналах А и В; - минимальный / максимальный расход рабочей жидкости 1,0 / 50,0 л/мин; - максимальное рабочее давление 350 бар; - максимальное давление настройки 350 бар; - соотношение надклапанной и подклапанной площадей 4,25:1; - температура окружающего воздуха -30...+50 °C; - температура рабочей жидкости -30...+80 °C; - рекомендуемая тонкость фильтрации рабочей жидкости 30 мкм. Гидросхема клапана OWC-DE-L6 (001.227.0X0)
|
Применение клапана OWC-DE-L6 (001.227.0X0)
|
Размеры клапана OWC-DE-L6 (001.227.0X0)
|
Клапан OWC-SE-L6 (001.229.0X0)
|
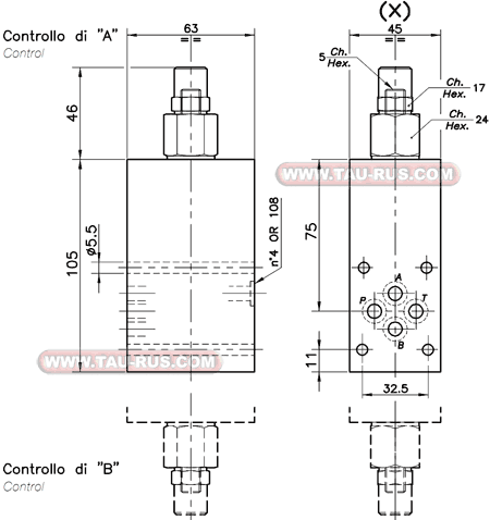
Основные параметры клапана OWC-SE-L6 (001.229.0X0)- условный проход клапана DN6 (CETOP3);- тип: модульный, односторонний, регулировка в канале А; - минимальный / максимальный расход рабочей жидкости 1,0 / 50,0 л/мин; - максимальное рабочее давление 350 бар; - максимальное давление настройки 350 бар; - соотношение надклапанной и подклапанной площадей 4,25:1; - температура окружающего воздуха -30...+50 °C; - температура рабочей жидкости -30...+80 °C; - рекомендуемая тонкость фильтрации рабочей жидкости 30 мкм. Гидросхема клапана OWC-SE-L6 (001.229.0X0)
|
Применение клапана OWC-SE-L6 (001.229.0X0)
|
Размеры клапана OWC-SE-L6 (001.229.0X0)
|
