|  Муфта-тормоз УВ-3132, УВ-3135, УВ-3138, УВ-3141, УВ-3144, УВ-3146 | 
 Муфта тормоз УВ устанавливается на прессовое и другое оборудование для периодического соединения ведущих валов привода машин с ведомыми, а также для постоянного торможения последних при непрерывно работающем электродвигателе. Многодисковая муфта-тормоз УВ3132, УВ3135, УВ3138, УВ3141, УВ3144, УВ3146 с пневматическим включением используется на кузнечно-прессовых машинах (в большинстве своем кривошипные пресса, гильотины). На фотографиях ниже приведены часто встречающиеся поломки муфты-тормоза УВ31-32(35,38,41,44). Особенности конструкции муфты-тормоз УВ
 Так же компания наша компания предлагает запасные части и комплектующие к муфте-тормоз УВ. 
			 Муфта-тормоз поставляется заказчику в собранном и отрегулированном виде, упакованная со всеми комплектующими деталями. Перед установкой муфты-тормоза на машину все поверхности трения и прилегающие к ним необходимо расконсервировать и обезжирить. 
			 Муфта тормоз УВ насаживается на ведомый вал машины следующим образом: ведущие диски муфты - на пальцы маховика, диск тормоза - на пальцы, жёстко закреплённые на станине. | ||
Технические характеристики УВ31...
| Наименование параметра муфты-тормоза УВ | Модель муфты-тормоза | |||||
| УВ3132 | УВ3135 | УВ3138 | УВ3141 | УВ3144 | УВ3146 | |
| Крутящий момент, кгс*м | 160 | 315 | 630 | 1250 | 2500 | 4000 | 
| Тормозной момент, кгс*м | 40 | 63 | 100 | 200 | 315 | 360 | 
| Момент инерции, возникающий на ведомых деталях, кгс*м | 2,68 | 5,85 | 11,66 | 26,9 | 68 | 103,2 | 
| Наибольшая частота вращения, об/мин | 220 | 205 | 180 | 160 | 125 | 100 | 
| Рабочее давление воздуха, мПа | 0,45 | 0,45 | 0,45 | 0,45 | 0,45 | 0,45 | 
| Расход воздуха на одно включение, литр | - | - | 0,4 | 0,9 | 1,6 | 2,5 | 
| Наибольшее число включений в минуту | 63 | 63 | 63 | 63 | 63 | 63 | 
| Наружный диаметр муфты, мм | 395 | 460 | 525 | 640 | 740 | 830 | 
| Условное обозначение внутреннего шлицевого отверстия по ГОСТ 6033-80, мм | 55ХН7Х2,5 | 55ХН7Х2,5 | 75ХН7Х3,5 | 85ХН7Х3,5 | 110ХН7Х3,5 | 130ХН7Х3,5 | 
| Масса , кг | 37 | 53 | 80 | 126 | 210 | 255 | 
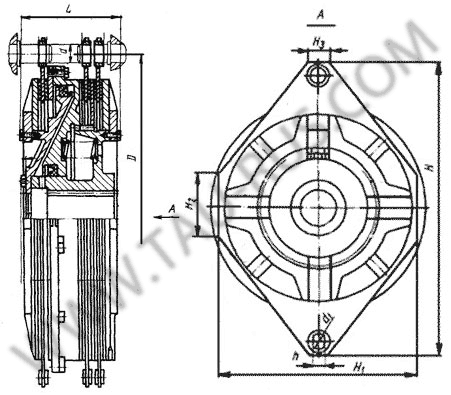
Основные габаритные и присоединительные размеры муфты-тормоза УВ31...
  
Чертёж с деталировкой муфты-тормоз УВ31...
| 
 | ||||||||||||||||||||||||||||||||||||||||||||||||||||||||||||||||||||||||||||||||||||||||
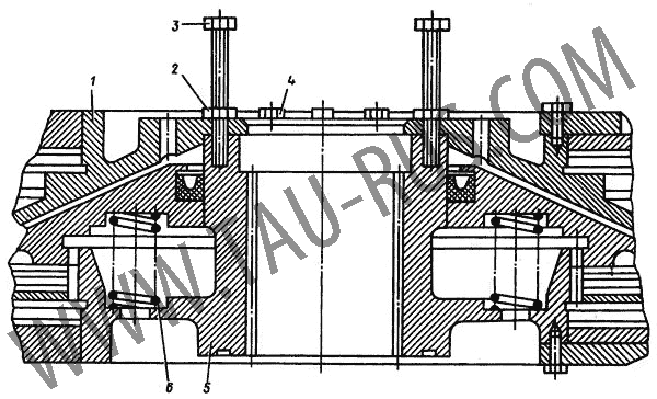
Конструкция и принципы работы муфты-тормоза УВ31...
  
Муфта-тормоз УВ с маховиком
| 1 -  маховик; 2,22 - пальцы; 3 - ведущие диски муфты; 4 - фрикционные накладки; 5 - промежуточный (зубчатый) диск муфты; 8 - воздухоподводящая головка; 9 - пружины; 10 - ступица; 11 - вал; 12 - пневмокамера; 13 - поршень; 14 - цилиндр; 18 - нажимной диск тормоза; 19 - опорные диски муфты и тормоза; 20 - станина; 21 - тормозной диск. Муфта-тормоз УВ состоит из ведущих дисков муфты с фрикционными накладками 4, ступицы 10 с неподвижно присоединённым поршнем 13, цилиндра 14, перемещающегося вдоль оси, опорных дисков 19 муфты и тормоза, посаженных на резьбу ступицы 10 и поршня 13, нажимного диска 18 тормоза, жёстко закреплённого на цилиндре, промежуточного (зубчатого) диска 5 муфты, тормозного диска 21 с фрикционными накладками. Работа муфты-тормоза YB происходит следующим образом: сжатый воздух через воздухоподводящую головку 8 и вал 11 поступает в пневмокамеру 12, перемещает цилиндр 14 вдоль оси вала в сторону муфты и зажимает ведущие диски 3 муфты, связанные с постоянно вращающимся маховиком 1 через пальцы 2, обеспечивая передачу крутящего момента через ступицу 10 на вал 11. В момент торможения вала сжатый воздух из пневмокамеры выпускается в атмосферу через воздухоподводящую головку, соединительный рукав и трёхходовой сдвоенный сблокированный клапан. При этом цилиндр 14 под воздействием пружин 9 возвращается в сторону тормоза и зажимает тормозной диск 21, сидящий на пальцах 22, связанных со станиной 20, производя торможение подвижных частей пресса. В процессе эксплуатации муфты-тормоза УВ фрикционные накладки изнашиваются. При этом увеличивается ход a цилиндра 14, что приводит к увеличению хода цилиндра к в сторону муфты, так и в сторону тормоза и, как следствие, износу манжет поршня и расхода сжатого воздуха. При достижении хода цилиндра 3,5 мм муфту-тормоз УВ необходимо регулировать. 
			 Величина ход цилиндра в сторону тормоза lТ=4-0,75 мм | 
Рекомендации по регулировке зазоров муфты-тормоз УВ31...
В процессе эксплуатации муфты-тормоз УВ31... фрикционные накладки изнашиваются, что увеличивает ход а цилиндра (см. рисунок выше) и, соответственно износ манжет поршня и расход сжатого воздуха. Поэтому при достижения хода цилиндра 2,5 мм необходимо отрегулировать муфту-тормоз.
	 Регулировка муфты-тормоза осуществляется в следующем порядке:
	      - замерьте зазор в (см. рисунок выше) между нажимным диском тормоза и поршнем через боковые отверстия цилиндра. Если зазор в не окажется равным величине, указанной в таблице ниже, сделайте следующее:
	      - отогните концы стопорной планки на опорном диске тормоза, отпустите болты на 5-6 мм и снимите планку;
	      - включите муфту-тормоз (подайте в неё сжатый воздух);
	      - вращая опорный диск тормоза, переместите его до получения зазора в, равного величине, указанной в таблице ниже, с учётом перемещения цилиндра на величину а;
	      - совместите паз на опорном диске с пазом на поршне;
	      - вставьте в совмещённые пазы стопорную планку и закрепите её;
	      - отключите муфту-тормоз;
	      - замерьте зазор а между цилиндром и поверхностью накладки диска. Если зазор не окажется равным величине, указанной в таблице, сделайте следующее:
	      - отогните концы стопорной планки, отпустите болты на 5-6 мм и снимите стопорную планку на опорном диске муфты, аналогично операциям на опорном диске тормоза;
	      - вращая опорный диск муфты, переместите его до получения зазора а, равного величине, указанной в таблице;
	      - совместите паз на опорном диске муфты с пазом на ступице;
	      - вставьте в совмещённые пазы стопорную планку и закрепите её.
| Усилие пресса, кН | Муфта-тормоз | Зазор а, мм | Зазор в, мм | Шаги резьбы опорных дисков муфты и тормоза муфты, мм | 
| 100 | УВ-3132 | 1...1,75 | 4...0,75 | 3 | 
| 160 | УВ-3135 | 1...1,75 | 4...0,75 | 3 | 
| 250 | УВ-3138 | 1...1,75 | 4...0,75 | 3 | 
| 400 | УВ-3141 | 1,5...2 | 4...0,75 | 3 | 
| 630 | УВ-3144 | 1,5...2 | 4...0,75 | 4 | 
Рекомендации по разборке муфты-тормоза УВ
  
Схема разборки муфты-тормоза
| При разборке муфты-тормоза УВ следует пользоваться специальными болтами 3 (см. рисунке слева). В освободившиеся диаметрально противоположные отверстия в поршне 1 заверните болты 3 с гайками 2. Гайки заверните до упора в поршень 1. Затем выверните оставшиеся болты 4, крепящие поршень к ступице. После этого одновременно открутите гайки 2 до полного ослабления пружин 6. Внимание! Специальные болты 3 выкручивайте из ступицы 5 только после полного ослабления пружин. Сборку муфты-тормоза УВ производите в обратной последовательности. | 
Возможные неисправности муфты УВ31... и методы их устранения
| Неисправность | Вероятная причина | Метод устранения | 
| 1. При нажатии на кнопки или педаль муфта-тормоз не включается | 1.1 Низкое давление сжатого воздуха в пневмосистеме 1.2 Неисправность пневмораспределителя У71-24А 1.3 Утечка воздуха из воздушной камеры через манжеты 1.4 Зазор между нижней кромкой командоаппаратом и основанием бесконтактного выключателя более 6 мм | 1.1 Повысьте давление сжатого воздуха до рабочего 1.2 Отремонтируйте или замените пневмораспределитель У71-24А 1.3 Замените манжеты 1.4 Установите зазор менее 6 мм | 
| 2. Пресс не развивает номинального усилия | 2.1 Попадание смазки на поверхности трения 2.2 Износ фрикционных накладок; нажимной диск тормоза упирается в поршень | 2.1 Удалите смазку с трущихся поверхностей 2.2 Замените фрикционные накладки, отрегулируйте муфту-тормоз | 
| 3. Муфта-тормоз нагревается выше допустимого | 3.1 Малый ход цилиндра | 3.1 Установите нормальный ход цилиндра | 
| 4. Ползун не останавливается в ВМТ | 4.1 Попадание смазки в полость тормоза | 4.1 Удалите смазку с трущихся поверхностей | 
| 5. Горит сигнальная лампа КОНТРОЛЬ ТОРМОЗНОГО ПУТИ | 5.1 Не отрегулирован командоаппарат 5.2 Давление в пневмосистеме выше 0,55 МПа 5.3 Увеличенный зазор между тормозным диском и фрикционными накладками 5.4 Не отрегулирован тормоз 5.5 Поломка пружин | 5.1 Сместите блок дисков командоаппарата на угол смещения ВМТ 5.2 Отрегулируйте давление воздуха редукционным пневмоклапаном 5.3 Отрегулируйте зазор 5.4 Отрегулируйте тормоз 5.5 Замените пружины | 
Возможные поломки муфты-тормоза УВ31...
Поломка поршня и опорной гайки УВ3132 (гильотина НК3418)
|   | На фотографиях слева и снизу частично разобранная муфта-тормоз УВ3132 (с гильотины НК3418). Хорошо виден поршень с сорванной резьбой, а также нажимной диск и края цилиндра. В процессе работы с поршня сорвало опорный диск (гайку) (на фотографии гайка не показана, но вид тоже плачевный). Очевидно, что без замены поршня и гайки дальнейшая эксплуатация муфты-тормоза невозможна. | 
|   | 
Поломка поршня УВ3141 (пресс КД2126К)
|   | На фотографиях слева и снизу поршень с сорванной резьбой муфты-тормоз УВ3141 (пресс КД2126К). Хорошо видно, что резьба на поршне сорвана (смята). В процессе работы с поршня сорвало опорный диск (гайку) (на фотографии гайка не показана, но и на гайке (опорном диске) резьба тоже сорвана). Резьба срывается в результате того, что в момент торможения цилиндр с большим усилием (при помощи пружин) давит на тормозной диск и, соотвественно на гайку, которая закручена по резьбе на поршень. На обоих фотографиях хорошо видно трещину в корпусе поршня (также результат больших динамических нагрузок во время торможения). Очевидно, что без замены поршня УВ3141 и гайки (опорного диска) УВ3141 дальнейшая эксплуатация муфты-тормоза невозможна. | 
|   | 
Поломка тормозного диска и пальцев УВ3135
|   | На фотографии слева тормозной диск (без фрикционных накладок) от муфты-тормоз УВ3135. Хорошо видна порванная проушина в которой находилась втулка для установки пальца (см. фото снизу). В процессе работы муфты-тормоза УВ3135 вырвало втулку, погнуло пальцы и порвалась проушина тормозного диска. Понятно, что без замены тормозного диска и деформированного пальца дальнейшая эксплуатация муфты-тормоза УВ3135 невозможна. | 
|   | 
Поломка цилиндра и износ зубчатого диска УВ3135 (ножницы НА3121)
|   | На фотографии слева цилиндр (пневмоцилиндр), извлечённый из разобранной муфты-тормоз УВ3135 (с ножниц НА3121). Видно, как износились зубья (практически стёрлись) по внутреннему диаметру цилиндра. На фотографии снизу с той же муфты УВ3135 - изношенный зубчатый диск, остаточная высота которого уже не позволяет дискам сцепления передавать крутящий момент на исполнительный механизм ножниц. Вывод: без замены цилиндра и изношенного зубчатого диска эксплуатация муфты-тормоза УВ3135 невозможна. | 
|   | 
Поломка ступицы муфты-тормоз УВ3138 (пресс КД2324Е)
|   | На фотографиях слева и снизу ступица в сборе с цилиндром, извлечённая из разобранной муфты-тормоз УВ3138 (с пресса КД2324). Видны трещины, износ резьбы для посадки опорного диска и износ внутреннего зубчатого отверстия для установки муфты-тормоз на эксцентриковый вал. На фотографии снизу та же треснутая ступица УВ3138, только вид сбоку. Хорошо видно, что сорвана резьба и заметны трещины в корпусе ступицы. Вывод: без замены ступицы и и опорного диска (гайки) эксплуатация муфты-тормоза УВ3138 невозможна. | 
|   | 
Поломка ступицы муфты-тормоз УВ3141 (пресс КД2126К)
|   | На фотографии слева ступица, извлечённая из разобранной муфты-тормоз УВ3141 (с пресса КД2126К). Видно, что внешнее зубчатое колесо оторвало от внутренней (посадочной) части ступицы. Сначала образовалось трещина, которая и привела к поломке ступицы. На фотографии снизу та же треснутая ступица УВ3141, только вид с противоположной стороны стороны. Хорошо видно, что ступица повреждена основательно. Вывод: без замены ступицы и (как выяснилось из разговора с клиентом) диска тормозного с накладками эксплуатация муфты-тормоза УВ3141 невозможна. | 
|   | 
	      Применяемость
	      Муфта-тормоз УВ3132:
	      ножницы Н3418, ножницы НК3418, ножницы НК3416, ножницы НК3418Р, пресс КД2120, пресс КД2320.
 
	      Муфта-тормоз УВ3135:
	      пресс КД2122, КД2322, пресс КД2122К, КД2322К, пресс КД2122Е, КД2322Е, гильотина НА3121.
 
	      Муфта-тормоз УВ3138:
	      пресс КД2324, КД2124, пресс КД2324К, КД2124К, пресс КД2324Е, КД2124Е.
 
	      Муфта-тормоз УВ3141:
	      пресс КД2126, КД2326, пресс КД2126К, КД2326К, пресс КД2126Е, КД2326Е, ножницы Н478.
 
	      Муфта-тормоз УВ3144:
	     пресс КД2128, КД2328, пресс КД2128К, КД2328К, пресс КД2128Е, КД2328Е.
 
	      Муфта-тормоз УВ3146:
	      пресс КД2130, пресс КД2330.
