|
Принцип действия распределителей ВЕ10 (с одним электромагнитом:
|
|
- Гидрораспределители ВЕ10 574 Г24 (В110, В220), ВЕ10 574А Г24 (В110, В220), ВЕ10 574Е Г24 (В110, В220), ВЕ10 573 Г24 (В110, В220), ВЕ10 573Е Г24 (В110, В220) с условным проходом 10 мм являются золотниковыми гидрораспределителями с односторонним электромагнитным управлением (с одной катушкой).
- Магнит у одномагнитных гидрораспределителей ВЕ10 расположен либо со стороны канала А (гидросхемы 573, 574, 574А), либо (как на фото слева) со стороны канала В (гидросхемы 573Е, 574Е).
- Переключаемые одним электромагнитом золотниковые гидрораспределители ВЕ10 с пружинным возвратом управляют пуском, остановкой и направлением движения потока жидкости.
- Основными элементами распределителя ВЕ10 являются: корпус (1), один или два электромагнита (2), золотник (3) и одна или две возвратные пружины (4).
- При отсутствии управляющего сигнала золотник (3) удерживается пружиной (4) в среднем или в исходном положении (кроме импульсного золотника). Переключение золотника (3) осуществляется от заполненного маслом магнита (2).
- Условием надежного срабатывания магнита является заполнение его полостей маслом.
- Магнит через толкатель (2) перемещает управляющий золотник (3) из исходного положения в заданную позицию. При этом обеспечивается перетекание жидкости по направлениям Р-А и В-Т или Р-В и А-Т.
- При обесточенном магните (2) золотник (3) пружиной (4) перемещается в исходное положение.
Монтажная поверхность распределителей ВЕ10
Идентификационный код и параметры гидрораспределителей ВЕ10
Структура условного обозначения
|
Характеристики
|
|||||||||||||||||||||||||||||||||||||||||||||||||||||||||||||||||||||||||||||||||||||||||||||||||||||||
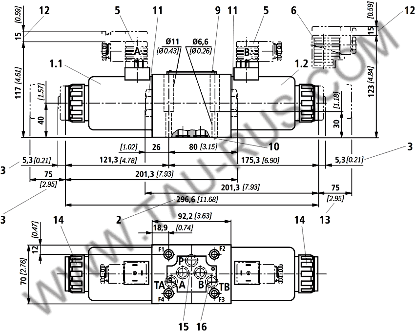
Габаритные и присоединительные размеры в мм [дюймах] гидрораспределителей ВЕ10
|
||
|
1.1 Магнит "a" 1.2 Магнит "b" 2. Размер для магнита со скрытым ручным дублированием 3. Размер для магнита с ручным дублированием 5, 6 - соединительный штекер со светодиодной индикацией (входит в комплект поставки) 9. Заводская табличка |
10. Одинаковые уплотнительные кольца для каналов A, B, P, TA, TB. 11. Резьбовая заглушка для распределителей с одним магнитом 12. Пространство, необходимое для снятия соединительного штекера / углового соединительного штекера 13. Необходимое место для снятия катушки с гидрораспределителя 14. Контргайка, момент затяжки MA = 6+2 Нм |
15. Положение входов согласно ISO 4401-05-04-0-05 и NFPAT3.5.1 R2-2002 D05 16. Вход TB может использоваться только в сочетании с отдельным отверстием. |
Гидрораспределители ВЕ10 574А Г24, ВЕ10 574А В110, ВЕ10 574А В220
|
Гидрораспределители ВЕ10 574А Г24, ВЕ10 574А В110, ВЕ10 574А В220 с односторонним электромагнитным управлением (электромагнит находится со стороны канала А) на 24 В постоянного тока (в других исполнениях на 110 и 220 В переменного тока) применяется в гидроагрегатах промышленных и мобильных машин (например, буровые машины). Гидросхема 574А
Основные параметры гидрораспределителя ВЕ10.574А.В110 (В220, Г24): |
Гидрораспределители ВЕ10 574 Г24, ВЕ10 574 В110, ВЕ10 574 В220
|
Гидрораспределители ВЕ10 574 Г24, ВЕ10 574 В110, ВЕ10 574 В220 с односторонним электромагнитным управлением (электромагнит находится со стороны канала А) на 24 В постоянного тока (в других исполнениях на 110 и 220 В переменного тока) применяется в гидроагрегатах прессов, токарных, фрезерных, литьевых станков и в составе других гидроагрегатов и комплексов. Гидросхема 574
Основные параметры гидрораспределителя ВЕ10.574.В110 (В220, Г24): |
Гидрораспределители ВЕ10 573 Г24, ВЕ10 573 В110, ВЕ10 573 В220
|
Гидрораспределители ВЕ10 573 Г24, ВЕ10 573 В110, ВЕ10 573 В220 с односторонним электромагнитным управлением (электромагнит находится со стороны канала А) на 24 В постоянного тока (в других исполнениях на 110 и 220 В переменного тока) применяется в гидроагрегатах прессов, токарных, фрезерных, литьевых станков и в составе других гидроагрегатов и комплексов. Гидросхема 573
Основные параметры гидрораспределителя ВЕ10.573.В110 (В220, Г24): |
Гидрораспределители ВЕ10 573Е Г24, ВЕ10 573Е В110, ВЕ10 573Е В220
|
Гидрораспределители ВЕ10 573Е Г24, ВЕ10 573Е В110, ВЕ10 573Е В220 с односторонним электромагнитным управлением (электромагнит находится со стороны канала В) на 24 В постоянного тока (в других исполнениях на 110 и 220 В переменного тока) применяется в гидросистемах станков и мобильной техники. В комплект поставки входят: штекер со светодиодной индикацией режимов работы и винты для крепления гидрораспределителя на гидроагрегат. Гидросхема 573Е
Основные параметры гидрораспределителя ВЕ10.573Е.В110 (В220, Г24): |
Гидрораспределители ВЕ10 574Е Г24, ВЕ10 574Е В110, ВЕ10 574Е В220
|
Гидрораспределители ВЕ10 574Е Г24, ВЕ10 574Е В110, ВЕ10 574Е В220 с односторонним электромагнитным управлением (электромагнит находится со стороны канала В) на 24 В постоянного тока (в других исполнениях на 110 и 220 В переменного тока) применяется в гидросистемах станков и мобильной техники. В комплект поставки входят: штекер со светодиодной индикацией режимов работы и винты для крепления гидрораспределителя на гидроагрегат. Гидросхема 574Е
Основные параметры гидрораспределителя ВЕ10.574Е.В110 (В220, Г24): |
Пример условного обозначения гидравлического золотникового распределителя с односторонним электромагнитным управлением, Ду = 10 мм, тип электромагнита - "мокрый", со схемой распределения 574А, питание от сети 24 В постоянного тока, для работы в холодном и умеренном климате:
Гидрораспределитель ВЕ10.574А.Г24




