Описание гидрораспределителей 1Рн203, 1Рн323
Гидрораспределители 1Рн203, 1Рн323 по способу установки золотника делятся на:
- пружинный возврат золотника (1Рн203 В 44, 1Рн203 В 64, 1Рн203 В 34, 1Рн203 В 574, 1Рн323 В 44, 1Рн323 В 64, 1Рн323 В 34, 1Рн323 В 574);
- фиксация золотника (1Рн203 Ф В 44, 1Рн203 ФВ 64, 1Рн203 Ф В 34, 1Рн203 ФВ 574, 1Рн323 ФВ 44, 1Рн323 Ф В 64, 1Рн323 ФВ 34, 1Рн323 В 574).
- ручное управление (1Рн203В.44, 1Рн203.В.64, 1Рн203.В.34, 1Рн203В 574, 1Рн203.ФВ.44, 1Рн203ФВ 64, 1Рн203ФВ34, 1Рн203ФВ.574);
- ножное управление (1Рн203Н.44, 1Рн203.Н.64, 1Рн203.Н.34, 1Рн203Н 574, 1Рн203.ФН.44, 1Рн203ФН 64, 1Рн203ФН34, 1Рн203ФН.574);
- механическое от кулачка (1Рн203К.44, 1Рн203.К.64, 1Рн203К.34, 1Рн203К 574, 1Рн203.ФК.44, 1Рн203ФК 64, 1Рн203ФК34, 1Рн203ФК.574);
- механическое от тяги (1Рн203М.44, 1Рн203М.64, 1Рн203.М34, 1Рн203М 574, 1Рн203.ФМ.44, 1Рн203ФМ64, 1Рн203ФМ34, 1Рн203ФМ 574).
Соединение линий Х-Р в гидрораспределителях 1Рн203, 1Рн323 возможно только при давлении на входе гидрораспределителя не более чем 25 МПа, в противном случае необходимо применять клапан соотношения давлений (модульная плитка толщиной 25 мм), который снижает давление управления, и оговаривать при заказе рабочее давление на входе 32 МПа. При соединенных линиях Х-Р для гидрораспределителей 14, 54, 64, 64А, 104, 124, 154, 574, 574Д, 15, 55, 65, 65А и 574 исполнений по гидросхемам, подпор в сливной линии должен быть меньше чем 1,4 МПа.
Не допускается соединение линий Y-T при давлении в линии Т более 6 МПа, а также для схем, указанных выше, при объединенных линиях Х-Р (если линии X н Р не объединены, давление управления должно превышать давление в линии Т не менее, чем на 1,4 МПа) Для объединения линий управления с основными следует демонтировать пробки (К1/8).
Для уплотнения стыковой плоскости гидрораспределителей 1Рн203, 1Рн323 используются кольца уплотнительные по ГОСТ 9833-73.
Структура условного обозначения по ТУ2-053-1846-87 гидрораспределителей 1Рн203, 1Рн323
1 | 2 | 3 | 4 | . | 5 | 6 | 7 | 8 |
1 | Рн | ХХ | 3 | Х | Х | ХХ | УХЛ4 |
| 1 | Тип конструкции | 1 |
| 2 | Тип устройства | Гидрораспределитель золотниковый с непосредственным управлением |
| 3 |
Условный проход, мм |
20 32 |
| 4 | Давление на входе | 3 - 32 МПа |
| 5 | Способ установки золотника |
Ф - фиксация золотника не обозначается - пружинный возврат |
| 6 | Вид управления |
В - ручное Н - ножное К - от кулачка М - от тяги |
| 7 | Схема распределения потока рабочей жидкости | См. таблицу ниже |
| 8 | Климатическое исполнение | УХЛ4 |
Краткая техническая характеристика гидрораспределителей 1Рн323, 1Рн203
| Наименование | Способ управления | Ном. давление на входе, МПа | Условный проход, мм | Расход рабочей жидкости, л/мин | Схема возврата золотника | Масса не более, кг |
| Гидрораспределитель 1Рн203В (1Рн203-В) | ручной |
32 |
20 |
200 |
Пружинный возврат золотника | 15,9 |
| Гидрораспределитель 1Рн203Н (1Рн203-Н) | ножной | |||||
| Гидрораспределитель 1Рн203К | от кулачка | |||||
| Гидрораспределитель 1Рн203М (1Рн203-М) | от тяги | |||||
| Гидрораспределитель 1Рн203ФВ | ручной |
Фиксация золотника | ||||
| Гидрораспределитель 1Рн203ФН | ножной | |||||
| Гидрораспределитель 1Рн203ФК | от кулачка | |||||
| Гидрораспределитель 1Рн203ФМ | от тяги | |||||
| Гидрораспределитель 1Рн323В | ручной |
32 |
500 |
Пружинный возврат золотника |
44,0 | |
| Гидрораспределитель 1Рн323Н | ножной | |||||
| Гидрораспределитель 1Рн323К | от кулачка | |||||
| Гидрораспределитель 1Рн323М | от тяги | |||||
| Гидрораспределитель 1Рн323ФВ | ручной |
Фиксация золотника | ||||
| Гидрораспределитель 1Рн323ФН | ножной | |||||
| Гидрораспределитель 1Рн323ФК | от кулачка | |||||
| Гидрораспределитель 1Рн323ФМ | от тяги |
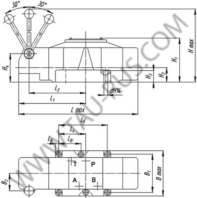
Габаритные и присоединительные размеры гидрораспределителей 1Рн203, 1Рн323
Габаритные размеры гидрораспределителей 1Рн203, 1Рн323
| Исполнение |
1Рн203-В | 1Рн323-В |
ВММ16 |
| L |
297 |
412 |
265 |
| L1 |
157 |
215,3 | 138 |
| L2 |
127 |
179,8 |
104,5 |
| L3 |
53,2 |
76,2 |
34,1 |
| L4 |
77 |
114,3 |
50 |
| L5 |
130 |
190,5 |
101,6 |
| L6 |
11 |
19,2 |
- |
| В |
114 |
197 |
91 |
| В1 |
92 |
159 |
69,9 |
| В2 |
33 |
38 |
34 |
| H |
330 |
418 |
218 |
| H1 |
115 |
160 |
100 |
| H2 |
45 |
60 |
34 |
| H3 |
38 |
44 |
43 |
| H4 |
68 |
92 |
50 |
| d |
13 |
21,5 |
11/6,6 |
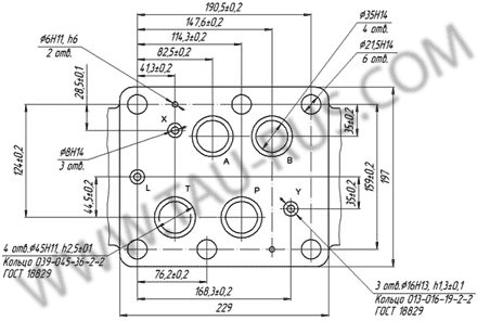
Рис. 1 Размеры 1Рн203 Ду=20мм

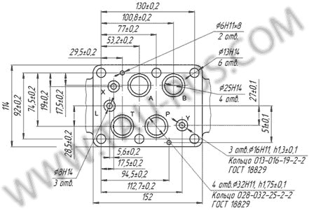
Рис. 2 Размеры 1Рн323 Ду=32мм
Примечания:
- отверстие L (слив утечек) - для исполнения с гидравлическим возвратом золотника;
- отверстие X - кроме гидрораспределителей с непосредственным управлением;
- отверстие Y - дренаж для исполнения 1Рн...
Схемы распределения потоков рабочей жидкостей в 1Рн203, 1Рн323 (Ду=20мм и Ду=32мм)

...jpg)