ИА-Д-С-02.01 - Гидроклапан наполнения нормально-открытый
ИА-Д-С-02.01 - Гидроклапан наполнения нормально-открытый
Гидроклапан наполнения нормально открытый ИА-Д-С-02.01
|
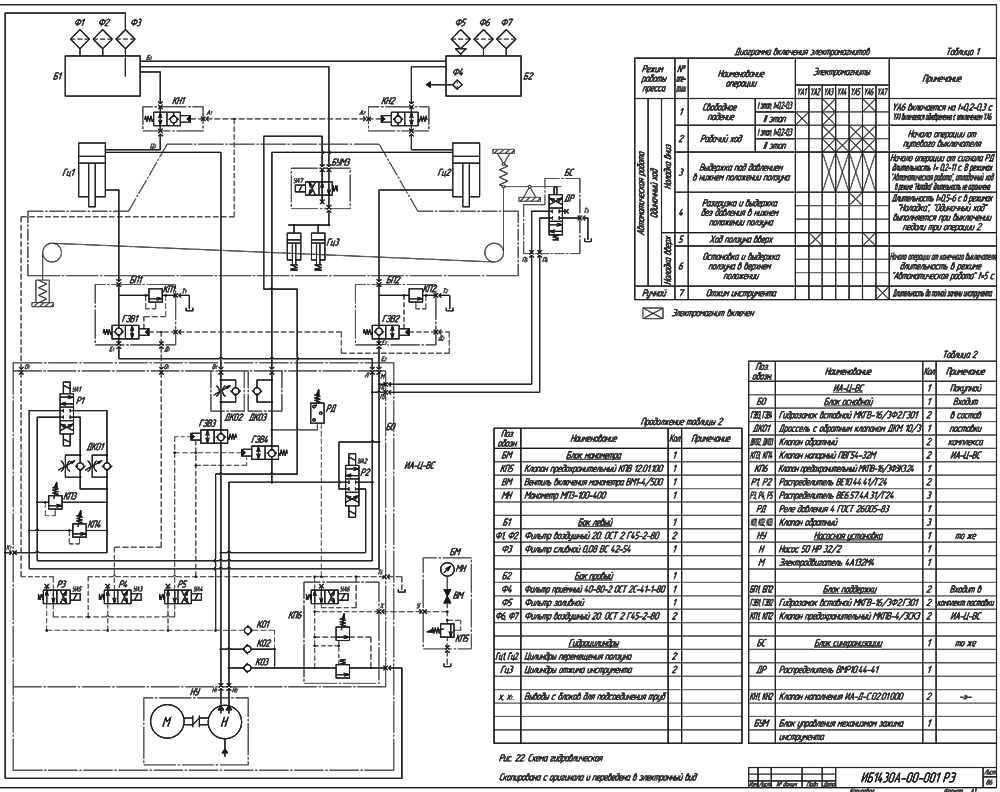
Клапаны наполнения ИА-Д-С-02.01 нормально открытого типа предназначены для пропускания больших объемов масла из бака наполнения в рабочий цилиндр и обратно во время холостого хода, когда давление управления к клапану не подано, и для герметичного разобщения полостей цилиндра и бака во время рабочего хода пресса, когда давление управления подано к клапану. Клапаны наполнения применяются в цикловых гидроприводах листогибочных прессов ИА1430, ИА1430А, ИБ1430А. Пример описания работы клапанов наполнения ИА-Д-С-02.01, входящих в состав блок синхронизации пресса листогибочного гидравлического ИБ1430А (смотри гидравлическую схему пресса ниже). "Рабочая жидкость из штоковых полостей гидроцилиндров, через открытые гидрозамки ГЗВ1 и ГЗВ2 (гидрозамок вставной МКГВ-16/3Ф2Г301), блоков поддержки, гидрораспределитель Р1 (распределитель ВЕ10.44.41/Г24) поступает на слив в бак, ползун движется вниз со скоростью холостого хода под собственным весом. Одновременно через нормально открытые клапаны наполнения КН1, КН2 (клапаны наполнения ИА-Д-С-02.01.000) рабочая жидкость из гидробаков поступает в поршневые полости гидроцилиндров и дополняет их, при этом насос (насос 50 НР 32/2) не разгружен и всасываемое им масло поступает через разгрузочно-предохранительный клапан КП6 (клапан предохранительный МКПВ-16/3Ф3К3.24) на слив в бак." |
Основные технические характеристики гидроклапана наполнения ИА-Д-С-02.01
| Параметры | |
| Клапан ИА-Д-С-02.01 | |
| Условный проход, мм | 50 |
| Давление нагнетания номинальное / максимальное, МПа | 32 / 35 |
| Расход рабочей жидкости номинальный / максимальный, л/мин | 295 / 370 |
| Габаритные размеры клапана, мм | 285*130*155 |
| Масса, кг | 20,0 |
Гидросхема пресса ИБ-1430А (на схеме КН1, КН2 - клапаны наполнения И-АД-С.02.01)
Для просмотра увеличенного изображения кликните по схеме
|
Пример условного обозначения при заказе клапанов наполнения с условным проходом 50 мм, рассчитанных на номинальное давление 32 МПа, функционально предназначенных для блока синхронизации в гидроприводе прессов:
Гидроклапан наполнения И-АД-С-02.01.001
Чтобы оплатить покупку в интернет-магазине достаточно добавить заинтересовавший вас товар в корзину и перейти на ее страницу. Далее останется заполнить контактную информацию и данные о доставке или возможности для самовывоза. Автоматически сформируется счет для оплаты.
Для подтверждения заказа с вами свяжется наш менеджер.
Подробнее о том, как оформить заказа, рассказали в разделе «Помощь».
Также оформить заказ можно напрямую по почте info@Tau-Rus.com, наши менеджеры оперативно ответят и помогут с подбором аналогов, если это необходимо.
Заказ, оформленный в интернет-магазине, вы можете получить двумя способами: через самовывоз с нашего склада или посредством услуг транспортной компании (на этапе оформления заказа вы можете выбрать наиболее удобный вариант и подходящую транспортную компанию).
Об условиях и возможностях доставки, рассказали в разделе «Помощь» - «Условия доставки».
