Размеры плиты PMD4-AL4G/10
|
Плита PMD4-AL4G/10 (код 1960981) выполнена по стандарту CETOP 4.2-4-05-350 и служит для монтажа гидрораспределителей и клапанов, выполненных по стандарту CETOP 05.
Максимально рабочее давление: 350 бар (35 МПа).
Присоединительные отверстия с боковой стороны. |
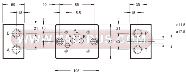
Размеры плиты PMD4-AI4G/10
|
|
Плита PMD4-AI4G/10 (код 1960961) выполнена по стандарту CETOP 4.2-4-05-350 и служит для монтажа гидрораспределителей и клапанов, выполненных по стандарту CETOP 03.
Максимально рабочее давление: 350 бар (35 МПа).
Присоединительные отверстия с боковой стороны. |
Примеры для заказа монтажных плит типа PMD4:
PMD4-AL4G/10_1960981 - Плита для распределителей и клапанов, CETOP 05, P-T-A-B = G1/2'', сбоку, сталь
PMD4-AI4G/20_1961271 - Плита для распределителей и клапанов, CETOP 05, P-T-A-B = G1/2'', снизу
