ПГ73-11(М), ПГ73-12(М) - Гидрораспределители стандартного исполнения и исполнения на плите


Гидрораспределители ПГ73-1 представлены в двух исполнениях - стандартном и на плите (в структуре условного обозначения указана буква М). В зависимости от исполнения, распределители отличаются внешним видом, техническими характеристиками, габаритными размерами.
Описание гидрораспределителей ПГ73-1М
Гидрораспределители ПГ73-11 – это золотниковые распределители с электромагнитным управлением. Данные распределители управляют направлением, пуском и остановкой потоков жидкости в соответствии со схемами распределения по ГОСТ 24679-81.
Наибольшее применение нашли в гидравлических приводах станков, прессов и других машин. Они могут быть использованы как пилоты в пилотных гидрораспределителях с электрогидравлическим управлением. В зависимости от исполнения могут иметь различные схемы распределения потока рабочей жидкости и применяться в системах с электромагнитным видом управления.
Данные распределители представляют собой гидрораспределитель ВЕ6 (ВЕ10) на переходной плите В6-73-11 (В10-73-12) и являются заменой ранее изготавливаемых заводом «Хидравлика» (Болгария).
Структура условного обозначения ПГ73-1М
|
1 |
2 |
3 |
4 |
5 |
6 |
. |
7 |
|---|---|---|---|---|---|---|---|
|
54 |
Б |
П |
Г73-1 |
1 |
М |
Г24 |
|
1 |
Схема распределения потока |
Для исполнения на плите:
14, 24, 34, 44, 54, 64 - четырехлинейные распределители Для стандартного исполнения :
14, 24, 34, 44, 54, 64 - четырехлинейные распределители |
|
2 |
Число электромагнитов |
Без индекса - 2 электромагнита |
|
3 |
Присоединение |
П - Стыковое |
|
4 |
Обозначение по классификатору станкостроения |
Г73-1 - Гидрораспределитель реверсивный с электроуправлением |
|
5 |
Условный проход |
1 – 8 мм |
|
6 |
Модификация |
Без обозначения – стандартное исполнение М - Исполнение на плите |
|
7 |
Напряжение |
Переменный ток: |
Технические характеристики ПГ73-1М
|
Модель |
ПГ73-11 |
ПГ73-12 |
|---|---|---|
|
Условный проход, мм |
8 |
10 |
|
Давление нагнетания, кгс/см2 |
315 |
315 |
|
Давление на сливе, кгс/см2 , не более |
160 |
160 |
|
Расход, л/мин:
- с электромагнитом постоянного тока |
80 |
120 |
|
Время срабатывания при номинальном режиме, мин.
- с электромагнитом постоянного тока |
35 |
35 |
|
Допустимые внутренние утечки при номинальном давлении, см3 /мин |
80 |
80 |
|
Номинальное напряжение питания, В
- постоянного тока |
12, 24, 48, 110, 220, |
|
Устройство и принцип работы ПГ73-1М (Исполнение - на переходной плите.)
В нейтральном положении золотник (3) удерживается возвратной пружиной (4) в исходной позиции. Золотник (3) приводится в действие работающими в масле электромагнитами (2). Для обеспечения безупречной работоспособности полость электромагнита должна быть наполнена маслом.
Усилие от магнита (катушки) (2) передается с помощью толкателя (5) на золотник (3) и перемещает его из нейтральной позиции в нужное конечное положение. Благодаря этому реализуется необходимое направление движения объемного потока рабочей жидкости от P к A и от B к T или от P к B и от A к T. После отключения электромагнита (2) золотник (3) перемещается при помощи возвратной пружины (4) в свое исходное положение. В качестве дополнительной возможности применяется ручное дублирование (6), при помощи которого можно перемещать золотник (3) без возбуждения электромагнита.
Устройство и принцип работы ПГ73-1 (Стандартное исполнение)
Управление золотником (8) происходит путем подачи напряжение на электромагнит (4), который генерирует магнитное поле и воздействует на золотник (8) через толкатель (11). Благодаря этому поток масла движется в необходимом направлении: от P к A и от B к T или от P к B и от A к T. При отключении электромагнита (4) пружина (3) возвращает золотник (8) в исходное положение.
Двухпозиционные гидрораспределители 54БПГ73-11 могут иметь возможность фиксации золотника (8) в крайнем положении, что позволяет не держать электромагнит (4) длительное время под напряжением после перемещения золотника (8). Если фиксация отсутствует, после отключения электромагнита (4) возврат золотника (8) в исходное положение осуществляется благодаря пружине (3), как и в трехпозиционных схемах. Дренаж утечек рабочей среды из торцевых полостей золотника (8) происходит через дренажное отверстие (10).
Схемы распределения потоков рабочей жидкости ПГ73-1М
|
Схема |
Условные графические обозначения распределителей |
Соединение каналов при среднем положении золотника |
|
|---|---|---|---|
|
Четырехлинейные |
Пятилинейные |
||
|
1 |
14ПГ73-11 |
15ПГ73-11 |
Обе полости цилиндра и напорная линия соединены со сливом |
|
2 |
24ПГ73-11 |
25ПГ73-11 |
Обе полости цилиндра соединены с напорной линией, слив заперт |
|
3 |
34ПГ73-11 |
35ПГ73-11 |
Обе полости цилиндра соединены со сливом, нагнетательная линия заперта |
|
4 |
44ПГ73-11 |
45ПГ73-11 |
Обе полости цилиндра, нагнетательная линия и слив заперты |
|
5 |
54ПГ73-11 |
55ПГ73-11 |
Среднего положения нет |
|
5А |
![]() 54БПГ73-11 |
55БПГ73-11 |
Среднего положения нет |
|
6 |
64ПГ73-11 |
65ПГ73-11 |
Обе полости цилиндра заперты, нагнетательная линия соединена со сливом |
Таблица замен ПГ73-1М
|
14ПГ73-11М |
14ПГ73-11 |
ВЕ6.14 + плита В6-73-11 |
|
24ПГ73-11М |
24ПГ73-11 |
ВЕ6.24 + плита В6-73-11 |
|
34ПГ73-11М |
34ПГ73-11 |
ВЕ6.34 + плита В6-73-11 |
|
44ПГ73-11М |
44ПГ73-11 |
ВЕ6.44 + плита В6-73-11 |
|
45ПГ73-11М |
45ПГ73-11 |
ВЕ6.44 + плита В6-73-11 |
|
54ПГ73-11М |
54ПГ73-11 |
ВЕ6.574А.ОФ + плита В6-73-11 |
|
54БПГ73-11М |
54БПГ73-11 |
ВЕ6.574А + плита В6-73-11 |
|
64ПГ73-11М |
64ПГ73-11 |
ВЕ6.64 + плита В6-73-11 |
|
14ПГ73-12М |
14ПГ73-12 |
ВЕ10.14 + плита В10-73-12 |
|
24ПГ73-12М |
24ПГ73-12 |
ВЕ10.24 + плита В10-73-12 |
|
34ПГ73-12М |
34ПГ73-12 |
ВЕ10.34 + плита В10-73-12 |
|
44ПГ73-12М |
44ПГ73-12 |
ВЕ10.44 + плита В10-73-12 |
|
45ПГ73-12М |
45ПГ73-12 |
ВЕ10.44 + плита В10-73-12 |
|
54ПГ73-12М |
54ПГ73-12 |
ВЕ10.574А.ОФ + плита В10-73-12 |
|
54БПГ73-12М |
54БПГ73-12 |
ВЕ10.574А + плита В10-73-12 |
|
64ПГ73-12М |
64ПГ73-12 |
ВЕ10.64 + плита В10-73-12 |
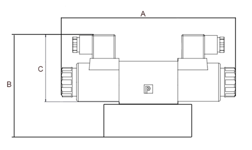
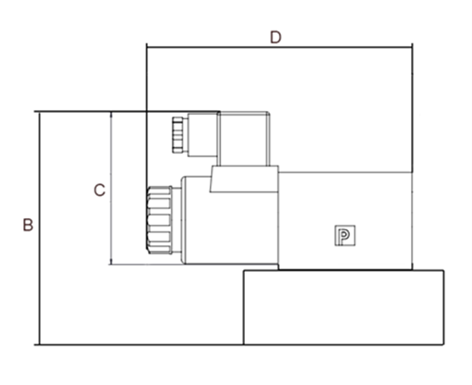
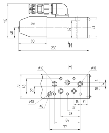
Габаритные и присоединительные размеры ПГ73-1М (Исполнение на плите)


|
Модель |
A |
B |
C |
D |
|
ПГ73-11 (с двухсторонним электромагнитным управлением) |
208 |
120,5 |
82,5 |
- |
|
ПГ73-12 (с двухсторонним электромагнитным управлением) |
291 |
143,4 |
95 |
- |
|
БПГ73-11 (с односторонним электромагнитным управлением) |
- |
120,5 |
82,5 |
138,5 |
|
БПГ73-12 (с односторонним электромагнитным управлением) |
- |
152 |
95 |
195,6 |
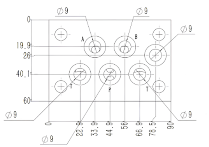
Монтажная поверхность гидрораспределителей ПГ73-1М (Исполнение на плите)


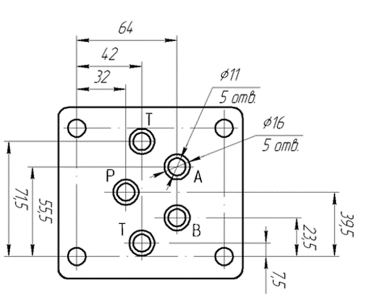
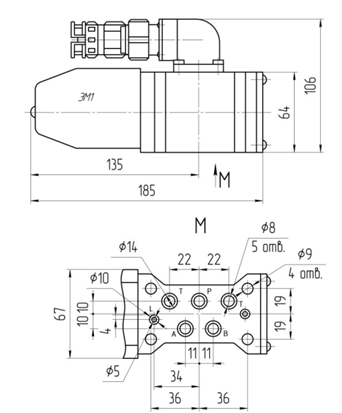
Монтажная поверхность гидрораспределителей ПГ73-1М (Стандартное исполнение)




