Описание агрегатов насосных без электродвигателя ДБГ11-11*, ДВГ11-11*
Предназначены для нагнетания постоянного по величине и направлению масляного потока с кинематической вязкостью от 10 до 400 мм2/с при температуре масла 10...55°С в смазочные системы станков и других стационарных машин.
Насосы ДБГ11-11*, ДВГ11-11* обеспечивают давление на выходе до 0,5 МПа.
Структура условного обозначения
|
1 |
- |
2 |
3 |
4 |
|
ДВГ11 |
1 |
1 |
А |
| 1 | Исполнение насоса по креплению |
ДВГ11 = агрегат с муфтой и фланцевым креплением (без электродвигателя) ДБГ11 = агрегат с муфтой, имеющим лапы (без электродвигателя) |
| 2 | Группа насоса | 1 |
| 3 | Типоразмер | 1 |
| 4 | Исполнение насоса с уменьшенной номинальной подачей |
А = уменьшенная подача не менее 5 л/мин Б = уменьшенная подача не менее 3 л/мин без обозначения = номинальная подача не менее 8.0 л/мин |
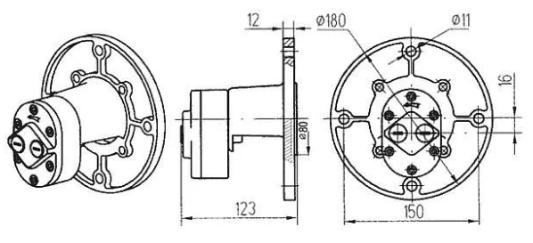
Габаритные и присоединительные размеры

Параметры насосов ДБГ11-11*, ДВГ11-11* (агрегаты без двигателя)
|
Параметр |
Наименование |
||
|
ДБГ11-11 |
ДБГ11-11А |
ДБГ11-11Б |
|
|
Рабочий объём, см3 |
8,0 |
5,0 |
3,0 |
|
Номинальная подача, не менее, л/мин |
8,0 |
5,0 |
3,0 |
|
Давление на выходе номинальное, МПа |
0,5 |
0,5 |
0,5 |
|
Давление на входе номинальное, МПа |
Минус 0,02 |
||
|
Частота вращения, с-1 |
|
|
|
|
Коэффициент подачи, не менее, % |
76 |
74 |
69 |
|
Номинальная мощность электродвигателя, кВт |
0,25 |
||
|
Масса, не более, кг |
2,2 |
||
