|
|
Описание гидроклапанов MCD
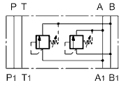
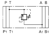
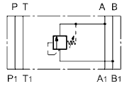
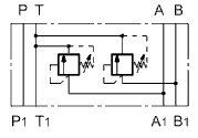
Клапан MCD является перепускным предохранительным клапаном прямого действия в модульном исполнении с монтажной поверхностью, соответствующей стандартам CETOP и ISO. Клапан может быть смонтирован со всеми модульными клапанами CETOP 03 без использования трубопроводов, а только с помощью соответствующих шпилек или болтов. Данный клапан доступен в вариантах для одиночного регулирования на одной контролируемой магистрали и для двойного регулирования на двух контролируемых магистралях с четырьмя различными диапазонами регулирования давления. Этот клапан обычно используется в качестве ограничителя давления в гидравлической системе или ограничителя перепадов давления, возникающих в ходе работы гидравлических исполнительных механизмов. Обычно клапан поставляется в исполнении с регулировочным винтом с шестигранной головкой и стопорной гайкой, а также с ограничением максимального хода регулирования.
Конфигурации: (смотрите таблицу обозначений на гидравлических схемах)
Гидравлические жидкостиИспользуйте гидравлические жидкости на основе минеральных масел с добавлением применимых антивспенивателей и антиоксидантов. По поводу использования других типов жидкостей (водно-гликолевые растворы, фосфатные эфиры и т.п.) проконсультируйтесь, пожалуйста, в нашем отделе технической поддержки. |
Структура обозначения и параметры
Габаритные и монтажные размеры клапанов предохранительных Duplomatic MCD
Габаритные и монтажные размеры гидродросселей MCD*, размер CETOP 03 (Ду = 10 мм)
|
Диаграммы характеристик
|
В соответствии с диапазонами регулирования (настройки) давления, компания ООО "Таурус" поставляет следующие клапаны MCD:
- клапаны MCD2-SB, MCD2-SAT, MCD2-SBT, MCD2-ST, MCD2-D, MCD1-DT - регулирование давления до 25 бар (2,5 МПа);
- клапаны MCD3-D/50, MCD3-DT/51/N, MCD3-SB/59, MCD3-SAT, MCD3-SBT, MCD3-ST для регулирования давления до 70 бар (7,0 МПа);
- клапаны предохранительные MCD4-SB/51/N, MCD4-SAT/51/N, MCD4-SBT/510/N/K, MCD4-ST, MCD4-D/51N/K, MCD4-DT - давления до 140 бар (14,0 МПа);
- клапаны перепускные MCD5-SB, MCD5-SAT, MCD5-SBT, MCD5-ST/51/N, MCD5-D, MCD5-DT/51/V - диапазон давления до 210 бар (21 МПа);
- клапаны предохранительные MCD6-SB/51/N, MCD6-SAT/51N, MCD6-SBT/50/N/K, MCD6-ST, MCD6-D/51N/K, MCD6-DT/51/N - давления до 350 бар (35,0 МПа);

Клапан предохранительный MCD5-DT/51N/K
Устройство предохранительного клапана MCD
Монтажная поверхность МСD (CETOP-03)
Габаритные и монтажные размеры гидродросселей MCD*, размер CETOP 03 (Ду = 10 мм)