Сначала популярные
Загрузить еще
1
2
Пневмораспределитель 104.22.6.25.LC, 104.32.6.25.LC, 104.22.6.25.PC, 104.32.6.25.PC, 104.22.6.25.LA и т.д.
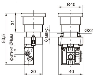
2/2 - 3/2 Кнопка-"грибок" 2-х позиционная (аварийная)![]() 2/2 - 3/2 Кнопка-"грибок" 2-х позиционная (аварийная) |
2/2 - 3/2 Кнопка-"грибок" 2-х позиционная (аварийная) двухлинейная и трёхлинейная имеет массу 65 г и усилие переключения 19 Н. Варианты исполнения присоединения сбоку или снизу и схемы переключений 2/2 и 3/2 приведены на следующих схемах:
Расшифровка маркировки:
Примеры условного обозначения:
Пневмораспределитель 104.22.6.25.LC
|
||||||||||||||||||||||||||||||||||||||||||||||||||||||||||||||||||||

