ГЗМ-16/3А - Гидрозамок
ГЗМ-16/3А - Гидрозамок, ДУ=16мм, ном. давление 32 Мпа, запирание в линии А
Описание гидрозамков модульных ГЗМ-16/3A
Гидрозамки ГЗМ-16/3A служат для свободного пропускания потока рабочей гидравлической жидкости в одном направлении и запирания - в обратном направлении при отсутствии управляющего воздействия и свободного пропускания потока в обоих направлениях при наличии управляющего воздействия.Область применения - гидроприводы прессов, станков, литейных и литьевых машин, мобильной техники и другого гидрофицированного оборудования.
Условное графическое обозначение замков ГЗМ-16/3A

Структура условного обозначения
1 |
- |
2 |
/ |
3 |
4 |
5 |
ГЗМ |
16 |
3 |
|
A |
1 |
Тип детали |
ГЗМ - Модульный гидрозамок |
2 |
Условный проход, мм |
6 |
3 |
Номинальное давление на входе |
3 = 32 МПа |
4 |
Исполнение |
Без обозначения = стандартное исполнение М = модернизированный (см. пояснение ниже) |
5 |
Функциональные порты |
Без обозначения = А и В |
Основные характеристики гидрозамков ГЗМ
Наименование |
Обозначение |
|||
ГЗМ6/3 (ГЗМ6/3М) |
ГЗМ10/3 (ГЗМ10/3М) |
ГЗМ16/3 (ГЗМ16/3М) |
ГЗМ20/3 (ГЗМ20/3М) |
|
Условный проход |
6 мм |
10 мм |
16 мм |
20 мм |
Давление на входе, МПа: |
32 |
|||
Давление открывания, МПа |
0.05 |
|||
Расход рабочей жидкости, л/мин: |
32 |
63 |
125 |
200 |
Соотношение рабочих площадей: |
4:1 |
4:1 |
13:1 |
30:1 |
Конструкция гидрозамка ГЗМ

В расточках корпуса установлены поршень (толкатель) и запорные элементы, связанные с гидролинией A, гидролиния B - заглушена .
Для повышения соотношения рабочих площадей при использовании дифференциальных гидроцилиндров в запорных элементах гидрозамков могут устанавливаться вспомогательные клапаны (декомпрессоры).
В маркировке гидроклапанов ГЗМ ранее использовалась буква «М», что обозначает применение модернизированной конструкции, в которой имеется четыре линии вместо ранее использованных пяти. В настоящее время ГЗМ с пятью линиями больше не производятся, и букву «М» в обозначениях сократили.
Принцип работы гидрозамков ГЗМ-16/3A
Гидрозамки ГЗМ-16/3A запирают жидкость в рабочей линии A, при падении давления в гидравлической системе. Линии P и T, используются для сквозного прохода рабочей жидкости от других аппаратов. Гидравлические замки позволяют надёжно запирать полости цилиндра как при случайном падении давления в гидроприводе, так и при остановке цилиндра в промежуточном положении.
В большинстве случаев гидрозамки устанавливаются между гидрораспределителем и монтажной плитой и уплотняются в сборе уплотнительными кольцами круглого сечения, размещенными в цековках корпуса.
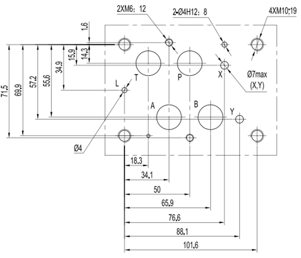
Присоединительные размеры гидрозамков ГЗМ-16/3A

Габаритные размеры гидрозамков ГЗМ-16/3A

Чтобы оплатить покупку в интернет-магазине достаточно добавить заинтересовавший вас товар в корзину и перейти на ее страницу. Далее останется заполнить контактную информацию и данные о доставке или возможности для самовывоза. Автоматически сформируется счет для оплаты.
Для подтверждения заказа с вами свяжется наш менеджер.
Подробнее о том, как оформить заказа, рассказали в разделе «Помощь».
Также оформить заказ можно напрямую по почте info@Tau-Rus.com, наши менеджеры оперативно ответят и помогут с подбором аналогов, если это необходимо.
Заказ, оформленный в интернет-магазине, вы можете получить двумя способами: через самовывоз с нашего склада или посредством услуг транспортной компании (на этапе оформления заказа вы можете выбрать наиболее удобный вариант и подходящую транспортную компанию).
Об условиях и возможностях доставки, рассказали в разделе «Помощь» - «Условия доставки».