![]() Питатель МГО-3, МГК-3 |
Питатели последовательные МГО и МГК, являясь наверное самыми габаритными из предлагаемых, служат для подачи смазочного материала к трущимся парам узлов и механизмов машин. Номинальный подаваемый объем смазки каждой промежуточной секцией составляет от 2,4 до 19,2 см³ в один отвод за цикл. В зависимости от объема подаваемого смазочного материала за цикл, промежуточные секции (расположенные между входной и выходной секциями) имеют следующее обозначение: 150Д, 150Е, 300Д, 300Е, 450Д, 450Е, 600Д, 600Е. Любая из них может быть укомплектована шток-индикатором, на наличие которого указывает литера «А» (слева, если смотреть на лицевую сторону питателя, когда вход сверху) или «В» (справа, если смотреть на лицевую сторону питателя, когда вход сверху), например: 300ДВ, 450ДА, 300ЕВ. Примечание: в секциях 150Д и 150Е питателей МГО шток-индикатор не устанавливается. Пошаговая работа в определённой последовательности секций питателей МГК и МГО позволяет централизованно контролировать подачу смазочного материала и использовать питатель в качестве основного распределительного устройства в адаптивных смазочных системах. Примечания:
1. Цикл работы питателя характеризуется подачей смазочного материала в каждый отвод питателя за один двойной ход золотника каждой секции. |
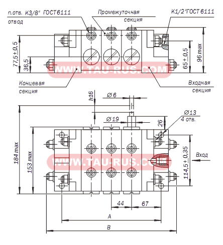
Размеры и параметры питателей МГО и МГК
![]() Размеры питателей МГО, МГК |
Технические параметры питателей типа МХ
|
||||||||||||||||||||||||||||||||||||||||||||||||||||||||||||||||
Пример условного обозначения питателя исполнения МГО с тремя промежуточными секциями: первая секция 150Д (с номинальным подаваемым объёмом 2,4 см³, с двумя отводами), вторая секция 300Д (с номинальным подаваемым объёмом 4,8 см³, с двумя отводами), третья 300ЕА (с номинальным подаваемым объёмом 9,6 см³, с одним отводом и шток-индиктором расположенным слева), предназначенного для работы в районах (странах) с умеренным климатом, категория размещения 4: Питатель МГО-3 (150Д-300Д-300ЕА) УХЛ4 ТУ У 054 09685.004-2000


