Насос пластинчатый НПл 12,5/6.3
|
Насосы пластинчатые однопоточные НПл (НПл-8/6.3, НПл-12,5/6.3, НПл 16/6,3, НПл 25/6,3, НПл-32/6,3, НПл-40/6,3) (насосы лопастные) давления 6,3 МПа, габарита 1 применяются в гидроприводах металлорежущих станков и других машин, где требуется нерегулируемый по величине поток минерального масла. Температура -10 до +60 °С. Тонкость фильтрации масла 25 мкм.
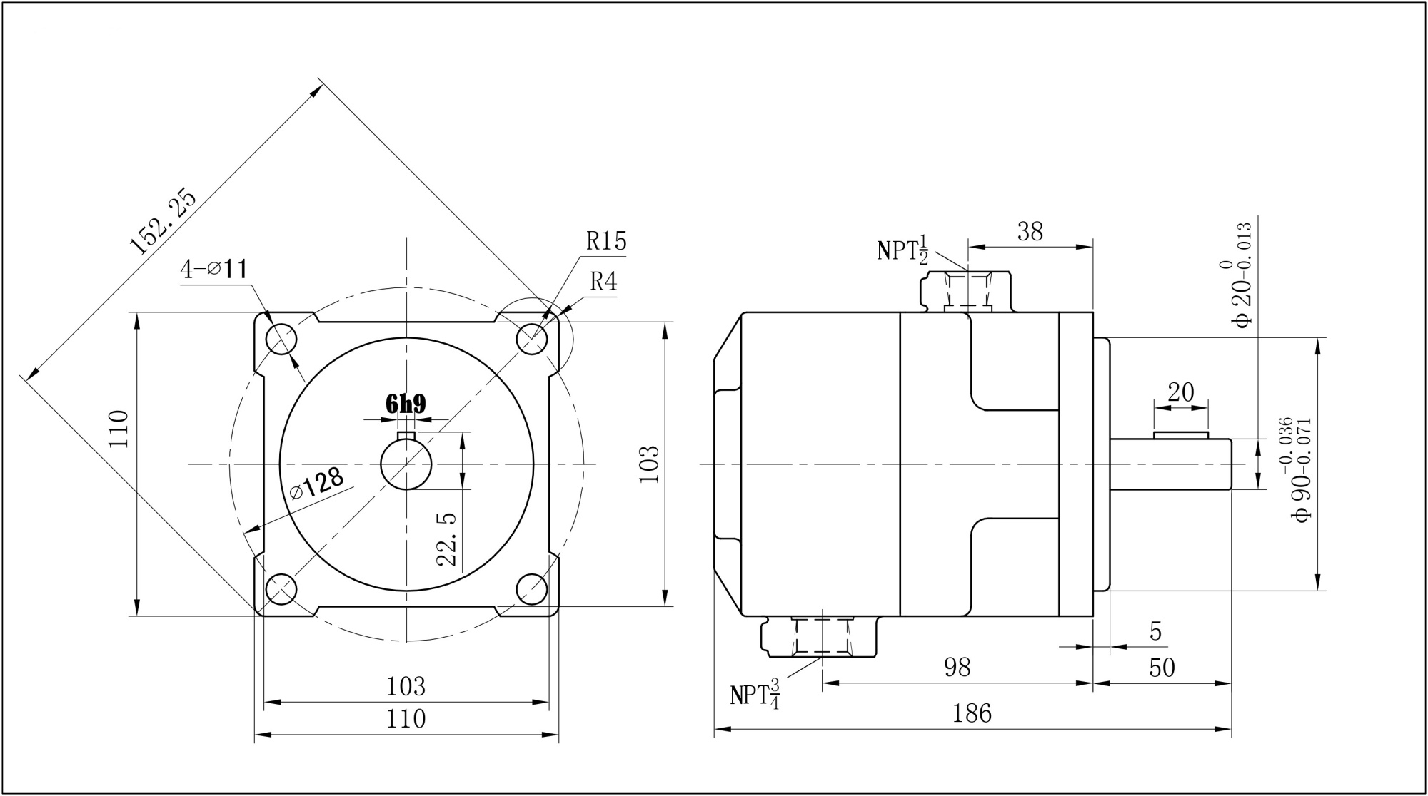
Частота вращения насосов НПл давления 6,3 МПа габарита 1 - 960 об/мин. Направление вращения - правое (по часовой стрелке со стороны привода). При необходимости насосы пластинчатые однопоточные НПл-(8, 12.5, 16, 20, 32,40)/6.3 давления 6,3 МПа габарита 1 могут быть изготовлены с левым направлением вращения вала. Размеры насосов НПл-(8, 12.5, 16, 20, 32,40)/6.3
|
|||
Основные параметры насосов НПл-(8, 12.5, 16, 20, 32,40)/6.3
|
Название (старое название) |
Номинальное давление на выходе, МПа | Номинальная подача, л/мин | Номинальный рабочий объем, см3 | Номинальная частота вращения, об/мин | Номинальная мощность, кВт | Масса, кг |
Подробное описание:
Насос НПл-8/6,3 |
|
| Насос НПл-8/6,3 (Г12-31АМ) | 6,3 | 5,8 | 8 | 960 | 1,04 | 9,7 | ||
| Насос НПл-12,5/6,3 (Г12-31М) | 9,7 | 12,5 | 1,6 | |||||
| Насос НПл-16/6,3 (Г12-32АМ) | 12,7 | 16 | 1,9 | |||||
| Насос НПл-25/6,3 (Г12-32М) | 21,1 | 25 | 2,8 | |||||
| Насос НПл-32/6,3 (Г12-33АМ) | 27,9 | 32 | 3,6 | |||||
| Насос НПл-40/6,3 (Г12-33М) | 35,7 | 40 | 4,3 |
Насос пластинчатый НПл-8/6,3 (Г12-31АМ)
|
Насос НПл-8/6,3 предназначен для для установки в гидравлических приводах металлорежущих станков, прессов и другого оборудования, в котором необходимо обеспечить нерегулируемый по величине поток масла с постоянным давлением.
Основные параметры лопастного (пластинчатого) насоса НПл 8/6,3:
Насосы НПл 8/6,3 могут поставляться с правым (по часовой стрелке со стороны вала) и левым направлением вращения вала. |
Насос пластинчатый НПл-12,5/6,3 (Г12-31М)
|
Насос НПл-12,5/6,3 устанавливаются в гидроприводах станков, прессов и другого гидрофицированного оборудования и обеспечивают постоянный, нерегулируемый поток рабочей жидкости с постоянным давлением.
Основные параметры лопастного (пластинчатого) насоса НПл 12,5/6,3:
Насосы НПл 12,5/6,3 могут поставляться с правым (по часовой стрелке со стороны вала) и левым направлением вращения вала. |
Насос пластинчатый НПл-16/6,3 (Г12-32АМ)
|
Насос НПл-16/6,3 предназначен для подачи постоянного по давлению и величине потоку гидравлической жидкости в приводах прессов, металлорежущих станков, и обеспечивают нерегулируемый по величине поток масла.
Основные параметры лопастного (пластинчатого) насоса НПл 16/6.3:
Насосы НПл 16/6,3 могут поставляться с правым (по часовой стрелке со стороны вала) и левым направлением вращения вала. |
Насос пластинчатый НПл-25/6,3 (Г12-32М)
|
Насос НПл-25/6,3 предназначен для для установки в гидравлических приводах металлорежущих станков, прессов и другого оборудования, в котором необходимо обеспечить нерегулируемый по величине поток масла с постоянным давлением.
Основные параметры лопастного (пластинчатого) насоса НПл 25/6.3:
Насосы НПл 25/6,3 могут поставляться с правым (по часовой стрелке со стороны вала) и левым направлением вращения вала. |
Насос пластинчатый НПл-32/6,3 (Г12-33АМ)
|
Насос НПл-32/6,3 обеспечивают нерегулируемый, но постоянный потока масла с константной величиной давления. Устанавливаются на гидростанции и привода оборудования различного назначения
Основные параметры лопастного (пластинчатого) насоса НПл 32/6.3:
Насосы НПл 32/6,3 могут поставляться с правым (по часовой стрелке со стороны вала) и левым направлением вращения вала. |
Насос пластинчатый НПл-40/6,3 (Г12-33М)
|
Насос НПл-40/6,3 предназначен для для установки в гидравлических приводах металлорежущих станков, прессов и другого оборудования, в котором необходимо обеспечить нерегулируемый по величине поток масла с постоянным давлением.
Основные параметры лопастного (пластинчатого) насоса НПл 40/6.3:
Насосы НПл 40/6,3 могут поставляться с правым (по часовой стрелке со стороны вала) и левым направлением вращения вала. |
Для заказа насоса пластинчатого НПл Вы можете связаться с нами по телефонам, указанным в правом верхнем углу страницы, или прислать запрос на info@tau-rus.com.
В заказе необходимо правильно указывать маркировку насоса пластинчатого НПл давления 6,3 МПа габарита 1:
Насос пластинчатый НПл 8/6,3 УХЛ4;
Насос пластинчатый НПл 12,5/6,3 УХЛ4;
Насос пластинчатый НПл 16/6,3 УХЛ4;
Насос пластинчатый НПл 20/6,3 УХЛ4;
Насос пластинчатый НПл 32/6,3 УХЛ4;
Насос пластинчатый НПл 40/6,3 УХЛ4

Насос пластинчатый НПл 12,5/6.3
