Описание насосов шестеренных НШ50
Насосы НШ 50-4 и НШ 50А-3 выпускается как левого, так и правого вращения, в зависимости от сборки. Левого вращения – вращение ведущего ротора против часовой стрелки, правого вращения – вращение ведущего ротора по часовой стрелке, если смотреть со стороны привода.
Пример условного обозначение насоса:
Насос НШ50А-3 Л, где:
НШ - насос шестеренный;
50 - рабочий объем насоса (см³);
А - условное обозначение завода-изготовителя;
3 - номинальное давление 16 МПа на выходе насоса;
Л - направление вращения ведущего ротора, левое, если смотреть со стороны привода (правое – не обозначается).
Перед монтажом насоса НШ50 проверьте совпадает ли направление вращения вала ведущей шестерни, которое указано на крышке насоса, с направлением вращения привода (выходного вала редуктора, электродвигателя и т. п.). Привод должен исключать передачу радиальных н осевых усилий на ведущий вал насоса, а также обеспечивать возможность его радиальных перемещений до 0,3 мм.
Крепление насосов НШ50-4, НШ50А-3 к корпусу привода осуществляется с помощью четырех болтов или шпилек с гайками М10, которые должны быть надежно затянуты н предохранены от самоотвинчивания. Всасывающая н напорная гидролиния присоединяются к насосу НШ 50 при помощи фланцев с уплотнительными кольцами.
Насос НШ50У-3 полностью взаимозаменяем с аналогичными насосами других производителей - НШ50В, НШ50УК, НШ50УЖ-3Б
Основные технические характеристики насосов НШ-50-4, НШ-50А-3, НШ-50-4Л, НШ-50А-3Л
|
Параметр |
Насос НШ50-4 |
Насос НШ50-4Л |
Насос НШ50А-3 |
Насос НШ50А-3Л |
|
Рабочий объём (± 3%), см³ |
50 |
|||
|
Направление вращения вала |
правое |
левое |
правое |
левое |
|
Номинальное давление на выходе, МПа |
20 |
16 |
||
|
Номинальная частота вращения вала, с-1 |
40 |
|||
|
Номинальная объёмная подача, л/мин |
68,6 |
|||
|
Давление на входе мин. / макс., МПа |
0,018 / 0,15 |
|||
|
Коэффициент подачи не менее |
0,94 |
|||
|
Коэффициент полезного действия не менее |
0,83 |
|||
|
Номинальное мощность, кВт |
51,9 |
61,5 |
||
|
Температура окружающей среды, °C |
-50...+60 |
|||
|
Номинальная кинематическая вязкость рабочей жидкости, мм²/с |
30...40 |
55...70 |
||
|
Масса шестерённого насоса не более, кг |
8,0 |
|||
Применяемость и установочные размеры насосов НШ 50
|
Применяемость |
Установочные размеры |
|
|
Насос НШ50А |
Тракторы: ДТ-175, Т-250, Т-180. Погрузчики: ПЭА-1,0, ЭО-2628. С/х машины: ПНД-250, РЖУ-3,6, МКО-3, ПГХ-0.5, ПГ-02А. Автогрейдеры: ДЗ-140, Д-122. Автомобили: МоАЗ-546П/6014 |
- |
|
Насос НШ50АЛ |
Т-150, Т-150К, ТБ-1 всех мод, К-744Р, Т-4А, ТТ-4, Т-4АП2, ДТ-75, РКМ-6, ИРТ-165, ПГШ-1.06, СПС-4.2А КрАЗ, МоАЗ, БелАЗ 75481 |
|
|
Насос НШ50М-4 |
Тракторы: ДТ-175, Т-250, Т-180. Погрузчики: ПЭА-1,0, ЭО-2628. С/х машины: ПНД-250, РЖУ-3,6, МКО-3, ПГХ-0.5, ПГ-02А. Автогрейдеры: ДЗ-140, Д-122. Автомобили: МоАЗ-546П/6014 |
- |
|
Насос НШ50М-4Л |
Тракторы: Т-250, Т-150К, Т-150, ХТЗ-121, ХТЗ-200, ХТЗ-17021 и модиф., ТБ-1М. Автоскреперы: МоАЗ 6014. С/х машины: РКМ-6, СПС-4.2А. А/грейдеры:Д122. А/самосвалы: КрАЗ 6510/6510001, МАЗ 64227, БелАЗ 75406/75481 |
|
|
Насос НШ50У-3 |
ПЭА-1,0, БА-80М, ЭО-2628, ДЗ-140, ДЗ-98, ДЗ-180, МоАЗ-6014, БелАЗ-75406, БелАЗ-75481, МАЗ-5516 |
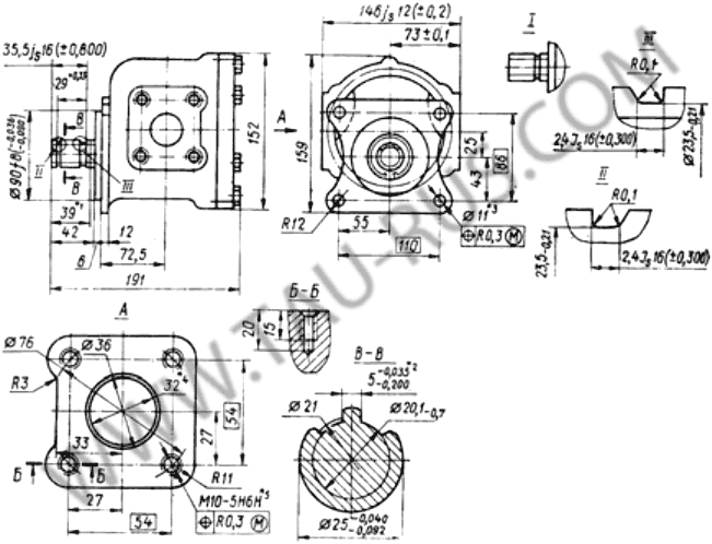
Установочные размеры насосов НШ50У-3, НШ50У-3Л
|
|
Насос НШ50У-3Л |
ТДТ-55, ЛХТ-55, ТБ-1, Т-150, ДТ-75, МоАЗ-4048, ДЗ-122, МЗТК, МАЗ-64227, СПС-4, 2А-02 |
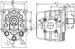
Габаритные и присоединительные размеры насосов НШ50-4, НШ50А-3, НШ50-4Л, НШ50А-3Л
летом — моторное масло М-10В2, зимой — моторные масла М-8Г1, М-8Г2;
для насосов 4-го исполнения (НШ 50-4) — моторные М-8В1, М-8В2, М-8Г1, М-8Г2, гидравлическое масло МГЕ-46В, индустриальные масла И-30А, И-40А, И-50А
В качестве рабочей жидкости могут применяться масла иностранных фирм.
