![]() Питатель МХ-3, МХО-3, 1МХ-3, МХК-3 |
Питатели последовательные смазочные МХ, МХО, 1МХ, МХК служат для подачи смазочного материала к трущимся парам узлов и механизмов машин. По своим габаритным размерам питатели типа МХ превосходят питатели типа МИ и М и осуществляют подачу большего количества смазки в места трения, номинальный подаваемый объем которой составляет от 0,4 (для промежуточных секций 25Д) до 4,8 (для секций 150Е) см³ в один отвод за цикл. Особенность работы питателей последовательных МХ, МХО, 1МХ, МХК является пошаговая работы промежуточных секций. Т.е. секции подают смазку в определённой последовательности, при которой подача к очередной точке не начинается, если смазка предыдущей не завершена. Данная особенность позволяет централизованно контролировать подачу смазочного материала и использовать питатель в качестве основного распределительного устройства в адаптивных смазочных системах. В зависимости от объема подаваемого смазочного материала за цикл, промежуточные секции (расположенные между входной и выходной секциями) имеют следующее обозначение: 25Д, 25Е, 50Д, 50Е, 75Д, 75Е, 100Д, 100Е,125Д, 125Е, 150Д, 150Е. Любая из перечисленных секций может быть укомплектована шток-индикатором, на наличие которого указывает литера «А» (слева, если смотреть на лицевую сторону питателя, когда вход сверху) или «В» (справа, если смотреть на лицевую сторону питателя, когда вход сверху), например: 50ДВ, 50ДА, 75ЕВ. Примечания: в секциях питателей МХО, МХ, 1МХ: 25Д, 25Е шток-индикатор не устанавливается. |
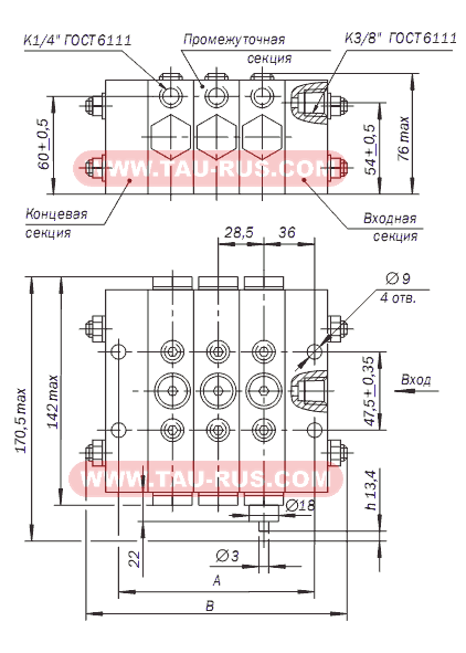
Размеры и параметры питателей МХ
![]() Размеры питателей МХ, МХО, 1МХ, МХК |
Технические параметры питателей типа МХ
|
||||||||||||||||||||||||||||||||||||||||||||||||||||||||||||||||||
Примечания:
1. Цикл работы питателя характеризуется подачей смазочного материала в каждый отвод питателя за один двойной ход золотника каждой секции.
2. Из отвода секции с маркировкой "Е" подача смазочного материала за цикл производится два раза.
3. Предпочтительное расположение промежуточных секций питателей МХО, МХ, 1МХ в порядке возрастания цифр условных обозначений типоразмеров (начиная от ближайшей к входу смазочного материала).
Пример условного обозначения питателя исполнения МХ с шестью промежуточными секциями: первая и вторая секции 50Д (с номинальным подаваемым объёмом 0,8 см³, с двумя отводами), третья секция 75Д (с номинальным подаваемым объёмом 1,2 см³, с двумя отводами), четвертая 125Е (с номинальным подаваемым объёмом 4,0 см³, с одним отводом); пятая 150Д (с номинальным подаваемым объёмом 2,4 см³, с двумя отводами); последняя шестая секция – 150ДА (с номинальным подаваемым объёмом 2,4 см³, с двумя отводами и шток-индиктором расположенным слева), предназначенного для работы в районах (странах) с умеренным климатом, категория размещения 4: Питатель МХ-6 (50Д-50Д-75Д-125Е-150Д-150ДА) УХЛ4 ТУ У 054 09685.004-2000


