Сначала популярные
Загрузить еще
1
2
Пневмораспределитель 104.52.6.28.L, 104.52.6.28.P, 104.53.32.6.28.0.L, 104.53.32.6.28.1.L, 104.53.32.6.28.0.P, 104.53.32.6.28.1.P и т.д.
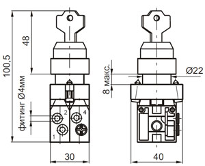
5/2 - 5/3 Переключатель с ключом, 2-х или 3-х позиционный![]() 5/2 - 5/3 Переключатель с ключом, 2-х или 3-х позиционный |
5/2 - 5/3 Переключатель с ключом, 2-х или 3-х позиционный пятилинейный двух- или трёхпозиционный имеет массу 155 г. Варианты исполнения присоединения сбоку или снизу и схемы переключений 5/2 и 5/3 приведены на следующих схемах:
Расшифровка маркировок:
Примеры условного обозначения:
Пневмораспределитель 104.52.6.28.L
|
|||||||||||||||||||||||||||||||||||||||||||||||||||||||||||||||||||||||||||||||||||||||||||||||||||||||||||||||||||||||||||||||||||||||||||||||||||||||||

