Сначала популярные																			
																	
								
							
			
				Загрузить еще			
		
				
			
															1
																				2
																			
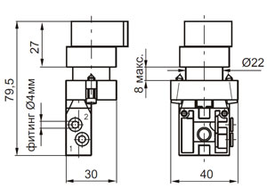
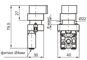
	Пневмораспределитель 104.22.6.27.LC, 104.32.6.27.LC, 104.22.6.27.PC, 104.32.6.27.PC, 104.22.6.27.LA и т.д.
| 2/2 - 3/2 Переключатель 2-х позиционный (длинная ручка) 2/2 - 3/2 Переключатель 2-х позиционный (длинная ручка) | 2/2 - 3/2 Переключатель 2-х позиционный (длинная ручка) двухлинейный и трёхлинейный имеет массу 65 г. Варианты исполнения присоединения сбоку или снизу и схемы переключений 2/2 и 3/2 приведены на следующих схемах: 
 Расшифровка маркировки: 
 Примеры условного обозначения: 
			 Пневмораспределитель 104.22.6.27.LC 
 
 | ||||||||||||||||||||||||||||||||||||||||||||||||||||||||||||||||||||
 
			 
			 
			