Сначала популярные																			
																	
								
							
			
				Загрузить еще			
		
				
			
															1
																				2
																			
	Пневмораспределитель 104.22.6.31.LC, 104.32.6.31.LC, 104.22.6.31.PC, 104.32.6.31.PC, 104.22.6.31.LA и т.д.
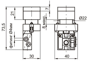
| 2/2 - 3/2 Кнопка 2-х позиционная (с фиксацией) 2/2 - 3/2 Кнопка 2-х позиционная (с фиксацией) | 2/2 - 3/2 Кнопка 2-х позиционная (с фиксацией) двухлинейная и трёхлинейная имеет массу 60 г и усилие переключения 18 Н. Варианты исполнения присоединения сбоку или снизу и схемы переключений 2/2 и 3/2 приведены на следующих схемах: 
 Расшифровка маркировки: 
 
 
 Примеры условного обозначения: 
			 Пневмораспределитель 104.22.6.31.LC 
 | ||||||||||||||||||||||||||||||||||||||||||||||||||||||||||||||||||||
 
			 
			 
			