Гидроклапан давления ПГ66-3 с обратным клапаном
Описание клапанов ПГ66-32М (34М, 35М), ПБГ66-34М (32М, 35М), ПВГ66-35М (32М, 34М), ПДГ66-32М (34М, 35М), ПАГ66-34М (32М, 35М)
Может использоваться в качестве предохранительного, переливного или редукционный клапана.
Клапаны ПГ66 (как и клапаны Г66 трубного монтажа) относятся к клапанам прямого действия, обычно устанавливаются и регулируют давление в основном (реже в управляемом) потоке рабочей жидкости, обеспечивают свободный ход потока в обратном направлении.
Эксплуатируются на чистых минеральных маслах с вязкостью от 20 до 22 мм²/с и температурой от 10 до 70 °C при температуре окружающей среды от 1 до 55 °C.
Указания по эксплуатации гидроклапанов давления ПГ66:
- перед запуском аппарата необходимо удалить воздух из системы;
- необходимо производить замену масла при изменении вязкости более чем на 20% от первоначального уровня;
- при эксплуатации количество воды в рабочей жидкости должно быть не более 0,05% по массе, а механических примесей – не более 0,005%;
- монтаж клапанов должен быть герметичным во избежание протечки масла и попадания воздуха в гидросистему;
- проходные сечения труб должны соответствовать диаметрам присоединительных отверстий, вмятины и сечения другого диаметра недопустимы;
- гидроклапаны необходимо встроить в систему таким образом, чтобы орган управления аппарата располагался в удобном для обслуживания, безопасном месте;
- после настройки аппарата необходимо опломбировать отверстия регулировочного узла диаметром 2 мм в колпачке и винте.
Условное обозначение клапана ПГ66
|
1 |
2 |
3 |
4 |
5 |
6 |
|
П |
* |
Г66-3 |
* |
М |
УХЛ4 |
| 1 | Исполнение по способу монтажа гидроклапана |
без индекса - трубный П - стыковой |
| 2 | Исполнение по давлению (диапазону настройки, МПа) |
А - 1 МПа (0,3-1,2) без индекса - 2,5 МПа (0,4-2,8) Б - 6,3 МПа (0,6-7,0) В - 10 МПа (1,2-11,2) Д - 20 МПа (4,0-23,0) |
| 3 | Обозначение типа гидроаппарата | Г66-3 |
| 4 | Условный проход |
2 - 10 мм 3 - 20 мм 5 - 32 мм |
| 5 | Исполнение | М - модернизированный |
| 6 | Климатическое исполнение по ГОСТ 15150 | УХЛ 4, 04.1 |
Характеристики гидроклапанов давления ПГ66 с обратным клапаном
|
Обозначение |
Условный проход, мм |
Давление настройки, МПа |
Диапазон настройки, МПа |
Номинальный расход, л/мин |
Присоединение |
Масса, кг |
| ПГ66-32 |
10 |
2,5 |
0,4-2,8 |
32 |
Стыковое |
2,7 |
| ПГ66-34 |
20 |
125 |
5,4 |
|||
| ПГ66-35 |
32 |
200 |
8,8 |
|||
| ПАГ66-32 |
10 |
1,0 |
0,3-1,2 |
32 |
2,7 |
|
| ПАГ66-34 |
20 |
125 |
5,4 |
|||
| ПАГ66-35 |
32 |
200 |
8,8 |
|||
| ПБГ66-32 |
10 |
6,3 |
0,6-7,0 |
32 |
2,7 |
|
| ПБГ66-34 |
20 |
125 |
5,4 |
|||
| ПБГ66-35 |
32 |
200 |
8,8 |
|||
| ПВГ66-32 |
10 |
10,0 |
1,2-11,2 |
32 |
2,7 |
|
| ПВГ66-34 |
20 |
125 |
5,4 |
|||
| ПВГ66-35 |
32 |
200 |
8,8 |
|||
| ПДГ66-32 |
10 |
20,0 |
4,0-23,0 |
32 |
2,7 |
|
| ПДГ66-34 |
20 |
125 |
5,4 |
|||
| ПДГ66-35 |
32 |
200 |
8,8 |
Примечание: литера "М" ("модернизированный") в обозначении может и отсутствовать в маркировке данного гидроклапана, например
- гидроклапан давления с обратным клапаном ПБГ66-34 УХЛ4 соответствует ПБГ66-34М УХЛ4
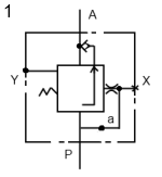
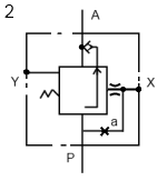
Устройство и принцип работы клапана ПГ66, ПАГ66, ПБГ66, ПВГ66, ПДГ66 (-32, -34, -35)
|
Схема гидроклапана |
Наличие пробок в каналах |
Описание работы |
|
|
X |
a |
||
|
Есть |
Нет |
Что бы клапан работал по первой или второй схеме, нужно установить в каналы пробки с конической резьбой. Это обеспечит требуемое соединение гидравлических линий внутри аппарата.
Внимание: |
|
Нет |
Есть |
|
Корпус II - ПДГ66-32М, ПДГ-34М, ПДГ66-35М.
В корпусе 1 гидроклапанов ПГ66-3 находятся золотник (2), который поджимается с торца пружиной (4), её усилие регулируется винтом (5), а так же обратный клапан (7), отжатый в крайнее положение пружиной (6). Винт (5) установлен в колпачке (3). Если рабочая жидкость подводится к отверстию P и отводится из отверстия A, то гидроклапан работает как клапан последовательности, если наоборот, то как обратный клапан.
Если гидроклапан работает по схеме 1:
гидравлическое масло, поступающее в напорное отверстие (Р) корпуса 1 проходит под торец золотника (2), через каналы (а) и (к) (демпфирующий канал для уменьшения колебаний золотника), при этом давление на золотник уравновешивается усилием ,создаваемым пружиной (4). При достижении в напорной линии (Р) давлении, определяемого усилием пружины (4) и давлением в линии (У), рабочая жидкость поступает в канал (а).
Если гидроклапан работает по схеме 2:
в канале (а) устанавливается пробка (8), а гидравлическое масло поступает под торец золотника (2) через канал (б) и демпфер (к), при этом давление на золотник уравновешивается усилием, создаваемым пружиной (4). При достижении в напорной линии (Р) давлении, определяемого усилием пружины (4) и давлением в линии (У), рабочая жидкость поступает в канал (а).
Размеры гидроклапанов стыкового монтажа ПГ66-3
Размеры клапана ПГ66, ПВГ66, ПБГ66, ПАГ66, ПДГ66

