МКПВ-32/3С3Р1.220 - Гидроклапан предохранительный
МКПВ-32/3С3Р1.220 - Гидроклапан предохранительный
Описание МКПВ-32/3С3Р1.220 - Гидроклапан предохранительный
МКПВ-32/3С3Р1.220 - Гидроклапан предохранительный - это клапан, монтируемый в линию стыковым способом. Его технические параметры: номинальный проход – 32 мм, давление настройки – 100 бар. Устройство обеспечивает защиту от превышения давления в системе, ограничивая его на заданном уровне. Дополнительной функцией является возможность дистанционной разгрузки. Управление работой клапана выполняется пилотным устройством ВЕ6.574А.В220 с номинальным напряжением ~220-230В/50Гц.
Структура условного обозначения
| 1 | - | 2 | / | 3 | 4 | 5 | 6 | 7 | . | 8 |
| МКПВ | 32 | 3 | С | 3 | Р | 2 | 24 |
| 1 | Тип устройства |
МКПВ = предохранительный гидравлический клапан |
| 2 | Условный проход |
32 = 32 мм |
| 3 | Номинальное давление |
3 = 32 МПа |
| 4 | Исполнение по способу монтажа |
С = стыковой монтаж |
| 5 | Исполнение по типу управления |
3 = с электромагнитным управлением разгрузкой, нормально разгруженный
|
| 6 | Исполнение по виду регулировочного устройства |
Р = с рукояткой |
| 7 | Исполнение по номинальному давлению настройки |
1 = 10 МПа |
| 8 | Напряжение (для электромагнитного управления) |
Постоянный ток:
Переменный ток: |
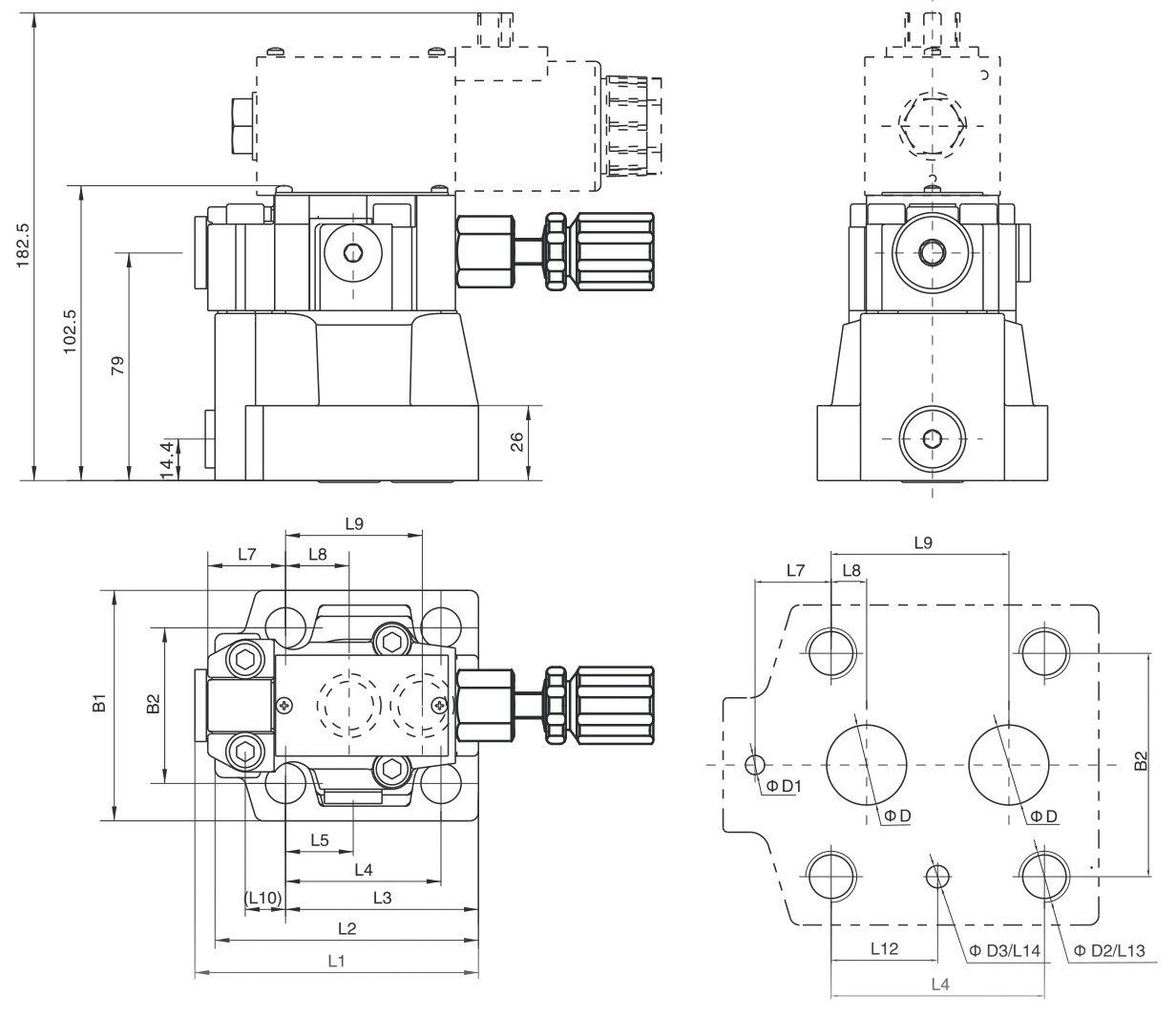
Габаритные размеры

|
Модель |
B1 | B2 | L1 | L2 | L3 | L4 | L5 | L6 | L7 | L8 | L9 | L10 | L11 | L12 | L13 | L14 | D | D1 | D2 | D3 |
| МКПВ-32/3С | 115 | 82,5 | 154,5 | 149,5 | 106,9 | 88,9 | 28,1 | 172,5 | 31,8 | 12,7 | 76,2 | 9,4 | 182,9 | 44,4 | 30 | 6 | 32 | 6 | M18 | 7 |
Присоединительные размеры

Основные параметры
| Ду, мм | 32 |
|
Модель пилотного клапана |
ВЕ6.574А.В220 |
| Номинальное напряжение | ~220-230В/50Гц |
| Номинальный расход, л/мин | 320 |
| Управление разгрузкой клапана | Электромагнитное |
| Тип разгрузки клапана | Нормально-разгруженный |
| Диапазон настройки давления, бар | 5-125 |
| Номинальное давление настройки, бар | 100 |
Чтобы оплатить покупку в интернет-магазине достаточно добавить заинтересовавший вас товар в корзину и перейти на ее страницу. Далее останется заполнить контактную информацию и данные о доставке или возможности для самовывоза. Автоматически сформируется счет для оплаты.
Для подтверждения заказа с вами свяжется наш менеджер.
Подробнее о том, как оформить заказа, рассказали в разделе «Помощь».
Также оформить заказ можно напрямую по почте info@Tau-Rus.com, наши менеджеры оперативно ответят и помогут с подбором аналогов, если это необходимо.
Заказ, оформленный в интернет-магазине, вы можете получить двумя способами: через самовывоз с нашего склада или посредством услуг транспортной компании (на этапе оформления заказа вы можете выбрать наиболее удобный вариант и подходящую транспортную компанию).
Об условиях и возможностях доставки, рассказали в разделе «Помощь» - «Условия доставки».

