Описание гидрораспределителей 1Р203, 1Р202, 2Р203, 2Р202
Гидрораспределители 1Р203АЕ, 1Р203АЛ, 1Р203БЕ, 1Р203БЛ по ТУ2-053-1846-87 на номинальное давлении 32 МПа и гидрораспределители 1Р202АЕ, 1Р202АЛ, 1Р202БЕ, 1Р202БЛ на 20 МПа имеют электрогидравлическое управление (литера "А" обозначает пружинный возврат золотника, "Б" - гидравлический возврат золотника; смотреть схему условного обозначения гидрораспределителей 1Р203АЕ, 1Р203АЛ, 1Р203БЕ, 1Р203БЛ). Распределители с электрогидравлическим управлением IP203, IP202 конструктивно состоят из корпуса, золотника, крышек, пружин и пилотов с Dy = 6 мм.
Гидрораспределители 2Р203АЕ, 2Р203АЛ, 2Р203БЕ, 2Р203БЛ на номинальное давлении 32 МПа и гидрораспределители 2Р202АЕ, 2Р202АЛ, 2Р202БЕ, 2Р202БЛ на 20 МПа имеют также электрогидравлическое управление (литера "А" обозначает пружинный возврат золотника, "Б" - гидравлический возврат золотника; смотреть схему условного обозначения гидрораспределителей 2Р203АЕ, 2Р203АЛ, 2Р203БЕ, 2Р203БЛ). Конструкция распределителей 2P203, 2P202 аналогична конструкции 1P203, 1P202, только пилоты Dy = 10 мм.
пятилинейных - выведены отдельно (линии Г и Г1). Линии X и Y могут объединяться с линиями Р и Т.
Соединение линий Х-Р в гидрораспределителях 1Р203, 1Р202, 2Р203, 2Р202 возможно только при давлении на входе гидрораспределителя не более чем 25 МПа, в противном случае необходимо применять клапан соотношения давлений (модульная плитка толщиной 25 мм), который снижает давление управления, и оговаривать при заказе рабочее давление на входе 32 МПа. При соединенных линиях Х-Р для гидрораспределителей 14, 54, 64, 64А, 104, 124, 154, 574, 574Д, 15, 55, 65, 65А и 574 исполнений по гидросхемам, подпор в сливной линии должен быть меньше чем 1,4 МПа.
Не допускается соединение линий Y-T при давлении в линии Т более 6 МПа, а также для схем, указанных выше, при объединенных линиях Х-Р (если линии X н Р не объединены, давление управления должно превышать давление в линии Т не менее, чем на 1,4 МПа) Для объединения линий управления с основными следует демонтировать пробки (К1/8).
Для уплотнения стыковой плоскости гидрораспределителей 1Р203-АЕ, 1Р203-АЛ, 1Р203-БЕ, 1Р203-БЛ применяются кольца по ГОСТ 9833-73:
028-032-25-2-2 (четыре кольца - для четырехлинейных),
024-030-36-2-2 (пять колец - для пятилинейных);
013-016-19-2-2 (три кольца).
Фотографии гидрораспределителей 1Р203, 1Р202, 2Р203, 2Р202

Гидрораспределитель 1Р203АЛ1 34 В220 (В110, Г24)

Гидрораспределитель 1Р203АЛ2 14 В220 (В110, Г24)
.jpg)
Гидрораспределитель 1Р203АЛ3 14 В220 (В110, Г24)
.jpg)
Гидрораспределитель 1Р203АЛ3 44 В220 (В110, Г24)
.jpg)
Гидрораспределитель 2Р203АЛ3 574 Г24 (В220, В110)
.jpg)
Гидрораспределитель 2Р203АЛ4Д 44 В110 (В220, Г24)

Гидрораспределитель 2Р203АЕ4Д 574А В110 (В220, Г24)
Краткая техническая характеристика гидрораспределителей 1Р203, 1Р202, 2Р203, 2Р202
|
Наименование |
Кол-во эл/магнитов |
Условный проход, мм |
Ном. давление на входе, МПа |
Максимальный расход, л/мин |
Схема возврата золотника |
Масса не более, кг |
|
Гидрораспределитель 1Р203 АЛ |
2 |
20 |
32 |
500 |
Пружинный возврат золотника |
15,9 |
|
Гидрораспределитель 1Р203 АЕ |
1 |
15,6 |
||||
|
Гидрораспределитель 1Р203 БЛ |
2 |
Гидравлический возврат золотника |
15,9 |
|||
|
Гидрораспределитель 1Р203 БЕ |
1 |
15,6 |
||||
|
Гидрораспределитель 1Р202 АЛ |
2 |
20 |
Пружинный возврат золотника |
15,9 |
||
|
Гидрораспределитель 1Р202 АЕ |
1 |
15,6 |
||||
|
Гидрораспределитель 1Р202 БЛ |
2 |
Гидравлический возврат золотника |
15,9 |
|||
|
Гидрораспределитель 2Р202 БЕ |
1 |
15,6 |
||||
|
Гидрораспределитель 2Р203 АЛ |
2 |
32 |
500 |
Пружинный возврат золотника |
20,4 |
|
|
Гидрораспределитель 2Р203 АЕ |
1 |
20,0 |
||||
|
Гидрораспределитель 2Р203 БЛ |
2 |
Гидравлический возврат золотника |
20,4 |
|||
|
Гидрораспределитель 2Р203 БЕ |
1 |
20,0 |
||||
|
Гидрораспределитель 2Р202 АЛ |
2 |
20 |
Пружинный возврат золотника |
20,4 |
||
|
Гидрораспределитель 2Р202 АЕ |
1 |
20,0 |
||||
|
Гидрораспределитель 2Р202 БЛ |
2 |
Гидравлический возврат золотника |
20,4 |
|||
|
Гидрораспределитель 2Р202 БЕ |
1 |
20,0 |
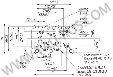
Габаритные и присоединительные размеры гидрораспределителей 1Р203АЛ, 1Р203БЛ, 1Р203АЕ, 1Р203БЕ
Примечание:
Гидрораспределители 1р203ае, 1р203бе несколько отличаются по габаритам от приведённого выше чертежа гидрораспределителя 1р203ал, 1р203бл в связи с тем, что пилотный клапан у 1р203ае, 1р203бе - одномагнитный.
|
Размер |
Значение, мм |
|
L |
260 |
|
L1 |
130 |
|
L2 |
53,2 |
|
L3 |
77 |
|
L4 |
130 |
|
L5 |
11 |
|
В |
114 |
|
В1 |
92 |
|
H |
240 |
|
H1 |
110 |
|
H2 |
45 |
|
H3 |
38 |
|
d |
13 |
- отверстие L (слив утечек) - для исполнения с гидравлическим возвратом золотника;
- отверстие X - кроме гидрораспределителей с непосредственным управлением;
- отверстие Y - дренаж для исполнения 1Рн...
Схемы распределения потоков рабочей жидкостей в 1Р203, 1Р202, 2Р203, 2Р202 (Ду=20мм)
Пример условного обозначения гидрораспределителя золотникового электрогидравлического с условным проходом 20 мм с двумя магнитами с пилотным клапаном 1ре6 (ве6, пе6), с номинальным давлением на выходе 32 МПа, с пружинным возвратом золотника, со сливом объединённым с общим сливом, схема распределения 44, с регулировкой времени срабатывания дроссельной плитой на подводе, с напряжением питания пилотного клапана 220 вольт переменного тока, предназначенном для работы в умеренном климате и холодном климате, категория размещения 4:
Гидрораспределитель 1Р203АЛ4Д.44-Р-В220 НМД1 10 УХЛ4.
Другие исполнения гидрораспределителей 1Р203:
Гидрораспределитель 1Р203 АЕ1.574А-Р-В110 НМД1 11 УХЛ4
Гидрораспределитель 1Р203-АЛ1-44-В110 Н МД1 УХЛ4
Гидрораспределитель 1Р203АЛ4Д-44-В110 НМД1 УХЛ4
Гидрораспределитель 1Р203-БЕ1-574А-В110 НМД1 УХЛ4
Гидрораспределитель 1Р203БЕ1.574-Р-В110 НМД1 11 УХЛ4
Гидрораспределитель 1Р203 БЛ1-64-В220 Н МД1 УХЛ4
Гидрораспределитель 1Р203-АЛ4Д-44-В220 НМД1 УХЛ4
Гидрораспределитель 1Р203-АЕ1-574-В220 НМД1 УХЛ4.
Также возможны поставки гидрораспределителей 1Р202АЛ, 1Р202АЕ, 1Р202БЛ, 1Р202БЕ, 2Р202АЛ, 2Р202АЕ, 2Р202БЛ, 2Р202БЕ, 2Р203АЛ, 2Р203АЕ, 2Р203БЛ, 2Р203БЕ.
За консультацией по подбору обращайтесь к нашим менеджерам по телефонам, указанным в разделе Контакты.
С этим товаром покупают

ВЕ6 - Пилотный гидрораспределитель для 1Р203

MD-08P - Плита гидравлическая многоместная CETOP 08

Разъем DIN43650 LED - Разъем электрический со светодиодной индикацией по DIN43650
.jpg)
VC06 - Катушка электромагнитная для распределителей ВЕ6 (пилот 1Р203)

СЭ11-19 - Разъем электрический без светодиодной индикации по DIN43650