|
Принцип действия распределителей ВЕ6
Наиболее применямые варианты описаны ниже: |
Идентификационный код и параметры гидрораспределителей ВЕ6
Структура условного обозначения
|
Характеристики
|
|||||||||||||||||||||||||||||||||||||||||||||||||||||||||||||||||||||||||||||||||||||||||||||||||||||||
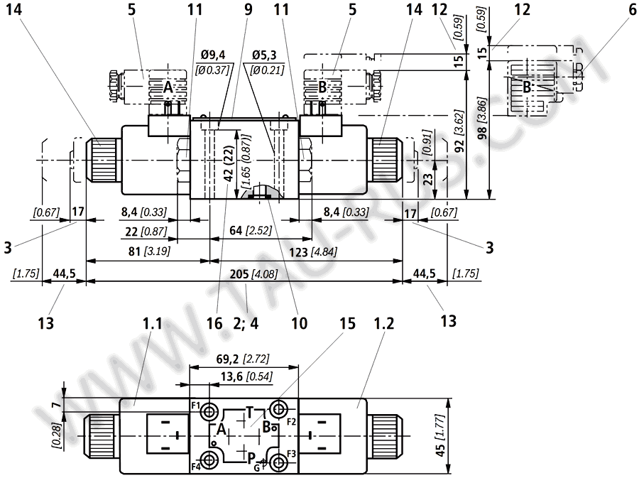
Габаритные и присоединительные размеры в мм [дюймах] гидрораспределителей ВЕ6
|
||
|
1.1 Магнит "a" 1.2 Магнит "b" 2. Размер для магнита со скрытым ручным дублированием 3. Размер для магнита с ручным дублированием 4. Размер для магнита без ручного дублирования 5, 6 - соединительный штекер со светодиодной индикацией (входит в комплект поставки) 9. Заводская табличка |
10. Одинаковые уплотнительные кольца для каналов A, B, P, T (Указание! Каналы расположены в соответствии со своими функциями; запрещается их менять местами или заглушать при подключении к гидросистеме) 11. Резьбовая заглушка для распределителей с одним магнитом 12. Пространство, необходимое для снятия соединительного штекера/углового соединительного штекера |
13. Необходимое место для снятия катушки с гидрораспределителя 14. Контргайка, момент затяжки MA = 4+1 Нм 15. Расположение каналов согласно DIN 24340 форма A (без отверстия для фиксации), или согласно ISO 4401-03-02-0-05 16. Другая длина захвата винтом: 22 мм |
Гидрораспределители ВЕ6 64 Г24, ВЕ6 64 В110, ВЕ6 64 В220
|
Гидрораспределители ВЕ6 64 Г24, ВЕ6 64 В110, ВЕ6 64 В220 с двухсторонним электромагнитным управлением на 24 В постоянного тока (в других исполнениях на 110 и 220 В переменного тока) применяется в гидроагрегатах станков и мобильной техники. Данная схема распределения (64) является наиболее востребованной для современных нужд машиностроения. В мобильной технике применяются в основном гидрораспределители ВЕ6 64 Г24, в промышленности - ВЕ6 64 В110 и ВЕ6 64 В220. Гидросхема 64
Основные параметры гидрораспределителя ВЕ6.64.В110 (В220, Г24): |
Гидрораспределители ВЕ6 44 Г24, ВЕ6 44 В110, ВЕ6 44 В220
|
Гидрораспределители ВЕ6 44 Г24, ВЕ6 44 В110, ВЕ6 44 В220 с двухсторонним электромагнитным управлением на 24 В постоянного тока (в других исполнениях на 110 и 220 В переменного тока) применяется в гидроагрегатах станков и мобильной техники. Данная схема распределения (44) является востребованной для современных нужд машиностроения. В мобильной технике применяются в основном гидрораспределители ВЕ6 44 Г24, в промышленности - ВЕ6 44 В110 и ВЕ6 44 В220. Гидросхема 44
Основные параметры гидрораспределителя ВЕ6.44.В110 (В220, Г24): |
Гидрораспределители ВЕ6 34 Г24, ВЕ6 34 В110, ВЕ6 34 В220
|
Гидрораспределители ВЕ6 34 Г24, ВЕ6 34 В110, ВЕ6 34 В220 с двухсторонним электромагнитным управлением на 24 В постоянного тока (в других исполнениях на 110 и 220 В переменного тока) применяется в гидроагрегатах станков и мобильной техники. Гидрораспределители со схемой распределения 34 применяется в конструкции гидрораспределителей ВЕХ16.44 в качестве управляющего пилота. В мобильной технике применяются в основном гидрораспределители ВЕ6 34 Г24, в промышленности - ВЕ6 34 В110 и ВЕ6 34 В220. Гидросхема 34
Основные параметры гидрораспределителя ВЕ6.34.В110 (В220, Г24): |
Гидрораспределители ВЕ6 24 Г24, ВЕ6 24 В110, ВЕ6 24 В220
|
Гидрораспределители ВЕ6 24 Г24, ВЕ6 24 В110, ВЕ6 24 В220 с двухсторонним электромагнитным управлением на 24 В постоянного тока (в других исполнениях на 110 и 220 В переменного тока) применяется в гидроагрегатах станков и мобильной техники. В мобильной технике применяются в основном гидрораспределители ВЕ6 24 Г24, в промышленности - ВЕ6 24 В110 и ВЕ6 24 В220. Гидросхема 24
Основные параметры гидрораспределителя ВЕ6.24.В110 (В220, Г24): |
Гидрораспределители ВЕ6 14 Г24, ВЕ6 14 В110, ВЕ6 14 В220
|
Гидрораспределители ВЕ6 14 Г24, ВЕ6 14 В110, ВЕ6 14 В220 с двухсторонним электромагнитным управлением на 24 В постоянного тока (в других исполнениях на 110 и 220 В переменного тока) применяется в гидроагрегатах станков и мобильной техники. В мобильной технике применяются в основном гидрораспределители ВЕ6 14 Г24, в промышленности - ВЕ6 14 В110 и ВЕ6 14 В220. Гидросхема 14
Основные параметры гидрораспределителя ВЕ6.14.В110 (В220, Г24): |
Гидрораспределители ВЕ6 574А.ОФ Г24 (В110, В220), ВЕ6.574А.О.Г24 (В110, В220)
|
Гидрораспределители ВЕ6 574А.ОФ Г24, ВЕ6 574А.ОФ В110, ВЕ6 574А.ОФ В220 с двухсторонним электромагнитным управлением на 24 В постоянного тока (в других исполнениях на 110 и 220 В переменного тока) применяется в гидроагрегатах станков и мобильной техники. В мобильной технике применяются в основном гидрораспределители ВЕ6 574А.ОФ Г24, в промышленности - ВЕ6 574А.ОФ В110 и ВЕ6 574А.ОФ В220. В отличие от двухпозиционных гидрораспределителей ВЕ6.574А и ВЕ6.574, у которых возврат золотника осуществляется пружиной, в ВЕ6.574А.ОФ (ВЕ6.574А.О) ввиду отсутствия пружинного возврата, необходимо присутствие второго магнита, который по сути и выполняет роль пружины. Гидросхема 574А.ОФ
ВЕ6.574А.О - отсутствует фиксация золотника.
Основные параметры гидрораспределителя ВЕ6.574А.ОФ.В110 (В220, Г24): |
Пример условного обозначения гидравлического золотникового распределителя с двухсторонним электромагнитным управлением, Ду = 6 мм, тип электромагнита - "мокрый", со схемой распределения 34, питание от сети 110 В переменного тока, для работы в холодном и умеренном климате:
Гидрораспределитель ВЕ6.34.В110


