Сначала популярные
Пневмораспределитель T224.53.31.11.11, T224.53.32.11.11, T224.53.33.11.11
5/3 Двухстороннее пневмоуправление - пружинный возврат в центр![]() 5/3 Двухстороннее пневмоуправление - пружинный возврат в центр |
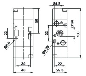
Пневмораспределитель 5/3 Двухстороннее пневмоуправление - пружинный возврат в центр серии T224 Techno-Eco присоединение G1/4" пятилинейный трёхпозиционный имеет массу 160 г и минимальное рабочее давление 3 бара. Исполнения присоединения сбоку и снизу, а также схема переключений пневмораспределителя представлены на следующих схемах:
Расшифровка маркировки:
Условное обозначение:
Пневмораспределитель T224.53.31.11.11
|
|||||||||||||||||||||||||||||||||||||||||||||||||||||||||||||
