Сначала популярные
Пневмораспределитель T224.32.11.12, T224.52.11.12
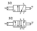
3/2 5/2 Пневмоуправление - дифференциальный пневмовозврат (внешний)![]() 3/2 5/2 Пневмоуправление - дифференциальный пневмовозврат (внешний) |
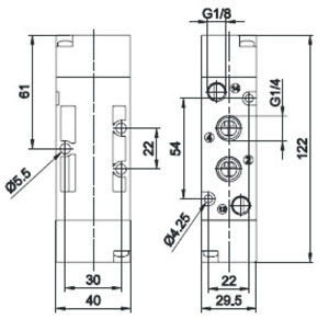
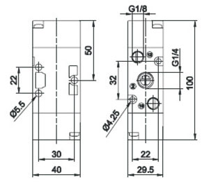
Пневмораспределитель 3/2 5/2 Пневмоуправление - дифференциальный пневмовозврат (внешний) серии T224 Techno-Eco присоединение G1/4" трёхлинейный двухпозиционный и пятилинейный двухпозиционный имеет массу 110 г и 140 г соответственно и минимальное рабочее давление 2 бара. Исполнения присоединения сбоку и снизу, а также схема переключений пневмораспределителя представлены на следующих схемах:
Расшифровка маркировки:
Условное обозначение:
Пневмораспределитель T224.32.11.12
|
||||||||||||||||||||||||||||||||||||||||||||||||||

