ВЕ43.574Е.Г24 - Гидрораспределитель
ВЕ43.574Е.Г24 - Гидрораспределитель, Ду = 4мм, Элм.-Пруж., =24В
Описание гидрораспределителей ВЕ43.574Е.Г24
Гидрораспределители ВЕ43.574Е.Г24 с номинальным напряжением 24В постоянного тока являются золотниковыми гидрораспределителями с электромагнитным управлением и условным проходом 4 мм. Гидравлические распределители ВЕ43.574Е.Г24 применяются для управления пуском, остановом и направлением объемного потока рабочей жидкости по 574Е схеме. (См. схемы распределения рабочей жидкости)Структура условного обозначения ВЕ43.574Е.Г24
|
1 |
2 |
3 |
. |
4 |
. |
5 |
|
В |
Е |
43 |
574Е |
Г24 |
| 1 | Тип устройства | В = золотниковый гидрораспределитель |
| 2 | Вид управления | Е = электромагнитное |
| 3 | Условный проход | 43 = 4 мм |
| 4 | Схема распределения рабочей жидкости |
14, 24, 34, 44, 573, 573Е, 574А, 574Е, 754 |
| 5 | Напряжение |
Переменный ток: В24 = 24В В36 = 36В В110 = 110В В220 = 220В В380 = 380В Постоянный ток: Г12 = 12В Г24 = 24В Г48 = 48В Г220 = 220В |
Технические характеристики ВЕ43.574Е.Г24
|
Параметр |
ВЕ43 с двухсторонним управлением |
ВЕ43 с односторонним управлением |
|
Условный проход, мм |
4 |
|
|
Давление нагнетания в линиях A, B, P, Мпа |
25 |
|
|
Давление в линии T, Мпа |
10 |
|
|
Расход, л/мин: |
14 |
|
|
Рабочая жидкость |
Рабочая жидкость на минеральной основе (HL, HLP) согласно DIN 51524; |
|
|
Биологически быстро разлагаемая рабочая жидкость согласно VDMA 24568; |
||
|
HETG (рапсовое масло); HEPG (полигликоль); HEES (синтетические эфиры) |
||
|
Диапазон температур рабочей жидкости, ºС |
-30 ... +80 |
|
|
Температура окружающей среды, ºС |
до +50 |
|
|
Диапазон вязкостей жидкости, сСт |
25 ... 2320 |
|
|
Допустимая степень загрязнения жидкости |
класс 20/18/15 по ISO 4406:1999 |
|
|
Вес, кг |
1,6 |
1,1 |
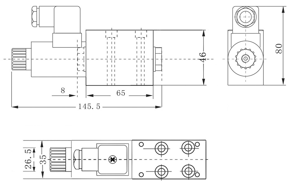
Габаритные и присоединительные размеры ВЕ43.574Е.Г24
Чтобы оплатить покупку в интернет-магазине достаточно добавить заинтересовавший вас товар в корзину и перейти на ее страницу. Далее останется заполнить контактную информацию и данные о доставке или возможности для самовывоза. Автоматически сформируется счет для оплаты.
Для подтверждения заказа с вами свяжется наш менеджер.
Подробнее о том, как оформить заказа, рассказали в разделе «Помощь».
Также оформить заказ можно напрямую по почте info@Tau-Rus.com, наши менеджеры оперативно ответят и помогут с подбором аналогов, если это необходимо.
Заказ, оформленный в интернет-магазине, вы можете получить двумя способами: через самовывоз с нашего склада или посредством услуг транспортной компании (на этапе оформления заказа вы можете выбрать наиболее удобный вариант и подходящую транспортную компанию).
Об условиях и возможностях доставки, рассказали в разделе «Помощь» - «Условия доставки».
