
Переключатель манометров ПМГ-6
|
Переключатели манометров ПМГ-2, ПМГ-2С, ПМГ-2С-Б, ПМГ-6, ПМГ-6С устанавливаются в гидравлических системах станков и других гидрофицированных машин для последовательного подключения манометра к полостям, в которых необходимо замерить давление с последующей его разгрузкой в сливную магистраль. Переключатели манометров ПМГ 2, ПМГ 2С, ПМГ 2С-Б, ПМГ 6, ПМГ 6С работают на чистых минеральных маслах с кинематической вязкостью от 10 до 440 мм²/с при температуре масла от +10° до +70 °С и температуре окружающей среды от + 1 до +55 °С. Номинальная тонкость фильтрации 25 мкм. Климатическое исполнение УХЛ и О, категория размещения 4 по ГОСТ 15150.
Переключатели манометров ПМГ,имеют следующие конструктивные исполнения: Смотри также: переключатели манометров ПМ2..., ПМ6... |
Основные технические характеристики переключателей манометров ПМГ-2(-6)
| Наименование | Присоединение | Давление, МПа | Сила управления, Н | Число точек замера | Масса, кг |
| Переключатель ПМГ-2 | Резьбовое | 32 | 60 | 2 | 1,35 |
| Переключатель ПМГ-6 | 6 | 1,5 | |||
| Переключатель ПМГ-2С | Стыковое | 2 | 1,35 | ||
| Переключатель ПМГ-2С-Б | 2 | 1,35 | |||
| Переключатель ПМГ-6С | 6 | 1,7 |
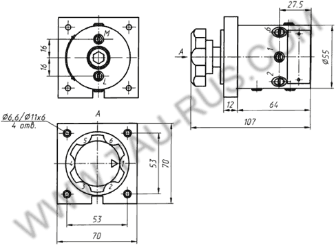
Габаритные и присоединительные размеры переключателей манометров ПМГ-2..., ПМГ-6...
![]() Переключатель ПМГ-6С |
![]() Переключатель ПМГ-6 |
Пример условного обозначения при заказе переключателя манометров с шестью точками замера давления, с резьбовым присоединением линий, рассчитанного на номинальное давление 32 МПа (максимальное - 35 МПа), климатическое исполнение - для стран с умеренным и холодным климатом:
Переключатель манометров ПМГ-6 УХЛ4.

