Электромагнитные гидрораспределители DKE и DKER золотникового типа прямого действия, трех- или четырехлинейные, двух- или трехпозиционные с условным проходом 10 мм и предназначены для работы в гидравлических системах. Они управляются от “мокрых” герметичных электромагнитов (3) с механическим дублированием поставляются в двух различных версиях:
- DKE - базовая версия, со стандартными электромагнитами .
- DKER - версия гидроаппарата с высокими характеристиками, с электромагнитами повышенного усилия, сертифицированными по Североамериканскому стандарту C UR US.
Распределители выполнены в трех- или четырехлинейной конфигурации, с двумя или тремя положениями золотника. Золотники (2) взаимозаменяемы и доступны в широком диапазоне конфигураций.
Электромагниты (3) имеют два различных исполнения для питания AC и DC и они представлены как:
- вворачиваемая направляющая "мокрого" типа со встроенной кнопкой ручного управления (4) {направляющая различна для питания AC и DC};
- катушки AC и DC. Катушки взаимозаменяемы по различным типам питания AC и DC и они могут быть легко заменены без применения инструментов (невзамозаменямы между DKE и DKER).
-
Катушки полностью защищены по следующим температурным классам:
- класс H для катушек DC;
- класс F для катушек AC.
Корпус распределителя (1) 5-и камерного типа для всех версий DC и для версий AC с опцией /F*. Стандартная версия AC имеет 3-х камерный корпус. Оптимизированные внутренние каналы, в значительно степени удаленные от центра, гарантируют снижение потерь давления.
-
Опции для DKE и DKER
- удлинение для ручного управления резиновой кнопкой для облегчения ручного переключения;
- устройства для регулирования времени переключения;
- контроль положения золотника для опций безопасности;
- внешний дренаж по каналу Y при высоком давлении в баке (только версия DC).
Монтажная поверхность: ISO 4401, размер 10.
Максимальный расход до 120 л/мин. Макс. давление до 315 бар.
1 Структура условного обозначения гидрораспределителей DKE и DKER
| DKER-1 | - | 63 | - | 1/2 | - | /A | - | X | - | 24DC | - | ** | - | /* | |
|
Синтетические жидкости
WG = водный гликоль PE = фосфорно-кислый эфир |
|||||||||||||||
|
|
|||||||||||||||
|
Номер парти
|
|||||||||||||||
|
|
|||||||||||||||
|
Напряжение питания, см. раздел [ 6 ]
00 = распределитель без катушек |
|||||||||||||||
|
|
|||||||||||||||
|
X = без разъёма
См. замечание 2 в разделе [ 5 ] по возможным разъёмам, заказываются отдельно |
|||||||||||||||
|
|
|||||||||||||||
|
Опции, см. замечание 1 в разделе [ 5 ]
|
|||||||||||||||
|
|
|||||||||||||||
|
Тип золотника, см. раздел [ 3 ]
|
|||||||||||||||
|
|
|||||||||||||||
|
Конфигурация, см. раздел [ 2 ]: |
|||||||||||||||
|
|
|||||||||||||||
|
Распределители ISO 4401 размер 10:
DKE = стандартные электромагниты DKER = электромагниты с высокими характеристиками |
|||||||||||||||
2 Конфигурация распределителей DKE и DKER
|
DKE-1711 (1713, 1714) DKER-1711 (1713, 1714)
|
DKE-1700/2, DKER-1700/2 DKE-1701/2, DKER-1701/2
|
DKE-1750/2, DKER-1750/2 DKE-1751/2, DKER-1751/2
|
DKE-1630/2, DKER-1630/2 DKE-1631/2, DKER-1631/2
|
DKE-161* DKER-161*
|
DKE-167* DKER-167*
|
|
DKE-1630/2/A, DKER-1630/2/A DKE-1631/2/A, DKER-1631/2/A
|
DKE-161*/A DKER-161*/A
|
DKE-167*/A DKER-167*/A
|
Где в символе не показаны гидравлическое соединение (*), это зависит от центральной конфигурации золотника; см. раздел [ 3 ] ниже. | ||
3 Схемы золотников
См. замечание 3 в разделе [ 5 ]
4 Основные характеристики распределителей DKE, DKER
| Монтажное положение | Любое положение для всех распределителей, кроме типа - 170* (без пружин), который должен устанавливаться в горизонтальной плоскости, если управляется импульсами | |
| Характеристика стыковочной поверхности | Шероховатость Ra=0,4, неплоскостность 0,01 /100 (ISO 1101) | |
| Температура окружающей среды | от -20°С до + 70°С. | |
| Рабочая жидкость | Гидравлическое масло по DIN 51524...535 ; другие типы жидкостей см. раздел [ 1 ] | |
| Рекомендуемая вязкость | 15÷100 сСт при 40°С (ISO VG 15÷100) | |
| Класс чистоты рабочей жидкости | ISO 19/16, достигается при тонкости фильтрации 25 мкм и рекомендуемом β≥75 | |
| Температура рабочей жидкости |
от -20°С до +60°С (стандартные и /WG уплотнения); от -20°С до +80° (уплотнения /РЕ) |
|
| Направление потока | Как показано на символах с таблицах [ 2 ] и [ 3 ] | |
|
Рабочее давление Для версий с датчиком переключения (/FC, /FI и /FIE), канал Y долж ен быть дренажным |
DKE |
Каналы P, A, B: 315 бар Канал T: 120 бар для эл. магнитов АС; 210 бар для эл. магнитов DC; 250 бар для опции /Y |
| DKER |
Каналы P, A, B: 315 бар; Канал Т: 160 бар для эл. магнитов АС; 210 бар для эл. магнитов DC; 250 бар для опции /Y |
|
| Номинальный расход | См. графики Q/Δp в разделе [ 7 ] | |
| Максимальный расход | 120 л/мин, см. пределы рабочих режимов в разделе [ 8 ] | |
4.1 Парметры катушек электромагнитных
| Класс изоляции |
H (180°С) для катушек DC F (155°C) для катушек АС Из-за температуры на поверхностях электромагнитов, должны быть приняты в расчет Европейские стандарты EN563 и EN982 |
| Класс защиты разъёма | IP 65 |
| Продолжительность включения | 100% |
| Напряжение питания и частота | См. электрические характеристики, раздел [ 6 ] |
| Стабильность напряжения питания | ± 10% |
| Серитфикация (только для DKER) | C UR US |
5 Замечания
1. Опции
A = Электромагнит установлен со стороны канала B (только для одномагнитных распределителей). В стандартных версиях электромагнит устанавливается со стороны канала А.
WP = ручное управление от резиновой кнопки - см. раздел [13].
L, L1, L2, L3, LR, см. раздел [11] = устройство для управления временем переключения (только для электромагнитов DC).
F * = 5-и камерный корпус для версий DC и AC с датчиком переключения для контроля положения золотника: см. табл. E110.
Y = внешний дренаж, только для версий DC, выбирается если давление в канале Т выше максимально допустимых пределов.
2. Тип электрических разъёмов DIN 43650, заказываются отдельно - см. раздел [14].
SP-666 = стандартный разъём IP-65 для прямого соединения с источником электропитания.
SP-667 = как SP-666, но со встроенным светодиодом.
SP-669 = со встроенным выпрямительным мостом для питания катушек DC от переменного тока (AC 110В и 230В - макс. 1A).
3 Золотники
- золотники типа 0/2, 1/2, 2/2 используются только для двухпозиционных распределителей: одномагнитные распределители типа DKE*-163*/2; двухмагнитные распределители типа DKE*-170*/2 и DKE*-175*/2.
- золотники типа 0 и 3 также возможны как 0/1 и 3/1 используются при сливе из каналов управления в бак в центральном положении.
- золотники типа 1 также возможны как 1/1, они спрофилированы таким образом, чтобы уменьшить гидроудар во время переключения.
- золотник типа 1/3 (только для версий DC), обычно используется как клапан отсечки в безопасных системах,
- золотник типа 1/9 закрывает центр в нормальном положении, но позволяет избежать заливания каналов А и В внутренними утечками.
- прочие типы золотников возможны по заказу.
6 Электрические характеристики
|
Номинальное напряжение питания ± 10% |
Код напряжения | Тип разъёма |
Потребляемая мощность (2) |
Код запасной катушки |
(1) В случае частоты 60 Гц, характеристики снижаются на 10÷15% и потребляемая мощность составляет 80 ВА для DKE и 90 ВА для DKER. (2) Средние значения по данным испытаний в нормальных гидравлических условиях и температурой окружающей среды и катушки 20°С. (3) При включении электромагнита пик тока примерно в 3 раза прев ышае т н о ми н ал ь н ый . Пи к т ока соот вет ст вует пот ребляемой мощности примерно 280 ВА для DKE и 320 ВА для DKER. |
||
| DKE | DKER | ||||||
| 12 DC | 12 DC |
SP-666 или SP-667 |
36 Вт (DKE) 39 Вт (DKER) |
SP-CAE-12DC | SP-CAER-12DC | ||
| 24 DC | 24 DC | SP-CAE-24DC | SP-CAER-24DC | ||||
| 110 DC | 110 DC | SP-CAE-110DC | SP-CAER-110DC | ||||
| 220 DC | 220 DC | SP-CAE-220DC | SP-CAER-220DC | ||||
| 110/50/60 AC | 110/50/60 AC |
95 ВА (DKE) 105 ВА (DKER) (3) |
SP-CAE-110/50/60AC (1) | SP-CAER-110/50/60AC (1) | |||
| 230/50/60 AC | 230/50/60 AC | SP-CAE-230/50/60AC (1) | SP-CAER-230/50/60AC (1) | ||||
| 110/50/60 AC | 110/50/60 AC | SP-669 |
36 Вт (DKE) 39 Вт (DKER) |
SP-CAE-110DC | SP-CAER-110DC | ||
| 230/50/60 AC | 230/50/60 AC | SP-CAE-220DC | SP-CAER-220DC | ||||
7 Графики Q/ΔP для различных вариантов золотников
(минеральное масло ISO VG 46 при 50°C)
DKE, DKER
|
|
||||||||||||||||||||||||||||||||||||||||||||||||||||||||||||||||||||||||||||
8 Пределы рабочих режимов для различных вариантов напряжений питания
(минеральное масло ISO VG 46 при 50°C)
Графики были получены на теплых электромагнитах и при минимальном напряжении питания (Внорм - 10%). Кривые для случая симметричного потока через распределитель (т.е. Р→А и В→Т). В случае несимметричного потока и если распределитель снабжен устройствами для изменения времени переключения, границы рабочего диапазона должны быть уменьшены.
DKE-AC
|
DKE-DC
|
DKER-AC
|
DKER-DC
|
||||||||||||||||||||
|
|||||||||||||||||||||||
9 Время переключения
(среднее значение, мс)
| Распределитель | включение AC | включение DC | выключение AC | выключение DC |
Условия испытаний: |
|
| DKE / DKER + SP-666/SP-667 | 40 | 60 | 25 | 35 | ||
| DKE / DKER + SP-669 | 60 | - | 90 | - | ||
| DKE-*/L* - DKER-*/L* | - | 75÷150 | - | 45÷150 |
Частота переключения гидрораспределителей DKE/DKER + SP-666/SP-667 (циклы/час): 7200 ( для AC) и 15000 (для DC).
10 Устройства для регулирования времени переключения
Эти устройства возможны только для распределителей версии DC (5-ти камерный корпус) и могут управлять временем переключения и ослабляют нагрузку гидравлической системы на катушку. Возможны различные типы, (рисунок слева).
Функциональные возможности устройства управления времени зависят от типа регулирования элемента. - L: контролируют и регулируют время переключения в обоих направлениях золотника: регулирование осуществляется ввинчиванием/вывинчиванием винта (регулирование дросселем);
- L1/L2/L3: управляет временем переключения в обе стороны, время задается фиксиро-ванным калиброванным ограничителем (изменение потока) ØL1 = 1,25 мм; ØL2 = 1 мм; ØL3 = 0,75 мм;
- LR : контролирует и изменяет время переключения при движении золотника В→А. Это устройство не изменяет время переключения (стандартное время) в обратном направлении движения золотника А→В.
Для нормальной работы устройства, канал в которм установлен регулирующий элемент, должен быть полность заполнен маслом.
НАПРАВЛЕНИЕ ЗОЛОТНИКА
A →B = эл.магнит “A” вкл./эл.магнит “B” выкл.
A ←B = эл.магнит “B” вкл./эл.магнит “A” выкл.
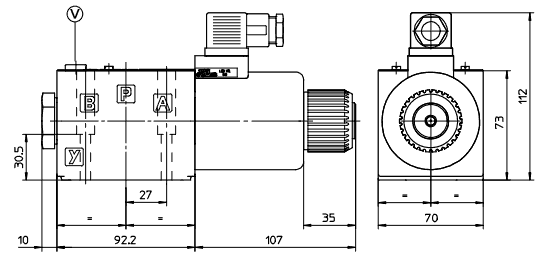
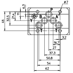
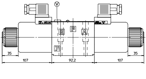
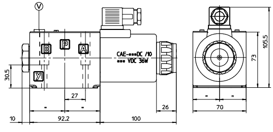
11 Присоединительные размеры с разъёмами типа SP-666 (мм)
распределитель DKE-16*-AC (масса: 3,6 кг)
|
гидрораспределитель DKE-17*-AC (масса: 4,3 кг)
|
распределитель DKE-16*-DC (масса: 4,2 кг)
|
гидрораспределитель DKE-17*-DC (масса: 5,7 кг)
|
распределитель DKER-16*-AC (масса: 3,6 кг)
|
гидрораспределитель DKER-17*-AC (масса: 4,3 кг)
|
распределитель DKER-16*-DC (масса: 4,4 кг)
|
гидрораспределитель DKER-17*-DC (масса: 5,9 кг)
|
|
Монтажная поверхность |
На корпусе распределителя обозначены каналы:
P = НАПОРНЫЙ КАНАЛ |
