Гидрораспределеитель DG4S4-012A-U-B-60

Гидрораспределитель Vickers DG4S4-012A-U-B-60
- Гидрораспределители (клапан направляющий) DG4V4-01... (Ду=10 мм) являются золотниковыми гидрораспределителями с электромагнитным управлением. Максимальное рабочее давление 250 бар (25 МПа), максимальный расход рабочей жидкости до 95 л/мин в зависимости от типа золотника, монтажная поверхность ISO 4401-05 / CETOP 5 / NFPA-D05.
- Электромагнитные катушки DC и AC можно монтировать / демонтировать без сброса давления в гидросистеме.
- Гидрораспределители DG4S4-01... серии 60 служат для управления пуском, остановом и направлением объемного потока.
- Основные части гидрораспределителей Vickers DG4S4-01...: корпус, один или два электромагнита (соленоиды), золотник, а также одна или две возвратные пружины.
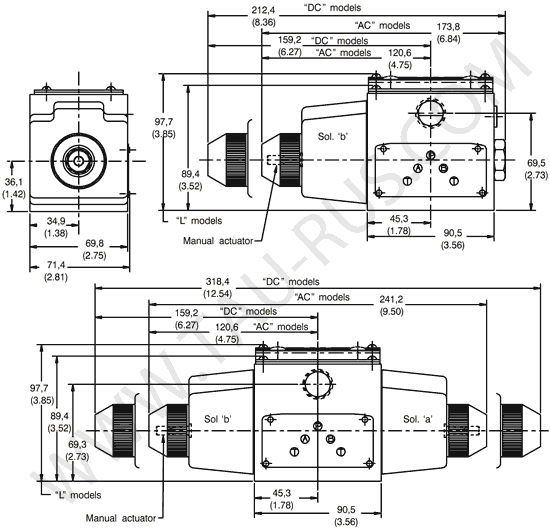
Монтажная поверхность распределителей DG4S4-01...
Идентификационный код и параметры гидрораспределителей Vickers DG4S4-01...-60
Структура условного обозначения
|
DG4S
|
|
4
|
-
|
01
|
|
2
|
|
A
|
-
|
U
|
-
|
B
|
-
|
60
|
|
|
|
|
|
|
|
|
|
Номер серии:
60 = базовая серия
|
|
|
Напряжение питания:
A = 110V VAC 50Hz
B = 110V VAC 50Hz/120V AC 60 Hz
C – 220V VAC 50 Hz
D – 220V VAC 50 Hz/240V AC 60 Hz
D – 220V VAC 50 Hz/240V AC 60 Hz
DP – 125V VDC
ED – 240V VAC 50 Hz
G – 12V VDC
H – 24V VDC
J – 48V VDC
X – 250V VDC
|
|
|
Тип электроразъёма:
U = ISO 4400 (DIN 43650)
|
|
Пружинный возврат золотника:
A = Пружинный возврат в крайнее положение (Spring offset, end-to-end)
AL = То же, что и A, только слева (Same as “A” but left hand build)
B = Пружинный возврат из крайнего положения в среднее (Spring offset, end to center)
BL = То же, что и B, только слева (Same as “B” but left hand build)
C = Пружинный возврат золотника в среднее положение (Spring centered)
F = Пружинный возврат из среднего положения в крайнее положение (Spring offset, shift to center)
FL = То же, что и F, только влево (Same as “F” but left hand build)
N = Без пружинного возврата (No-spring detented)
|
|
Тип золотника (см. гидросхемы ниже):
|
|
|
Типоразмер:
01 = типоразмер 5 (Ду=10 мм)
|
|
|
2 = двухпозиционный
4 = четырёхпозиционный
|
|
Идентификация клапанов Vickers:
D = направляющий клапан
G = стыкового / блочного монтажа
4 = с электромагнитным управлением (управление от соленоидов)
S = Рабочее давление 280 bar в линиях P, A и B
|
|
Характеристики
Максимальное рабочее давление:
Линии: P-A-B
Линии: TA, TB
|
бар
|
AC
|
DC
|
280
70
|
280
70
|
|
Максимальный расход
|
л/мин
|
до 95
|
|
Допустимое отклонение минимального управляющего напряжения от номинального
|
10%
|
|
Рабочая жидкость
|
Рабочая жидкость на минеральной основе (HL, HLP) согласно DIN 51524; биологически быстро разлагаемая рабочая жидкость согласно VDMA 24568; HETG (рапсовое масло); HEPG (полигликоль); HEES (синтетические эфиры)
|
Время отклика смещение / возврат:
золотники B/C
золотник A
золотник F
золотник N
|
мс
мс
мс
мс
|
20 / 40
18 / 25
18 / 18
25 / ...
|
50 / 80
50 / 60
30 / 80
60 / ...
|
Мощность удержания золотника соленоидом:
VAC
VDC
|
Вт
Вт
|
28-36
44
|
|
Диапазон температур рабочей жидкости
|
ºС
|
-20 ... +70
|
|
Температура окружающей среды
|
ºС
|
до +65
|
|
Диапазон вязкостей жидкости
|
сСт
|
25 ... 2320
|
|
Допустимая степень загрязнения жидкости
|
класс 20/18/15 по
ISO 4406:1999
|
|
Монтажная поверхность (соответствие стандартам)
|
ISO 4401 size 05
NFPA D05, CETOP 5
|
|
|
Полную схему условного обозначения гидрораспределителей Vickers DG4S4-01...-60 можно просмотреть здесь.
|
Гидравлические схемы распределителей VIckers DG4S4-01... серии 60
|
ПРИМЕЧАНИЯ: A, B, C, F стандартное исполнение - справа. "Соленоид А" обесточен.
Для всех моделей: возбуждение соленоида "A" дает поток линии P к линии A, а возбуждение соленоида "B" дает поток от линии P к линии B (ANSI-B93.9).
|
Типы гидрораспределителей Vickers DG4S4-01...-60 для подбора аналогов
|
Гидрораспределитель DG4S4-010C-U-H-60
|
Гидрораспределитель DG4S4-010C-U-C-60
|
|
Гидрораспределитель DG4S4-017C-U-H-60
|
Гидрораспределитель DG4S4-017C-U-C-60
|
|
Гидрораспределитель DG4S4-016C-U-H-60
|
Гидрораспределитель DG4S4-016C-U-C-60
|
|
Гидрораспределитель DG4S4-012C-U-H-60
|
Гидрораспределитель DG4S4-012C-U-C-60
|
|
Гидрораспределитель DG4S4-018C-U-H-60
|
Гидрораспределитель DG4S4-018C-U-C-60
|
|
Гидрораспределитель DG4S4-0122A-U-H-60
|
Гидрораспределитель DG4S4-0122A-U-C-60
|
|
Гидрораспределитель DG4S4-010A-U-H-60
|
Гидрораспределитель DG4S4-010A-U-C-60
|
|
Гидрораспределитель DG4S4-012A-U-H-60
|
Гидрораспределитель DG4S4-012A-U-C-60
|
|
Гидрораспределитель DG4S4-010C-U-B-60
|
Гидрораспределитель DG4S4-010C-U-A-60
|
|
Гидрораспределитель DG4S4-017C-U-B-60
|
Гидрораспределитель DG4S4-017C-U-A-60
|
|
Гидрораспределитель DG4S4-016C-U-B-60
|
Гидрораспределитель DG4S4-016C-U-A-60
|
|
Гидрораспределитель DG4S4-012C-U-B-60
|
Гидрораспределитель DG4S4-012C-U-A-60
|
|
Гидрораспределитель DG4S4-018C-U-B-60
|
Гидрораспределитель DG4S4-018C-U-A-60
|
|
Гидрораспределитель DG4S4-0122A-U-B-60
|
Гидрораспределитель DG4S4-0122A-U-A-60
|
|
Гидрораспределитель DG4S4-010A-U-B-60
|
Гидрораспределитель DG4S4-010A-U-A-60
|
|
Гидрораспределитель DG4S4-012A-U-B-60
|
Гидрораспределитель DG4S4-012A-U-A-60
|
Уважаемые посетители сайта! Приобрести аналоги гидрораспределителей Vickers DG4S4-01...-60 из наличия можно, отправив заявку на электронную почту (в правом верхнем углу каждой страницы сайта). За консультацией по подбору обращайтесь к нашим специалистам по телефонам, указанным в разделе Контакты.