Описание насосов шестеренных НШ100; НШ71
Насосы шестеренные (или ещё их называют: шестерёнчатые) НШ100-4, НШ100А-3, НШ71-4, НШ71А-3 (правого вращения) и насосы НШ100-4 Л, НШ100А-3 Л, НШ71-4 Л, НШ71А-3 Л (левого вращения) с рабочим объёмом 100 и 71 см³ соответственно, с номинальным давлением на выходе 20 МПа для НШ100-..., НШ71-... и 16 МПа для НШ100А-..., НШ71А-... предназначены для нагнетания рабочей жидкости в гидравлические системы тракторов, сельскохозяйственных и других машин.Насосы НШ 100 и НШ 71 выпускается как левого (с буквой Л в конце обозначения насоса), так и правого вращения (не указывается в обозначении), в зависимости от сборки. Левого вращения – вращение ведущего ротора против часовой стрелки, правого вращения – вращение ведущего ротора по часовой стрелке, если смотреть со стороны привода.
Пример условного обозначение насоса:
Насос НШ100А-3 Л, где:
НШ - насос шестеренный;
100 - рабочий объем насоса (см³);
А - условное обозначение завода-изготовителя;
3 - номинальное давление 16 МПа на выходе насоса;
Л - направление вращения ведущего ротора, левое, если смотреть со стороны привода (правое – не обозначается).
Конструкция соединения всасывающей гидролинии насоса НШ100 (НШ71) должна обеспечивать полную ее герметичность. Всасывающая гидролиния должна обеспечивать скорость течения жидкости на входе в насос не более 1,5 м/с и быть по возможности короткой, с минимальным количеством изгибов. На всасывающей гидролинии не разрешается устанавливать краны, фильтры и клапаны.
Напорная гидролиния насоса НШ 100-4, НШ 100А-3 (НШ 71-4, НШ 71А-3) должна обеспечивать скорость жидкости не более 5 м/с и тоже быть по возможности короткой, с минимальным количеством изгибов, сужений и угловых соединений. При наличии угловых соединений скорость жидкости не должна превышать 3,5 м/с. В напорной линии насосов НШ-100 (НШ-70) необходимо предусмотреть место для установки контрольного манометра. Потери давления в системе не должны превышать 0,6 МПа.
Основные технические характеристики насосов НШ-100 и НШ-71
|
Параметр |
Насос НШ100-4 |
Насос НШ100А-3 |
Насос НШ71-4 |
Насос НШ71А-3 |
|
Рабочий объём (± 3%), см³ |
100 |
71 |
||
|
Номинальное давление на выходе, МПа |
20 |
16 |
20 |
16 |
|
Номинальная частота вращения вала, с-1 |
32 |
|||
|
Номинальная объёмная подача, л/мин |
173,4 |
173,4 |
123,1 |
121,8 |
|
Давление на входе мин. / макс., МПа |
0,018 / 0,15 |
|||
|
Коэффициент подачи не менее |
0,95 |
0,94 |
||
|
Коэффициент полезного действия не менее |
0,86 |
|||
|
Номинальная мощность, кВт |
80,1 |
64,1 |
56,9 |
45,5 |
|
Температура окружающей среды, °C |
-50...+60 |
|||
|
Номинальная кинематическая вязкость рабочей жидкости, мм²/с |
30...40 |
55...70 |
30...40 |
55...70 |
|
Масса шестерённого насоса не более, кг |
17,0 |
|||
Применяемость и установочные размеры насосов НШ 100, НШ71
|
Наименование |
Применяемость |
Установочные размеры |
|
Насос НШ71АЛ |
К-700А, К-701, К-702М, ВМ-4А. ДЗ-98В, ДЗ-198, ДЗ-140 |
![]() Установочные размеры насосов НШ71АЛ, НШ71А, НШ100АЛ, НШ100А |
|
Насос НШ100А |
Т-500, Т-25.01, Т-35.01, Т-50.01, БелАЗ-7549/7512, Т-156, ЭО2629А/2628/В-3, АПМ-5, МоАЗ -7405-4586, МоАЗ-75051, ДЗ-13, ДЗ-115, ЛП-18А, ЛО-113, ТБ-1, ЛО-15С, ЛТ-72А, ЛО-13С, ПСЛ-2А, ТГ 321А, ТГ 503Я |
|
|
Насос НШ100АЛ |
Т-130Г, Т-170, К-700А, К-701, К-702, К-703, К-744Р, 40181, МоАЗ-4048, БелАЗ-7549, БелАЗ-7512, ПЛ-1В, ВМ-4А, ЛТ-33, ПСЛ-2А, ЭО2626/2627, ДЗ-13, ДЗ-115 |
|
|
Насос НШ100-50А-3 |
ДТ-175, Т-250, Т-180, ПЭА-1,0, ЭО-2628, ПНД-250, РЖУ-3,6, МКО-3, ПГХ-0.5, ПГ-02А, ДЗ-140, ДЗ-122, МоАЗ-546П/6014 |
- |
|
Насос НШ100-50А-3Л |
Т-15, Т-20 и мод., ТГ-221, ТГ-301 |
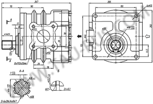
Габаритные и присоединительные размеры насосов НШ 100-4, НШ 100А-3 и НШ 71-4, НШ 71А-3

- На насосы НШ не должны передаваться механические усилия от деформаций н перемещений присоединяемых к нему гидролиний. С целью снижения влияния вибраций, пульсаций давления и резонансных явлений на насос НШ (НШ 100, НШ71 и т.д), на участке напорной гидролинии рекомендуется установить компенсирующее звено.
- Скорость изменения давления в гидросистеме до номинального значения не должна превышать 100—350 МПа/с при увеличении давления и 1000 МПа/с при уменьшении. Фильтрующее устройство должно иметь номинальную тонкость фильтрации не грубее 25 мкм н находиться в удобном для технического обслуживания месте. Для предотвращения загрязнения рабочей жидкости во время заправки рекомендуется оборудовать гидравлическую систему устройством при принудительной заливке через фильтр тонкой очистки (25 мкм).
- Рекомендуемый объем гидробака должен быть не менее 1/3 двухминутной объемной подачи насоса НШ, в зависимости от режима работы машины (легкий или тяжелый, но в два раза превышать заполняемый объем полостей гидравлической системы н обеспечивать требуемый температурный режим. Внутри гидробака между всасывающим и сливным отверстиями должна быть предусмотрена перегородка высотой 2/3 уровня масла в гидробаке.
- Отверстие всасывающей гидролинии должно располагаться у дна гидробака на расстоянии не менее трех диаметров трубы от стенки гидробака и не менее двух диаметров от дна гидробака. Отверстие сливное гидролинии должно быть расположено ниже минимально допустимого уровня рабочей жидкости в гидробаке. На гидробаке должен быть указатель уровня жидкости масла закрытого типа.
- Воздух, попадающий в бак через сапун должен быть тщательно очищен. Уровень рабочей жидкости в баке должен быть выше входного отверстия насоса на 150 мм. Гидроцилиндры должны иметь устройство, предотвращающее образование вакуума о полостях цилиндров и присоединенных к ним гидролиниях при опускании рабочего органа машины. В противном случае возможен подсос воздуха через штоковые уплотнения цилиндров и уплотнения угловых подвижных соединений гидролинии, что приводит интенсивному износу деталей насоса НШ 100 (а также насосов НШ с другим рабочим объёмом) и других узлов гидравлической системы.
- Рекомендуется также применять в цилиндрах разгрузочные устройства, снижающие пиковые давления при подходе поршня к крайним положениям, что одновременно уменьшает время работы гидравлической системы, в режиме предохранительного клапана.
- При монтаже и демонтаже элементов гидравлического привода, а также при замене масла необходимо соблюдать чистоту. Применяемое масло служит не только рабочей жидкостью для приведения в действие исполнительных органов машины, но и одновременно смазкой для подшипников насоса НШ. Поэтому загрязнение рабочей жидкости механическими примесями или попадание в них влаги вызывает образование надиров по поверхности подшипников скольжения и выводит шестерённые насосы из строя.
