ВММ16.44Ф - Гидрораспределитель, Ду = 16мм
ВММ16.44Ф - Гидрораспределитель с ручным управлением, Ду = 16мм, с фиксатором
Описание ВММ16.44Ф - Гидрораспределитель, Ду = 16мм
ВММ16.44Ф - Гидрораспределитель, Ду = 16мм представляет собой гидравлическое устройство золотникового типа с ручным управлением и условным проходом 16 мм. Его функция заключается в переключении направления и корректировке параметров потока рабочей жидкости в соответствии со схемой 44.Ф в гидросистемах, рассчитанных на расход до 60 литров в минуту.
Структура условного обозначения
|
1 |
2 |
3 |
- |
4 |
|
В |
ММ |
16 |
44.Ф |
|
1 |
Тип устройства |
В = золотниковый гидрораспределитель
|
|
2 |
Вид управления |
ММ = ручное
|
|
3 |
Условный проход |
16 мм
|
|
4 |
Схема распределения рабочей жидкости |
44.Ф (Без обозначения = без фиксации золотника; Ф = с фиксацией золотника) |
Технические характеристики
| Условный проход, мм | 16 |
| Максимальное давление в линиях A, B, P, бар | 320 |
| Давление в линии T, Мп | 16 |
| Расход, л/мин | 125 |
| Схема распределения рабочей жидкости | 44.Ф |
| Функциональная схема (количество линий и позиций) | 4/3 |
| Диапазон вязкостей жидкости, сСт | 2,8…500 |
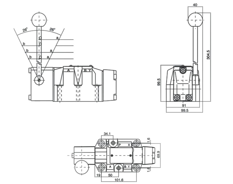
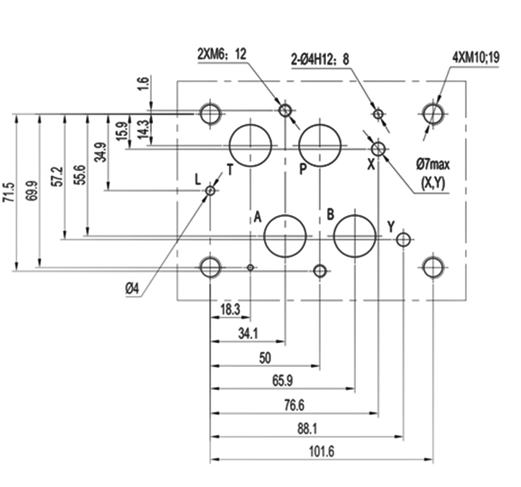
Габаритные и присоединительные размеры


Чтобы оплатить покупку в интернет-магазине достаточно добавить заинтересовавший вас товар в корзину и перейти на ее страницу. Далее останется заполнить контактную информацию и данные о доставке или возможности для самовывоза. Автоматически сформируется счет для оплаты.
Для подтверждения заказа с вами свяжется наш менеджер.
Подробнее о том, как оформить заказа, рассказали в разделе «Помощь».
Также оформить заказ можно напрямую по почте info@Tau-Rus.com, наши менеджеры оперативно ответят и помогут с подбором аналогов, если это необходимо.
Заказ, оформленный в интернет-магазине, вы можете получить двумя способами: через самовывоз с нашего склада или посредством услуг транспортной компании (на этапе оформления заказа вы можете выбрать наиболее удобный вариант и подходящую транспортную компанию).
Об условиях и возможностях доставки, рассказали в разделе «Помощь» - «Условия доставки».