Гидрораспределители 1РММ6 24 Ф, 1PMM6 24Гидрораспределители 1РММ6.24 и 1РММ6.24 Ф, также как и их аналоги гидрораспределители ВММ6.24 (Ф), предназначены для ручного управления потоками гидравлических жидкостей в гидросистемах.
Гидрораспределители 1РММ6.24, 1РММ6.24 Ф относятся к золотниковым распределителям с механическим ручным управлением, т.е. переключение положения золотника происходит с помощью механического усилия руки.
Гидравлические распределители типа 1РММ6 (ВММ6) нашли широкое применение в машиностроении, металлургии, легкой промышленности и дорожно-строительной технике. Гидрораспределители работают на минеральных маслах с кинетической вязкостью от 10 до 400 мм²/с с номинальной тонкостью фильтрации не грубее 25 мкм.Разрешается эксплуатация гидрораспределителей при температуре окружающей среды от -40 до +55°С. Климатическое исполнение и категория размещения: УХЛ4, О4, ХЛ1 по ГОСТ 15150.
Пример расшифровки обозначения гидрораспределителя 1РMM6.24 Ф УХЛ4:
золотниковый гидрораспределитель с механическим управлением, условный проход 6 мм, схема распределения 24 (Смотреть схемы распределения рабочей жидкости в гидрораспределителях...), без пружинного возврата с фиксацией, для использования в умеренной климатической зоне.
Рекомендуемые рабочие жидкости для золотниковых гидрораспределителей типа В6, 1Р6, 1Р10, В16, Р203, Р323, Р503, Р803 и функциональных гидроблоков типа ВЕХ16-хх-ПППК, БК8.00.000, 3БФ6-000, 5БФ6-000:
- летние: ИГП-18, ИГП-30, ВНИИ ИП-403, ИГПСи-20
- зимние: ВМГ3, МГЕ-10А
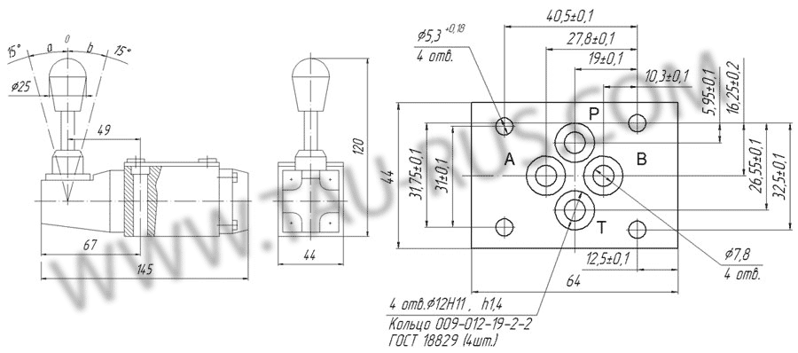
Габаритные и присоединительные размеры 1РММ6 24 (ВММ6 24)
|
Основные технические характеристики 1РММ6 24 (ВММ6 24)
| Наименование параметра | Значение параметра | ||||
| Схема распределения | 24 | ||||
| Условный проход, мм | 6 | ||||
| Расход рабочей жидкости, л/мин | 20-25 | ||||
| Номинальное давление на входе, МПа (кгс/см²) | 32 (320) | ||||
| Максимальное давление на выходе, МПа (кгс/см²) | 10 (100) | ||||
| Максимальное давление управления, МПа (кгс/см²) | 0,6-6,0 (6-60) | ||||
| Масса не более, кг | 1,6 |
Пример условного обозначения гидравлического золотникового распределителя, с условным проходом 6 мм, со схемой распределения 24, с механическим управлением переключением потоков рабочей жидкости, с пружинным возвратом, для работы в умеренном климате:
- Гидрораспределитель 1РMM6.24 УХЛ4
- Гидрораспределитель ВMM6.24 УХЛ4
Структура условного обозначения гидрораспределителей типа 1р6 и 1р10 по ТУ2-053-1815-86
