Конструкция насоса PFGШестеренные насосы PFG, внешнего зацепления, с нерегулируемым рабочим объемом, предназначены для нагнетания рабочей жидкости (гидравлических масел или синтетических жидкостей, обладающих схожими смазывающими характеристиками) в гидравлических системах тракторов, погрузчиков, автомобилей, сельскохозяйственных, коммунальных, строительно-дорожных и агрегатируемых с двигателями тракторов, машин и другой техники.
Преимущества конструкции насосов PFG ATOS S.p.A.: осевая и гидравлическая балансировка, простая и надежная конструкция, низкий уровень шума при работе, большое разнообразие рабочих объемов (от 1,4 до 52 см³/об).
Максимальное давление: 230 бар.
1 Структура условного обозначения
2 Рабочие характеристики насосов PFG при 1450 об/мин
(минеральное масло ISO VG 46 при 50°C)
| Модель |
Рабочий объём см³/об |
Максимальное давление |
Скоростной диапазон об/мин |
Расход, л/мин |
Мощность, кВт |
|
Насос PFG-114 /S |
1,4 | 220 бар | 800 - 6000 | 2,0 | 0,8 |
| Насос PFG-120 /S | 2,1 | 2,8 | 1,2 | ||
| Насос PFG-128 /S | 2,8 | 800 - 5000 | 3,7 | 1,6 | |
| Насос PFG-135 /S | 3,5 | 4,7 | 2,1 | ||
| Насос PFG-142 /S | 4,1 | 210 бар | 800 - 4000 | 5,7 | 2,4 |
| Насос PFG-149 /S | 5,2 | 7,2 | 3 | ||
| Насос PFG-160 /S | 6,2 | 200 бар | 800 - 3800 | 8,5 | 3,4 |
| Насос PFG-174 /S | 7,6 | 170 бар | 600 - 3200 | 10,5 | 3,5 |
|
Насос PFG-187 /S |
9,3 | 160 бар | 600 - 2600 | 13,0 | 4,1 |
| Насос PFG-199 /S | 11 | 140 бар | 600 - 2200 | 15,2 | 4,2 |
| Насос PFG-207 /S | 7,0 | 230 бар | 800 - 4000 | 9,7 | 4,4 |
| Насос PFG-210 /S | 9,6 | 220 бар | 600 - 3000 | 13,2 | 5,7 |
| Насос PFG-211 /S | 11,5 | 600 - 4000 | 15,8 | 6,8 | |
| Насос PFG-214 /S | 14,1 | 210 бар | 19,5 | 8 | |
| Насос PFG-216 /S | 16 | 22,0 | 9 | ||
| Насос PFG-218 /S | 17,9 | 200 бар | 500 - 3600 | 24,6 | 9,6 |
| Насос PFG-221 /S | 21 | 180 бар | 500 - 3200 | 29,0 | 10,2 |
| Насос PFG-227 /S | 28,2 | 150 бар | 500 - 2500 | 38,7 | 11,4 |
| Насос PFG-327 /S | 26 | 230 бар | 500 - 3000 | 35,8 | 16,2 |
| Насос PFG-340 /S | 39 | 220 бар | 500 - 3000 | 54,0 | 23,3 |
| Насос PFG-354 /S | 52 | 200 бар | 400 - 2400 | 71,5 | 28 |
На предельных давлениях допускается пульсация 20%.
Расход и потребляемая мощность указаны для максимального функционального давления и пропорциональны скорости вращения.
3 Основные характеристики шестеренных насосов PFG
| Положение в пространстве | Любое |
| Нагрузки на вал |
Осевые и радиальные нагрузки на валу не допускаются. Муфта должна быть подобрана с таким расчётом, чтобы поглощать пиковые нагрузки. |
| Температура окружающей среды | от -20 до +70 °C |
| Применяемые рабочие жидкости |
Гидравлическое масло по DIN 51524 .... 535; по другим типы жидкостей рекомендуется проконсультироваться со специалистами ООО "Таурус" |
|
Рекомендуемая вязкость
- максимум при холодном старте
- максимум при полной мощности - во время работы - минимум при полной мощности |
|
| Класс чистоты рабочей жидкости | ISO 19/16 ( тонкости фильтрации 25 мкм при β ≥ 75) |
| Температура рабочей жидкости |
от -20º С до +60º С; от -20º С до +50º С (уплотнения /WG) от -20º С до +80º С (уплотнения /PE) |
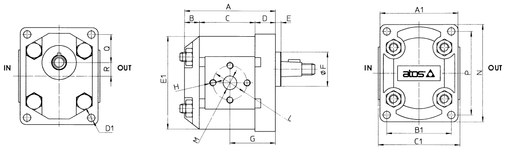
4 Размеры шестеренных насосов Atos PFG
|
|
Модель насоса |
A | B | C | D | E | ØF | G | H | ØL | ØM | N | P | Q | R | A1 | B1 | C1 | ØD1 | E1 | Масса, кг | |
| In | Out | ||||||||||||||||||||
| PFG-114 | 80,5 | 18 | 45 | 17,5 | 5,5 | 30 f8 | 40 | M6 | 30 | 13 | 13 | 86 | 73 | 24,5 | 12 | 67,5 | 56 | 71 | 6,5 | 84,5 | 1,25 |
| PFG-120 | 82,5 | 47 | 41 | 1,28 | |||||||||||||||||
| PFG-128 | 84,5 | 49 | 42 | 1,32 | |||||||||||||||||
| PFG-135 | 86,5 | 51 | 43 | 1,40 | |||||||||||||||||
| PFG-142 | 88,5 | 53 | 44 | 1,45 | |||||||||||||||||
| PFG-149 | 91,5 | 56 | 45,5 | 1,5 | |||||||||||||||||
| PFG-160 | 94,5 | 59 | 47 | 1,58 | |||||||||||||||||
| PFG-174 | 98,5 | 63 |
49 51,5 |
1,66 | |||||||||||||||||
| PFG-187 | 103,5 | 68 | 1,73 | ||||||||||||||||||
| PFG-199 | 108,5 | 73 | 54 | 1,9 | |||||||||||||||||
| PFG-207 | 97,5 | 21 | 58 | 18,5 | 5 | 36,5 f8 | 47,5 | M8 | 40 | 13 | 13 | 112,5 | 96 | 32,49 | 15,5 | 88 | 71,5 | 90 | 8,5 | 102 | 2,6 |
| PFG-210 | 101,5 | 62 | 49,5 | 2,69 | |||||||||||||||||
| PFG-211 | 104,5 | 65 | 51 | 19 | 2,75 | ||||||||||||||||
| PFG-214 | 108,5 | 69 | 53 | 2,86 | |||||||||||||||||
| PFG-216 | 111,5 | 72 | 54,5 | 2,95 | |||||||||||||||||
| PFG-218 | 114,5 | 75 | 56 | 3 | |||||||||||||||||
| PFG-221 | 119,5 | 80 | 58,5 | 19 | 3,16 | ||||||||||||||||
| PFG-227 | 132 | 88 | 64 | 3,51 | |||||||||||||||||
| PFG-327 | 133,5 | 25 | 85 | 23,5 | 5 | 50,8 f8 | 66 | M10 | 56 | 27 | 19 | 151,5 | 128 | 43 | 22 | 120,5 | 98,5 | 120 | 11 | 148 | 6,35 |
| PFG-340 | 142,5 | 94 | 70,5 | 27 | 6,85 | ||||||||||||||||
| PFG-354 | 151,5 | 103 | 75 | 7,3 | |||||||||||||||||
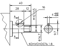
5 Размеры приводного вала и пределы по крутящему моменту
Вал насоса PFG-1
|
Вал насоса PFG-2
|
Вал насоса PFG-3
|
||||||||||||
|
||||||||||||||

Вал насоса PFG-1
Вал насоса PFG-2
Вал насоса PFG-3