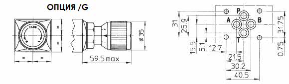
Дроссели HQ-012/G, KQ-014, JPQ-222, JPQ-324/G
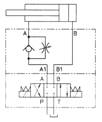
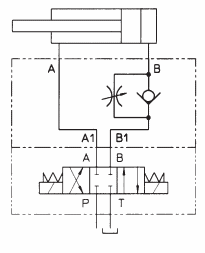
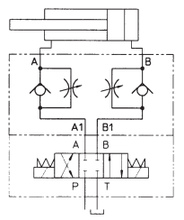
Регуляторы расхода (гидродроссели) HQ, KQ, JPQ с обратным клапаном для отвода встречного потока предназначены для создания перепада давлений в подводимом и отводимом потоках рабочей жидкости или регулировании потока в одном направлении и для свободного пропускания потока при прохождении его в обратном направлении.
Клапаны предназначены для работы в гидросистемах с гидравлическим минеральным маслом или синтетической жидкостью, обладающей сходными смазывающими характеристиками.
- Клапаны HQ-0 = ISO 4401 размер 06: расход до 25 л/мин для опции /U, до 80 л/мин для стандартной версии, давление до 350 бар;
- Клапаны KQ-0 = ISO 4401 размер 10: расход до 160 л/мин, давление до 315 бар;
- Клапаны JPQ-2 = ISO 4401 размер 16: расход до 200 л/мин, давление до 350 бар;
- Клапаны JPQ-3 = ISO 4401 размер 25: расход до 300 л/мин, давление до 350 бар.
В базовом исполнении регулирование потока производится путем вращения регулировочного винта. По заказу возможна опция с микрометрической шкалой.
Вращение регулятора по часовой стрелке уменьшает расход.
Монтажная поверхность клапана выполенена в соответствии с ISO 4401.
Клапаны HQ-012 (6мм) и KQ-012 (10мм) могут устанавливаться вместо:
- Дроссель HQ-012 /G (/U) ⇒ ДКМ-6/3В (ДКМ-6/3М), МДКМ-6/3М, Д2ФС-6-2 (исп. Р1)
- Клапаны KQ-012 /G ⇒ ДКМ-10/3В (ДКМ-10/3), МДКМ-10/3М, Д2ФС-10-2 (исп. Р1)
1 Основные характеристики модульных клапанов HQ, KQ, JPQ
| Положение при монтаже |
Любое. JPQ не может работать совместно с распределителями, оснащёнными гидроуправлением, потому что JPQ не имеет дренажного канала |
| Характеристика стыковочной поверхности | Шерохова тость Ra=0,4, неплоскостность 0,01 /100 (ISO 1101) |
| Температура окружающей среды | от -20°С до + 70°С. |
| Рабочая жидкость | Гидравлическое масло по DIN 51524...535 ; другие типы жидкостей см. раздел [ 2 ] |
| Рекомендуемая вязкость | 15÷100 сСт при 40°С (ISO VG 15÷100) |
| Класс чистоты рабочей жидкости | ISO 19/16, достигается при тонкости фильтрации 25 мкм и рекомендуемом β≥75 |
| Температура рабочей жидкости |
от -20°С до +60°С (стандартные и /WG уплотнения); от -20°С до +80° (уплотнения /РЕ) |
2 Расшифровка обозначения регуляторов расхода HQ, KQ, JPQ-2 и JPQ-3
3 Конфигурации дросселей с обратным клапаном HQ, KQ, JPG
Дроссели: |
Дроссели: |
Дроссели: |
Дроссели: |
Дроссели: |
Дроссели: |
4 Графики Q/ΔP для различных вариантов регуляторов расхода
(минеральное масло ISO VG 46 при 50°C)
Графики для дросселя HQ-0** (Ду = 6 мм)
1 = График регулирования при Δp = 10 бар (1.1 = опция /U) |
|
Графики для дросселя KQ-0** (Ду = 10 мм)
1 = График регулирования при Δp = 10 бар |
|
Графики для клапанов JPQ-2** (Ду = 16 мм)
1 = График регулирования при Δp = 10 бар |
|
Графики для клапанов JPQ-3** (Ду = 25 мм)
1 = График регулирования при Δp = 10 бар |
|
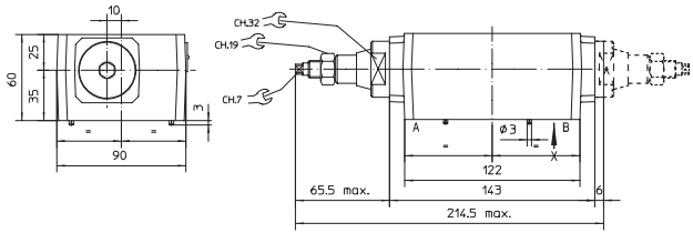
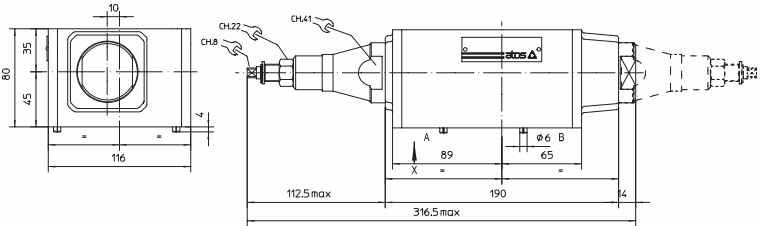
5 Размеры регуляторов расхода HQ
Гидродроссели |
|
Гидродроссели |
В версии -014 и -024 регулятор расположен со стороны канала В (пунктирная линия) вместо стороны канала А |
Монтажная поверхность
Крепление: 4 винта M5. |
|
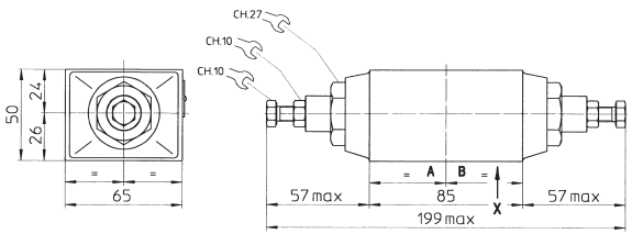
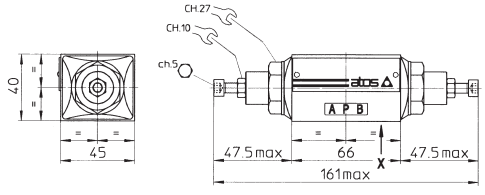
6 Размеры регуляторов расхода KQ
Гидродроссели |
|
Гидродроссели |
В версии -014 и -024 регулятор расположен со стороны канала В (пунктирная линия) вместо стороны канала А |
Монтажная поверхность
Крепление: 4 винта M6. |
|
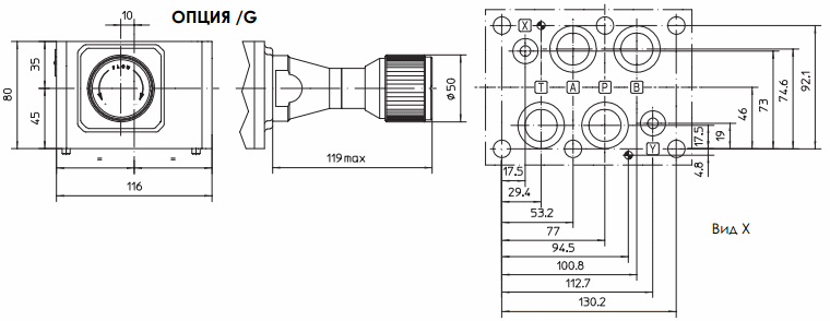
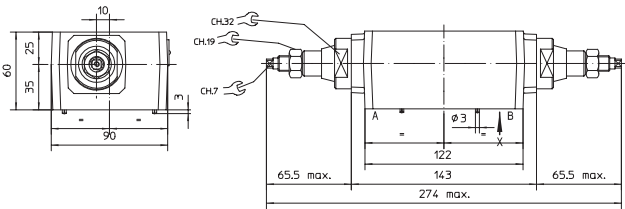
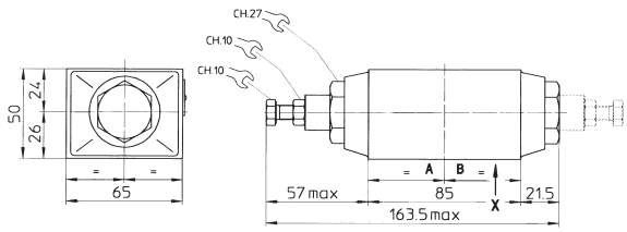
7 Размеры регуляторов расхода JPQ-2
Гидродроссели |
|
Гидродроссели |
В версии -214 и -224 регулятор расположен со стороны канала В (пунктирная линия) вместо стороны канала А |
Монтажная поверхность
Крепление: 4 винта M10 и 2 M6. |
|
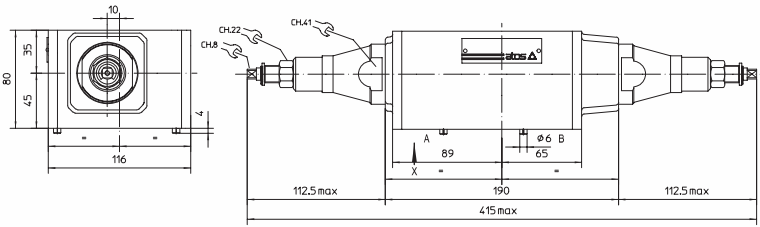
8 Размеры регуляторов расхода JPQ-3
Гидродроссели JPQ-312, JPQ-322 |
|
Гидродроссели JPQ-313, JPQ-314, JPQ-323, JPQ-324 |
В версии -314 и -324 регулятор расположен со стороны канала В (пунктирная линия) вместо стороны канала А. |
Монтажная поверхность
Крепление: 6 винтов M12. |
|
