Бренды
Компания
  • О компании
  • Сертификаты
  • Реквизиты
  • Новости
Публикации
Контакты
    info@Tau-Rus.com
    Для заявок и обратной связи
    +7 (8482) 44-00-64
    +7 (8482) 44-00-64
    Заказать звонок
    E-mail
    info@Tau-Rus.com
    Адрес
    г. Тольятти Офис: ул. Маршала Жукова, 35Б, оф. 205
    Режим работы
    Пн-Пт 08:00 - 17:00
    Заказать звонок
    Войти
    0 Сравнение
    0 Избранное
    0 Корзина
    Гидравлика
    Запчасти и оснастка к станкам, прессам и гильотинам
    Контрольно-измерительные приборы
    Гидронасосы
    Пневматическое оборудование
    РТИ
    Системы смазки
    Фильтры гидравлические
    Электродвигатели
    • Гидравлика
      • Аккумуляторы пневмогидравлические
        Аккумуляторы пневмогидравлические
        • Аккумуляторы пневмогидравлические баллонные      
          • AS, ASP - Гидроаккумуляторы балонные
          • NXQA - Гидроаккумуляторы балонные
        • Аккумуляторы пневмогидравлические мембранные      
          • AML - Гидроаккумуляторы мембранные
          • AMS - Аккумуляторы пневмогидравлические мембранные
          • MBSP - Аккумуляторы пневмогидравлические мембранные
        • Гидроаккумуляторы поршневые      
          • AP - Гидроаккумуляторы поршневые
        • Принадлежности для аккумуляторов      
          • АПГ-Б - Разделители эластичные (баллоны) для пневмогидроаккумуляторов ТУ 38.605173-92
      • Гидромоторы
        Гидромоторы
        • Г15-2*Р - Гидромоторы аксиально-поршневые
      • Гидрораспределители
        Гидрораспределители
        • Гидрораспределители модульные с альтернативным способом управления
        • Гидрораспределители модульные с пилотным электрогидравлическим управлением      
          • 1Р203 (1Р202, 2Р203, 2Р202) - Гидрораспределители с пилотным управлением CETOP 08 (Ду=20 мм)
          • 1Р323 (1Р322, 2Р323, 2Р322) - Гидрораспределители с пилотным управлением CETOP 10 (Ду=32 мм)
          • DSP7, DSC7 - Гидрораспределители с пилотным управлением CETOP 07 (Ду=16 мм)
          • ВЕХ16 - Гидрораспределители с пилотным управлением CETOP 07 (Ду=16 мм)
        • Гидрораспределители модульные с прямым электромагнитным управлением      
          • 4WE10 - Гидрораспределители с электромагнитным управлением CETOP 05 (Ду=10 мм)
          • 4WE6 - Гидрораспределители с электромагнитным управлением CETOP 03 (Ду=6 мм)
          • DL5B - Гидрораспределители с электромагнитным управлением CETOP 05 (Ду=10 мм)
          • DS3 - Гидрораспределители с электромагнитным управлением CETOP 03 (Ду=6 мм)
          • DS5 - Гидрораспределители с электромагнитным управлением CETOP 05 (Ду=10 мм)
          • MD1D - Гидрораспределители с электромагнитным управлением CETOP 03 (Ду=6 мм)
          • MDT - Гидрораспределители с электромагнитным управлением клапанного типа CETOP 03 (Ду=6 мм)
          • ВЕ10 - Гидрораспределители с электромагнитным управлением CETOP 05 (Ду=10 мм)
          • ВЕ43 - Гидрораспределители с электромагнитным управлением DIN 24340-A4 (Ду=4 мм)
          • ВЕ6 - Гидрораспределители с электромагнитным управлением CETOP 03 (Ду=6 мм)
          • ПГ73-11(М), ПГ73-12(М) - Гидрораспределители
        • Гидрораспределители модульные с ручным управлением      
          • 1Рн203, 1Рн323 - Гидрораспределители с ручным управлением CETOP 08 и 10 (Ду=20 и 32 мм)
          • DSH - Гидрораспределители с ручным управлением CETOP 03 и R05 (Ду=6 и 10 мм)
          • ВММ - Гидрораспределители с ручным управлением CETOP 03 и 05 (Ду=6 и 10 мм)
        • Принадлежности для гидрораспределителей      
          • C22S3, C20.6S3 - Электромагниты (соленоиды, катушки) для распределителей DS3
          • DIN 43650 A LED - Разъемы электрические со светодиодной индикацией
          • ECA, ECB1, ECB2, ECD, ECH - Электроразъёмы (штекеры) для гидрораспределителей
          • VC43, VC06, VC10 - Электромагниты (соленоиды, катушки) для гидрораспределителей ВЕ43, ВЕ6, ВЕ10
          • МЭГ6-2, МЭГ10-2 - Электромагниты (соленоиды, катушки) для гидрораспределителей
          • С31, C25.4 - Электромагниты (соленоиды, катушки) для распределителей DS5
        • Гидрораспределители встраиваемые, картриджные      
          • 005.5* (VEP) - Клапаны встраиваемые
          • KT08 - Встраиваемые гидрораспределители клапанного типа
        • Гидрораспределители крановые      
          • *Г73-21, *Г73-31 - Гидрораспределители крановые
          • RSAP2V, RSAP3V - Краны шаровые (гидрораспределители) для высокого давления
          • КГ3ХОЦ, КГ3ХЗЦ - Краны гидравлические
        • Гидрораспределители моноблочные       
          • *P40 - Гидрораспределители моноблочные
        • Гидрораспределители секционные
      • Гидростанции и гидропанели
        Гидростанции и гидропанели
        • СВ-М1, СВ-М5 - Гидростанции
      • Гидротолкатели и крановые тормоза
        Гидротолкатели и крановые тормоза
        • ТКГ - Тормозы колодочные крановые с гидротолкателями ТЭ
        • ТЭ - Гидротолкатели (толкатели электрогидравлические)
      • Гидроцилиндры
        Гидроцилиндры
        • FMR, FMH - Бесконтактные индуктивные датчики для гидроцилиндров HC2
        • HC2 - Гидроцилиндры по ISO 6020/2 и DIN 24554
        • HC3 - Гидроцилиндры по ISO 6020 и DIN 24333
        • MDA - Гидроцилиндры
        • MDR - Гидроцилиндры по ISO 3320 и ремкомплекты SK/MDR
        • SK/HC2 - Комплект уплотнений (ремкомплекты) для гидроцилиндров HC2
        • ЦГ - Гидроцилиндры одно- и двустороннего действия
      • Гидроклапаны давления
        Гидроклапаны давления
        • Гидроклапаны давления прочие      
          • MSD - Клапаны последовательности CETOP 03 (Ду=6 мм)
          • OWC - Клапаны подпорно-тормозные
          • OWC - Клапаны подпорно-тормозные (Ду=10 мм)
          • OWC-30 - Клапаны подпорно-тормозные
          • PBM3 - Клапаны подпорные CETOP 03 (Ду=6 мм)
          • PCK06 - Компненсаторы давления
          • PCM3 - Компенсаторы давления CETOP 03 (Ду=6 мм)
          • SD4M - Гидроклапаны последовательности CETOP 05 (Ду=10 мм)
          • МКГВ - Клапаны гидроуправляемые встраиваемые
          • МКГВ, МКОВ, МКПВ - Гидроклапаны
        • Гидроклапаны управления давлением      
          • *Г54-3 - Гидроклапаны давления
          • *Г52-1 - Гидроклапаны предохранительные с переливным золотником
          • *Г52-2 - Гидроклапаны предохранительные
          • *Г54-2 - Гидроклапаны предохранительные
          • *Г66-3*(М) - Гидроклапаны давления с обратным клапаном (трубный монтаж)
          • *ПГ57-72 - Гидроклапаны усилия зажима
          • П*Г66-3*(М) - Гидроклапаны давления с обратным клапаном (стыковой монтаж)
          • ПГ57-6* - Регуляторы давления
        • Гидроклапаны подпорные и балансировочные      
          • DZC - Гидроклапаны балансировочные
          • ZC2 - Гидроклапаны балансировочные
        • Гидроклапаны предохранительные      
          • CR - Гидроклапаны предохранительные картриджного типа, седло D-10B
          • CRQ - Гидроклапаны предохранительные картриджного типа, седло D10C
          • MCD - Гидроклапаны предохранительные CETOP 03 (Ду=6 мм)
          • MRQ - Гидроклапаны предохранительные CETOP 03 (Ду=6 мм)
          • MRV - Гидроклапаны предохранительные CETOP 03 и 05 (Ду=6 и 10 мм)
          • PRM5 - Гидроклапаны предохранительные CETOP 05 (Ду=10 мм)
          • PRM7 - Гидроклапаны предохранительные CETOP 07 (Ду=16 мм)
          • RM*-W - Гидроклапаны предохранительные перепускные
          • RQ*-P - Предохранительные клапаны CETOP R06, R08 и R10 (Ду=10, 20 и 32 мм)
          • RQ*-W - Клапаны предохранительные
          • RQ4M - Клапаны предохранительные CETOP 05 (Ду=10 мм)
          • RQA, RQR - Клапаны разгрузки
          • RQM*-P - Клапаны предохранительные CETOP R06, R08 и R10 (Ду=10, 20 и 32 мм)
          • RQM*-W - Клапаны предохранительные
          • КЕМ-102 - Гидроклапаны предохранительные модульного монтажа CETOP 05 (Ду=10 мм)
          • КПВ - Клапаны предохранительные встраиваемые
          • КПМ-6/3 - Гидроклапаны предохранительные модульного монтажа CETOP 03 (Ду=6 мм)
          • МКПВ-*/3С - Гидроклапаны предохранительные стыкового монтажа
          • МКПВ-*/3Т - Гидроклапаны предохранительные трубного монтажа
          • МКПВ-*/3Ф - Гидроклапаны предохранительные фланцевого монтажа
          • МКПВ-10/3М - Гидроклапаны предохранительные модульного монтажа CETOP 05 (Ду=10 мм)
          • МКПВ-4/3 - Гидроклапаны предохранительные модульного монтажа DIN 24340-A4 (Ду=4 мм)
          • СКП - Клапаны предохранительные для смазочных систем
        • Гидроклапаны редукционные      
          • MPRV - Гидроклапаны редукционные CETOP 03 и 05 (Ду=6 и 10 мм)
          • MZD - Клапаны редукционные CETOP 03 (Ду=6 мм)
          • Z*-P - Клапаны редукционные
          • Z4M - Клапаны редукционные CETOP 05 (Ду=10 мм)
          • КРМ-6/3 - Гидроклапаны редукционные CETOP 03 (Ду=6 мм)
          • МКРВ-*/3С - Гидроклапаны редукционные стыкового монтажа
          • МКРВ-*/3Ф, МКРВ-*/3П - Гидроклапаны редукционные встраиваемые
          • МКРВ-10/3М- Гидроклапаны редукционные модульного монтажа CETOP 05 (Ду=10 мм)
      • Гидроклапаны расхода и дроссели
        Гидроклапаны расхода и дроссели
        • Делители потока гидравлические      
          • VDF - Делители (сумматоры) потока
          • МКД, МКД-С - Делители потока
        • Дроссели гидравлические      
          • ДКМ - Гидродроссели с обратным клапаном
          • DV, DRV - Дроссели гидравлические линейные двухстороннего и одностороннего действия
          • KBMK - Гидродроссели линейные с обратным клапаном
          • MERS - Гидродроссель CETOP 03 (Ду=6 мм)
          • MK*G - Гидродроссели линейные с обратным клапаном
          • QTM5 - Гидродроссель CETOP 05 (Ду=10 мм)
          • RSN, RS - Дроссели гидравлические линейные двухстороннего и одностороннего действия
          • VRF*C - Гидродроссели линейные с обратным клапаном
          • В*-4/320, В*-4/500 - Гидровентили и краны-демпферы для манометров
          • ВВ-351, ВВ-352 - Электропневмовентили
          • ДК, ДК-С, ДР, ДР-С - Гидродроссели
          • МДВ, МДКВ - Гидродроссели встраиваемые
          • МДО - Гидродроссели путевые
        • Регуляторы расхода гидравлические      
          • RPC1 - Регуляторы расхода (дроссели)
          • RPC2, RPC3 - Регуляторы расхода (дроссели) скомпенсированные по давлению
          • VRC - Регуляторы расхода (дроссели)
          • МПГ55-1*(М) - Регуляторы расхода с предохранительным клапаном
          • МПГ55-2*(М) - Регуляторы расхода
          • МПГ55-3*(М) - Регуляторы расхода
          • ПГ77-1* - Регуляторы расхода (гидродроссели)
          • РПМ-102 - Регулятор расхода модульный CETOP 05 (Ду=10 мм)
      • Обратные гидроклапаны и гидрозамки
        Обратные гидроклапаны и гидрозамки
        • *РА, *ТА, *ПА - Гидрозамки
        • 1МКО - Гидроклапаны обратные стыкового монтажа
        • CHM5 - Гидрозамки CETOP 05 (Ду=10 мм)
        • MVPP - Гидрозамки CETOP 03 (Ду=6 мм)
        • MVR - Гидроклапаны обратные CETOP 03 (Ду=6 мм)
        • S*A-05 - Гидроклапаны обратные линейные трубного монтажа
        • VBPS - Гидрозамки трубного монтажа
        • VD*-W* - Клапаны обратные линейные трубного монтажа VD2 (VD3, VD4, VD5, VD6, VD7, VD8, VD9)-W(1, 2,
        • VR*-I - Клапаны обратные встраиваемые
        • VR*-P* - Гидроклапаны обратные стыкового монтажа
        • VR*E - Гидрозамки трубного монтажа
        • VUSF - Клапаны ИЛИ трубного монтажа
        • Г51-3* - Гидроклапаны обратные
        • ГЗ-* - Гидрозамки
        • ГЗВ - Гидрозамки встраиваемого исполнения
        • ГЗМ-*/3 - Гидрозамки модульного монтажа CETOP 03, 05, 07, 08 (Ду=6, 10, 16, 20 мм)
        • КГВ - Клапаны гидроуправляемы встраиваемые
        • КОВ - Клапаны обратные встраиваемые
        • КОЛ*3 - Гидроклапаны обратные линейные трубного монтажа
        • КОМ-6/3, КОМ-10/3 - Клапаны обратные CETOP 03 и 05 (Ду=6 и 10 мм)
        • М-*КУ, Т-*КУ - Гидрозамки стыкового и трубного монтажа
        • МКОВ-*/3Ф - Гидроклапаны обратные встраиваемые
        • ПГ51-2* - Гидроклапаны обратные
        • Еще
      • Плиты гидравлические
        Плиты гидравлические
        • Многоместные гидравлические плиты      
          • MD-03P - Плиты гидравлические многоместные CETOP 03 (Ду=6 мм) для ВЕ6
          • MD-05P - Плиты гидравлические многоместные CETOP 05 (Ду=10 мм) для ВЕ10
        • Одноместные гидравлические плиты      
          • 130350, Р202, Р323 - Плиты монтажные гидравлические CETOP 07, 08, 10 (Ду=16, 20 и 32 мм)
          • 138857, 141280, 114756.00 - Плиты монтажные гидравлические CETOP 03 и 05 (Ду=6 и 10 мм)
          • D03SP* - Плиты монтажные гидравлические CETOP 03 (Ду=6 мм) для ВЕ6
          • D05SP* - Плиты монтажные гидравлические CETOP 05 (Ду=10 мм) для ВЕ10
          • D07SP* - Плиты монтажные гидравлические CETOP 07 (Ду=16 мм) для ВЕХ16
          • PMD4 - Плита монтажная одноместная CETOP 05 (Ду=10 мм)
          • PMMD - Плиты присоединительные для гидрораспределителей CETOP 03 (Ду=6 мм)
          • PMRQ* - Плиты монтажные для клапанов CETOP R06, R08 и R10 (Ду=10, 20 и 32 мм)
          • PMSZ* - Плиты монтажные для редукционных клапанов Z3-P5* и Z5-P5* CETOP R06 и R08 (Ду=10 и 20 мм)
          • RM4*-MP - Гидравлические монтажные плиты для клапанов Ду=10 мм
        • Гидравлические плиты-заглушки и переходники (адаптеры)      
          • PC - Переходная плита с CETOP 05 (Ду=10 мм) на CETOP 03 (Ду=6 мм)
          • PE - Плиты-заглушки CETOP 03 и 05 (Ду=6 и 10 мм)
          • В*-73-* - Плиты переходные на CETOP 03, 05 и 07 (Ду=6, 10 и 16 мм)
      • Пропорциональные гидравлические клапаны
        Пропорциональные гидравлические клапаны
        • DSE3 - Гидрораспределители с электронным пропорциональным управлением CETOP 03 (Ду=6 мм)
        • QDE3, QDE5 - Регуляторы расхода с электронным пропорциональным управлением CETOP 03 и 05 (Ду=6 и 10
      • Теплообменники масляные, маслоохладители
        Теплообменники масляные, маслоохладители
        • Маслоохладители водяные      
          • МО - Маслоохладители водяные
        • Теплообменники воздушные      
          • AH - Теплообменники воздушно-масляные
          • SD - Теплообменники воздушно-масляные
          • SS - Теплообменники воздушно-масляные
          • Г44-2* - Теплообменники воздушные
      • Гидравлические фитинги, РВД, трубы
        Гидравлические фитинги, РВД, трубы
        • Рукава высокого давления (РВД)      
          • 1SN, 2SN - Гидравлические рукава высокого давления (РВД)
        • Трубы гидравлические
        • Фитинги и соединения гидравлические      
          • 1002* - Гидравлические фитинги с врезным кольцом по DIN 2353 ( 24° ), гайка обжимная и врезное кольц
          • 1003*.1 - Гидравлические фитинги прямые с цилиндрической резьбой BSP
          • 1013*.1 - Гидравлические фитинги угловые поворотные типа Banjo, уплотнение из эластомера, резьба цил
          • 1018*.1 - Гидравлические фитинги прямые с конической резьбой NPT
          • 1021*.1 - Гидравлические фитинги угловые с конической резьбой NPT
          • 1035*.1 - Гидравлические фитинги соединители трубок
          • 1036*.1 - Гидравлические фитинги соединители трубок для перегородок в сборе
      • Реле давления гидравлические
        Реле давления гидравлические
        • *Г62-11, *Г62-21(М) - Реле давления гидравлические
        • *РД(П) - Реле давления гидравлические
        • 4820 - Реле давления гидравлические поршневые
        • JCS-02 - Реле давления гидравлические поршневые
        • MAP - Реле давления поршневые гидравлические
        • PSM - Реле давления
        • PST, PSP - Реле давления гидравлические поршневые
        • TS-4 - Реле давления гидравлические поршневые
    • Запчасти и оснастка к станкам, прессам и гильотинам
      • Виброопоры и клиновые опоры
        Виброопоры и клиновые опоры
        • ОВ, ФГС - Виброопоры (виброизолирующие опоры) и фиксаторы
        • ОСТ2 Р79-1-78 - Опоры клиновые регулируемые
      • Головки воздухоподводящие
        Головки воздухоподводящие
        • ГВП - Головки воздухоподводящие
        • Ремкомплекты головок воздухоподводящих ГВП
      • Запчасти к станкам
        Запчасти к станкам
        • Диски фрикционные к токарно-винторезным станкам 1К62
      • Муфты-тормоз и запчасти
        Муфты-тормоз и запчасти
        • Запчасти для муфты-тормоз      
          • Вкладыши фрикционные
          • Диски зубчатые к муфте-тормоз УВ31
          • Диски тормозные (фрикционные) с накладками к муфте-тормоз УВ31
          • Запасные части к муфте-тормоз УВ31
          • Накладки и секторы фрикционные
          • Ремкомплекты к муфте-тормоз УВ31
          • Ремкомплекты к муфте-тормоз УД3124, УД3130
          • Ремкомплекты к тормозам многофрикционным У26, УА26, УБ26, УВ26
        • Муфты-тормоз      
          • УВ31* - Муфты-тормоз
          • УД31* - Муфты-тормоз и запчасти
      • Накладки, вкладыши, секторы фрикционные
        Накладки, вкладыши, секторы фрикционные
      • Ножи для гильотин
        Ножи для гильотин
      • Трубки гибкие для подачи СОЖ
        Трубки гибкие для подачи СОЖ
        • Трубки гибкие 1/2" для подачи СОЖ      
          • Клещи и аксессуары для трубки СОЖ 1/2"
          • Наконечники для трубки СОЖ 1/2"
          • Переходники и модульные вентили для трубки СОЖ 1/2"
          • Сегменты и комплекты трубки для подачи СОЖ 1/2"
          • Соединители и резьбовые вентили для трубки СОЖ 1/2"
        • Трубки гибкие 1/4" для подачи СОЖ      
          • Клещи и аксессуары для трубки СОЖ 1/4"
          • Наконечники для трубки СОЖ 1/4"
          • Переходники и модульные вентили для трубки СОЖ 1/4"
          • Сегменты и комплекты трубки для подачи СОЖ 1/4"
          • Соединители и резьбовые вентили для трубки СОЖ 1/4"
        • Трубки гибкие 3/4" для подачи СОЖ      
          • Клещи и аксессуары для трубки СОЖ 3/4"
          • Наконечники для трубки СОЖ 3/4"
          • Переходники и модульные вентили для трубки СОЖ 3/4"
          • Сегменты и комплекты трубки для подачи СОЖ 3/4"
          • Соединители и резьбовые вентили для трубки СОЖ 3/4"
        • Трубки гибкие 3/8" для подачи СОЖ      
          • Клещи и аксессуары для трубки СОЖ 3/8"
          • Наконечники для трубки СОЖ 3/8"
          • Переходники и модульные вентили для трубки СОЖ 3/8"
          • Сегменты и комплекты трубки для подачи СОЖ 3/8"
          • Соединители и резьбовые вентили для трубки СОЖ 3/8"
      • Уравновешиватели пневматичесие и запчасти
        Уравновешиватели пневматичесие и запчасти
        • Запчасти для уравновешивателей пневматических
        • Уравновешиватели пневматические для прессов
      • Электроаппаратура
        Электроаппаратура
        • БПМ21 - Блоки путевых микровыключателей
        • Магнитные плиты, оснастка      
          • 2С7208, 1С7208 - Плиты магнитные синусные поворотные
          • 7208 - Плиты электромагнитные мелокполюсные
          • 7208 (ГОСТ 16528-87) - Плиты магнитные
          • Плиты электромагнитные диаметром 630, 800, 1000, 1200 мм
        • МП - Микровыключатели      
          • МП1*Л - Микровыключатели
          • МП2*Л - Микровыключатели
        • Педали электрические
        • ПК12-21(Д) - Переключатели крестовые
        • ВП61, ВП63, ВП64 - Путевые выключатели
        • Электромагнитные муфты
    • Контрольно-измерительные приборы
      • Контрольно-измерительные приборы давления
        Контрольно-измерительные приборы давления
        • Вакууметры
        • Индикаторы давления      
          • ИД-1 - Индикатор давления
        • Манометры и элементы подключения      
          • Краны и переключатели манометров
          • Манометры виброустойчивые (гидрозаполненные)
          • Манометры технические
        • Реле и датчики давления      
          • 4920G2* Euroswitch - Реле давления регулируемое мембранное трёхконтактное
          • РД-4/25(М) - Реле давления
          • Реле давления по ГОСТ 26005-83
        • Сильфоны измерительные      
          • Сильфоны измерительные многослойные
          • Сильфоны измерительные однослойные
          • Сильфоны измерительные сварные стальные пластинчатые
      • Контрольно-измерительные приборы расхода
      • Контрольно-измерительные приборы температуры
      • Контрольно-измерительные приборы уровня жидкости
        Контрольно-измерительные приборы уровня жидкости
        • LG1, LG2 - Указатели уровня масла
        • LS - Указатели уровня масла с термометром
        • LT, LV - Индикаторы (указатели) уровня масла
        • YWZ - Указатели уровня масла
        • МС-1, МС-2 - Маслоуказатель
      • Прочие контрольно-измерительные приборы
        Прочие контрольно-измерительные приборы
    • Гидронасосы
      • Насосы-дозаторы (гидрорули)
      • Гидропневматические насосы (преобразователи)
        Гидропневматические насосы (преобразователи)
        • НП1, НП8 - Гидропневматические насосы
      • Насосные агрегаты
        Насосные агрегаты
        • А50НР, А50НС - Насосные агрегаты
        • БГ11-11* - Агрегаты насосные с электродвигателем, монтаж на плите
        • БГ11-2*(А) - Агрегаты насосные с электродвигателем, монтаж на плите
        • ВГ11-11* - Агрегаты насосные с электродвигателем, монтаж на фланце
        • ДБГ11-11*, ДВГ11-11* - Агрегаты насосные без электродвигателя
        • ДБГ11-2*(А) - Агрегаты насосные без электродвигателя, монтаж на плите
      • Принадлежности для насосов гидравлических
        Принадлежности для насосов гидравлических
      • Насосы (помпы) для СОЖ
        Насосы (помпы) для СОЖ
        • JCB-* - Насосы (помпы) для СОЖ центробежные
        • БХ14-5* - Электронасосы для СОЖ центробежные
        • П-* - Насосы (помпы) для СОЖ центробежные
      • Насосы аксиально-поршневые
        Насосы аксиально-поршневые
        • НА*(Ф)74М - Насосы аксиально-поршневые регулируемые
        • НАПЭЛ-140/20, НАПЭСЛ-140/20 - Насосы аксиально-поршневые регулируемые
      • Насосы винтовые гидравлические
        Насосы винтовые гидравлические
        • GR (SMT16B, SMIT16B) - Насосы винтовые
      • Насосы пластинчатые (лопастные) гидравлические
        Насосы пластинчатые (лопастные) гидравлические
        • *БГ12-2*М, *БГ12-2*АМ - Пластинчатые (лопастные) насосы нерегулируемые двухпоточные
        • *Г12-3*М, *Г12-3*АМ - Пластинчатые (лопастные) насосы нерегулируемые двухпоточные
        • *Г12-5*АМ - Пластинчатые насосы регулируемые ТУ 2.053.1765-85
        • PVD - Пластинчатые насосы регулируемой производительности
        • PVE - Насосы пластинчатые с регулятором давления
        • БГ12-2*М, БГ12-2*АМ - Пластинчатые (лопастные) насосы нерегулируемые однопоточные
        • БГ12-4* - Насосы пластинчатые однопоточные
        • Г12-3*М, Г12-3*АМ - Пластинчатые (лопастные) насосы нерегулируемые однопоточные
        • НПл - Насосы пластинчатые гидравлические нерегулируемые
        • НПлР - Пластинчатые насосы регулируемые
        • С12-4М, С12-5М - Насосы пластинчатые
        • Еще
      • Насосы радиально-поршневые
        Насосы радиально-поршневые
        • 50НР, 50НС - Насосы радиально-поршневые нерегулируемые
        • Н40*Е, Н40*УР - Насосы радиально-поршневые эксцентриковые реверсивные
        • Н40*У - Насосы радиально-поршневые эксцентриковые нереверсивные
      • Насосы шестеренные гидравлические
        Насосы шестеренные гидравлические
        • 1P - Шестеренные насосы с внешним зацеплением
        • GP1, GP2, GP3 - Шестеренные насосы с внешним зацеплением
        • IGP - Шестеренные насосы с внутренним зацеплением
        • Г11-1, АГ11-1 - Шестеренные насосы
        • Г11-2*(А) - Насосы шестеренные
        • НШ - Насосы шестеренные гидравлические      
          • НШ - Насосы сдвоенные тандем
          • НШ*А (Antey) - Насосы шестеренные круглые
          • НШ*М (Master) - Насосы шестеренные плоские
    • Пневматическое оборудование
      • Пневмоглушители
        Пневмоглушители
        • 2113 - Пневмоглушители
        • 2921, 2931 - Пневмоглушители
        • 6.05 - Пневмоглушители на основе проволочной набивки
        • SEB - Пневмоглушители
      • Пневмодроссели, пневмоклапаны функциональные и логические элементы
        Пневмодроссели, пневмоклапаны функциональные и логические элементы
        • Пневматические клапаны "И", "ИЛИ"
        • Клапаны быстрого выхлопа пневматические      
          • П-КБВ - Пневмоклапаны быстрого выхлопа
        • Пневматические обратные клапаны      
          • ПО - Пневмоклапаны обратные, Ду = 4...40 мм
        • Пневмодроссели и регуляторы потока пневматические      
          • PSF, HVFF, HVFS, HVSF, HVSS - Пневмодроссели и краны цанговые и резьбовые
          • П-ДГ - Пневмодроссели с пневмоглушителем
          • П-ДК - Пневмодроссели с обратным клапаном
          • П-ДМ - Пневмодроссели с обратным клапаном
          • П-ДТ-*/10 - Пневмодроссели тормозные
        • Предохранительные клапаны пневматические      
          • П-КАП-16, П-КАП-25 - Пневмоклапаны предохранительные
        • Прочие функциональные пневматические клапаны и логические элементы      
          • 17*10, 17*20 - Клапаны плавного спуска
          • 900.18 - Таймер (пневмоклапан выдержки времени)
          • 900.18.1-* - Реле давления 3-х контактное пневмоэлектрическое, клемы с винтами
          • 900.18.1/1-* - Реле давления 3-х контактное пневмоэлектрическое, штекерные клемы
          • 900.18.8 - Регуляторы давления двухуровневые
          • П-ИД - Индикаторы давления
          • П-МК 07 - Входные вентили с обратным клапаном
          • П-МК 08 - Входные клапаны
          • П-МК 09 - Реле давления
      • Клапаны арматурные и принадлежности
        Клапаны арматурные и принадлежности
        • Катушки и принадлежности для клапанов арматурных      
          • Катушки (соленоиды) для клапанов бренда "ACL S.r.l." с арматурной трубкой d=10 мм, d=13 мм
        • Клапаны арматурные      
          • E105 - Арматурные клапаны прямого действия 2/2 нормально-закрытые (латунь)
          • E106 - Арматурные клапаны прямого действия 2/2 нормально-закрытые (латунь)
          • E107 - Арматурные клапаны с мембранным усилением 2/2 нормально-закрытые (латунь и нержавеющая сталь)
          • E108 - Арматурные клапаны с мембранным усилением 2/2 нормально-закрытые (латунь)
          • E109 - Арматурные клапаны прямого действия 2/2 нормально-закрытые (латунь)
          • E119 - Арматурные клапаны с поршневым усилением 2/2 нормально-закрытые (бронза)
          • E204 - Арматурные клапаны прямого действия 2/2 нормально-открытые (латунь)
          • E205 - Арматурные клапаны прямого действия 2/2 нормально-открытые (латунь)
          • E207 - Арматурные клапаны с мембранным усилением 2/2 нормально-открытые (латунь и нержавеющая сталь)
          • E219 - Арматурные клапаны с поршневым усилением 2/2 нормально-открытые
          • PU220 - Клапаны арматурные 2/2 нормально-закрытые с прямым электромагнитным управлением
      • Пневмораспределители
        Пневмораспределители
        • Катушки, ремкомплекты и принадлежности пневмораспределителей      
          • A8 - Соленоиды
          • G94, G93 - Соленоиды с памятью
          • H8 - Соленоиды взрывозащищённые
          • MB - Соленоиды
          • Аксессуары к миниатюрным распределителям серии 104
          • В64-14А-03-700 - Электромагнитные катушки для пневмораспределителей В64
          • Катушки электромагнитные (соленоиды) для пневмораспределителей П-РЭ 3/2,5
          • Катушки электромагнитные (соленоиды) для пневмораспределителей П-ЭПР3
          • Катушки электромагнитные (соленоиды) для пневмораспределителей ПЭК 3-2,5
          • Пластина глушитель к У71-22А(24А) пневмораспределителю
          • Плиты для блочного монтажа пневмораспределителей T424
          • Плиты для блочного монтажа пневмораспределителей серии 488 и 484 "Эконом"
          • Плиты для блочного монтажа пневмораспределителей серии T488
          • Ремкомплект (комплект запасных частей) пневмораспределителей В64-*-03
          • Ремкомплект с запасными частями для пневмораспределителей 5Р2-231, 5Р2-232, 5Р2-233
          • Ремкомплект с запасными частями для пневмораспределителей У71-22А, У71-24А
          • Ремонтный комплект (ремкомплект) запасных частей для пневмораспределителей 3МП16М, 3МП25М
        • Пневмораспределители с механическим управлением      
          • *В76-2*М, *В78-2*М - Пневмораспределители c механическим управлением
          • 104 - Пневмораспределители 2/2 и 3/2, "ломающийся рычаг" с пружинным возвратом
          • 104 - Пневмораспределители 2/2 и 3/2, плунжер с пружинным возвратом
          • 104 - Пневмораспределители 2/2 и 3/2, рычаг с роликом - пружинный возврат
          • 104 - Пневмораспределители 2/2 и 3/2, рычаг с роликом - пружинный возврат (подшипник в качестве роли
          • В79-11А, В74-21А, В63-11А - Пневмораспределители
          • П-РК 3.* - Пневмораспределители трехлинейные с механическим управлением
        • Пневмораспределители с пневматическим управлением      
          • 104 - Пневмораспределители 2/2 и 3/2, пневмоуправление с пружинным возвратом
          • 3A*10 - Пневмораспределители 3/2 с односторонним пневмоуправлением
          • 3A*20 - Пневмораспределители 3/2 с двухсторонним пневмоуправлением
          • 4A*10 - Пневмораспределители 5/2 с односторонним пневмоуправлением
          • 4A*20 - Пневмораспределители 5/2 с двухсторонним пневмоуправлением
          • 4A*30 - Пневмораспределители 5/3 с двухсторонним пневмоуправлением
          • T224 Techno-Eco - Пневмораспределители с пневматическим управлением G1/4"
          • T488 - Пневмораспределители 5/2, двустороннее пневмоуправление
          • T488 - Пневмораспределители 5/3, двустороннее пневмоуправление - пружинный возврат в центр
          • В63-1*А-01, В63-2*А-01, В63-3*А-01 - Пневмораспределители с пневмоуправлением, стыковое присоединени
          • В63-1*А, В63-2*А, В63-3*А - Пневмораспределители с пневмоуправлением, резьбовое присоединение
          • П-Р13П-*/10 - Пневмораспределитель 3-х лин. c пневмоуправлением
          • П-РП-4/10 - Пневмораспределители
        • Пневмораспределители с ручным (мускульным) управлением      
          • *В71-*А - Пневмораспределители крановые
          • *В76-2*М, *В78-2*М - Пневмораспределители с ручным управлением
          • 104 - Пневмораспределители 2/2, 3/2, 5/2 и 5/3 миниатюрные под трубку 4 мм
          • 3Р-6-25*-3, 3Р-6-26*-3 - Пневмораспределители с ручным управлением 3/2, K1/4"
          • 5Р-6-25*-3, 5P-6-26*-3 - Пневмораспределители с ручным управлением 5/2, K1/4" (ТУ2-053-00224842-027-
          • 5Р-6-273-3 и 3Р-6-273-3 - Пневмопедали (пневмораспределители) по ТУ2-053-002224842-027-92
          • 5Р-6-36*-3 - Пневмораспределители с ручным управлением
          • В71-2*М-0* - Пневмораспределители крановые, 4/3, резьбовое присоединение
          • КРу 16.* - Пневмораспределители крановые
          • П-РК 3.* - Пневмораспределители трехлинейные с ручным управлением
        • Пневмораспределители с электромагнитным управлением      
          • 101*.* - Пневмораспределители
          • 2V025, 2V130, 2V250 - Пневмораспределители 2/2 с прямым электромагнитным управлением
          • 305.М1, 355.М1 - Пневмораспределители для батарейного монтажа
          • 3V*10 - Пневмораспределители 3/2 с односторонним электропневматическим управлением
          • 3V*20 - Пневмораспределители 3/2 с двухсторонним электропневматическим управлением
          • 3V1 - Пневмораспределители 3/2 с прямым электромагнитным управлением
          • 3МП - Пневмораспределители 3-линейные сдвоенные с пневматической блокировкой
          • 412/2 - Пневмораспределители с электропневматическим управлением, G1/2"
          • 468, 468/1 - Пневмораспределители с электропневматическим управлением, G1/8"
          • 488, 484 "Эконом" - Пневмораспределители с электропневматическим управлением, G1/8" и G1/4"
          • 4V*10 - Пневмораспределители 5/2 с односторонним электропневматическим управлением
          • 4V*20 - Пневмораспределители 5/2 с двухсторонним электропневматическим управлением
          • 4V*30 - Пневмораспределители 5/3 с двухсторонним электропневматическим управлением
          • 5Р-*-232, 5Р-*-233, 3Р-*-233 - Пневмораспределители
          • 5Р2-231, 5Р2-233 - Пневмораспределители
          • 5Р2-232, 5Р2-331 - Пневмораспределители (ГОСТ 21251-85)
          • 5Р4 - Пневмораспределители (ГОСТ 21251-85)
          • 5РМ-233-72, 5РМ-233-73 - Пневмораспределители
          • 5РМ-6 - Пневмораспределители Ду=6 мм со стыковой поверхностью по стандарту ISO 5599/1, размер 1
          • 824.52.*, 824.53.* - Пневмораспределители
          • 8880.*, 8884.* - Пневмораспределители
          • EVT317 - Пневмораспределители
          • T424 Techno-Eco - Пневмораспределители с электропневматическим управлением, G1/4"
          • T488 "СуперЭконом" - Пневмораспределители с электропневматическим управлением, G1/8"
          • В64-1*А-03 - Пневмораспределители с двухсторонним электроуправлением, резьбовое присоединение
          • В64-1*А-05 - Пневмораспределители с двухсторонним электроуправлением, стыковое присоединение
          • В64-2*А-03, В64-3*А-03 - Пневмораспределители с двухсторонним электроуправлением, резьбовое присоеди
          • В64-2*А-05, В64-3*А-05 - Пневмораспределители с односторонним электроуправлением, стыковое присоедин
          • КЭП-16-1 - Клапан пневматический
          • П-Р13Э-*/10 - Пневмораспределитель трехлинейный c электромагнитным управлением
          • П-РЭ-2/16 - Пневмораспределители
          • П-РЭ-3/2,5 - Пневмораспределители
          • П-ЭПР3 - Пневмораспределители
          • ПЭК-3-2,5 - Пневмораспределители
          • РЭП-1, РЭП-2 - Пневмораспределители трехлинейные и четырехлинейные клапанные
          • У71-2*А - Пневмораспределители 3-линейные сдвоенные с пневматической блокировкой
      • Пневмоцилиндры
        Пневмоцилиндры
        • Компактные пневмоцилиндры      
          • 31M, 31F, 31R - Пневмоцилиндры компактные
        • Миницилиндры пневматические      
          • 1280 - Минипневмоцилиндры по стандарту ISO 6432
        • Принадлежности для пневмоцилиндров      
          • Датчики положения
          • Элементы крепления и запчасти для компактных цилиндров
          • Элементы крепления и запчасти для миницилиндров
          • Элементы крепления и запчасти для стандартных пневмоцилиндров
        • Специальные пневмоцилиндры      
          • ПЦВБ, ПЦВСБ - Цилиндры пневматические вращающиеся одинарные и сдвоенные
        • Стандартные пневмоцилиндры      
          • Пневмоцилиндры Camozzi серии 40 двухстороннего действия по ISO 6431
          • Пневмоцилиндры Camozzi серии 41 двухстороннего действия по ISO 6431
          • Пневмоцилиндры Camozzi серии 60 двухстороннего действия по ISO 15552
          • Пневмоцилиндры Camozzi серии 61 двухстороннего действия по ISO 15552
          • Пневмоцилиндры Pneumax серии 1386, 1387, 1388 по ISO 15552
          • Пневмоцилиндры Pneumax серии 1391 по ISO 15552
          • Пневмоцилиндры двухстороннего действия по ГОСТ 15608-81
          • ПЦ*1 - Пневмоцилиндры одно- и двухстороннего действия по ISO 6431
      • Подготовка воздуха
        Подготовка воздуха
        • Блоки подготовки воздуха      
          • 17*30 - Клапаны ручные отсечные
          • БК - Блоки подготовки (кондиционирования) воздуха
          • БК-А - Блоки подготовки (кондиционирования) воздуха с крановым пневмораспределителем
          • БК-М - Блоки кондиционирования (подготовки) сжатого воздуха
          • БК-Р - Блоки подготовки (кондиционирования) воздуха с реле давления
          • П-Б-16.21, П-Б-16.31 - Блоки кондиционирования (подготовки) сжатого воздуха
          • П-БК - Блоки кондиционирования (подготовки) сжатого воздуха по ТУ-2-053-0224842-019-90
          • П-ППВМ-10, П-ППВМ-16 - Устройства очистки и подготовки сжатого воздуха
          • ПБУ1, ПБУ2, ПБУ3 - Пневмоблоки управления
          • ПБУ7 - Блок управления пневматический
          • ПБУ9.1, ПБУ9.2 - Пневмоблоки управления
        • Фильтры-влагоотделители, осушители воздуха      
          • 17*01 - Фильтры-влагоотделители
          • 17*08 - Фильтры коалисцентные
          • 1740 - Фильтры-влагоотделители динамические, присоединение G1", автоматический отвод конденсата
          • П-МК 01 - Фильтры-влагоотделители
          • П-МК 02 - Фильтры-осушители
          • П-МК 03 - Фильтр тонкой очистки
          • П-МК 11 - Осушители сжатого воздуха
          • П-ФВ - Фильтры-влагоотделители
        • Пневмоклапаны редукционные, регуляторы давления воздушные      
          • 17*02 - Регуляторы давления воздуха
          • 17022, 17122, 17129 - Регуляторы давления со встроенным манометром, типоразмер 1, присоединение G1/8
          • MX - Регуляторы давления воздуха
          • П-КРМ - Пневмоклапаны редукционные
          • П-МК 05 - Пневмоклапаны редукционные
          • П-РК - Пневмоклапаны редукционные
        • Маслораспылители      
          • 17*03 - Маслораспылители
          • П-М - Маслораспылители (лубрикаторы)
          • П-МК 06 - Маслораспылители
        • Принадлежности, элементы крепления и аксессуары для подготовки воздуха      
          • Конденсатоотводчики
          • Фильтропатроны
          • Элементы крепления и запчасти
        • Усилители давления      
          • 1740, 1763, 17100 - Усилители давления
        • Фильтры-регуляторы пневматические      
          • 17*04 - Фильтры-регуляторы давления
          • T17*BE - Фильтры-регуляторы
          • П-МК 04 - Фильтры-регуляторы
          • П-ФРК - Блоки подготовки воздуха (фильтры-регуляторы)
          • ФСДВ - Фильтр-стабилизатор давления воздуха
      • Пневматические трубки (пневмотрубки)
        Пневматические трубки (пневмотрубки)
        • PA - Трубки пневматические полиамидные (рилсан)
        • PU - Трубки пневматические полиуретановые
        • PE - Трубки пневматические полиэтиленовые
        • Пистолеты обдувочные, резаки и прочие принадлежности для пневмотрубок      
          • PA - Обдувочные пистолеты
        • Специальные трубки пневматические
        • Спиральные трубки пневматические
      • Фитинги пневматические
        Фитинги пневматические
        • Быстроразъемные соединения (БРС) пневматические      
          • Быстрофиксируемые муфты, присоединения G1/4" - G1/2"
        • Фитинги для тормозных систем
        • Фитинги ниппельные
        • Фитинги обжимные      
          • Универсальные обжимные фитинги Pneumax серии "200", присоединения G1/8"-G1/2", трубки от 4 мм до 18
        • Фитинги резьбовые пневматические      
          • Пневмофитинги резьбовые (футорки, ниппели, муфты, заглушки)
          • Соединительные резьбовые фитинги Pneumax серии "100", резьбы от М5 до G1"
        • Фитинги с накидной гайкой      
          • Фитинги с накидной гайкой Pneumax серии "300"
        • Фитинги цанговые пневматические      
          • Фитинги цанговые и резьбовые пневматические JXPC
          • Цанговые фитинги Pneumax серии "RAP" и "Tecno-RAP", резьбы M3 - G1/2", трубки 2-14 мм
    • РТИ
      • Грязесъемники ГОСТ 24811-81
        Грязесъемники ГОСТ 24811-81
      • Кольца МУВП, втулки МУВП по ТУ 2500-37600152106-94
        Кольца МУВП, втулки МУВП по ТУ 2500-37600152106-94
      • Кольца уплотнительные круглого сечения ГОСТ 9833-73 (ГОСТ 18829-73)
        Кольца уплотнительные круглого сечения ГОСТ 9833-73 (ГОСТ 18829-73)
      • Манжеты армированные, сальники ГОСТ 8752-79
        Манжеты армированные, сальники ГОСТ 8752-79
      • Манжеты пневматические ГОСТ 6678-72
        Манжеты пневматические ГОСТ 6678-72
      • Манжеты шевронные ГОСТ 22704-77
        Манжеты шевронные ГОСТ 22704-77
      • Прочие РТИ
        Прочие РТИ
      • Манжеты гидравлические воротниковые ГОСТ 6969-54 (ТУ 381051725-86)
        Манжеты гидравлические воротниковые ГОСТ 6969-54 (ТУ 381051725-86)
      • Манжеты ГОСТ 14896-84 резиновые (полиуретановые) для гидравлических устройств
        Манжеты ГОСТ 14896-84 резиновые (полиуретановые) для гидравлических устройств
    • Системы смазки
      • Дроссели смазочные и указатели потока
        Дроссели смазочные и указатели потока
        • ДР - Смазочные дроссели по ТУ 24.00.10.016-88
        • ДРЖ - Смазочные дроссели
        • УП - Указатели потока жидкости
      • Насосы для заправки пластичной смазки
        Насосы для заправки пластичной смазки
        • НПГ-М - Насосы ручные перекачные
      • Системы двухлинейного действия
        Системы двухлинейного действия
        • Питатели для систем двухлинейного действия      
          • 2-0200, 2-0500, 2-1000, 2-2500 - Питатели двухлинейные
          • DLDD - Двухлинейные питатели густой смазки
        • Станции насосные двухлинейного действия      
          • Z2 - Станция насосная двухлинейного действия для пластичной смазки
      • Системы дроссельного действия
        Системы дроссельного действия
        • Питатели для систем дроссельного действия      
          • DPT - Питатели дроссельные
          • БДИ - Блоки дроссельные смазочные
        • Принадлежности для систем дроссельного действия
        • Станции насосные дроссельного действия      
          • CMV-15N - Станции смазочные для жидкой смазки
          • PM - Станции смазочные с ручным приводом
      • Системы импульсного действия
        Системы импульсного действия
        • Питатели для систем импульсного действия      
          • Импульсные питатели ILCOMATIC-3
          • Питатели смазочные импульсные ТУ2.053.022 5228.024-90
        • Принадлежности для систем импульсного действия      
          • PS-7, PS-18 - Насосы плунжерные для смазочных систем мобильной техники
          • Таймеры управления подачей смазки для станций смазочных CME
        • Станции насосные импульсного действия      
          • CME - Станции смазочные импульсного действия для жидкой и полужидкой смазки
          • MPT-200, МРТ-500 - Станции смазочные импульсные для жидкой и полужидкой смазки
          • PRD-13, PRDG-13 - Ручные насосы для жидкой и полужидкой смазки
          • И-СЭ - Станции смазочные импульсного действия
          • С48-1*М - Станции смазочные импульсного действия
      • Системы микросмазки
        Системы микросмазки
        • Принадлежности для систем микросмазки
        • Распылители для систем микросмазки
        • Станции микросмазки      
          • MINI-GF - Станции микросмазки
      • Системы последовательного действия
        Системы последовательного действия
        • Питатели для систем последовательного действия      
          • М, МГ, МХ, МИ, МО - Питатели смазочные последовательные
          • М, МО, 1М, МК - Питатели последовательные смазочные
          • МГО, МГК - Питатели последовательные смазочные
          • МИ, МИМ, МИК, МИО - Питатели последовательные смазочные
          • МХ, МХО, 1МХ, МХК - Питатели последовательные смазочные
          • Однолинейные питатели последовательного действия
        • Принадлежности для систем последовательного действия
        • Станции насосные последовательного действия      
          • 130*; 140* - Смазочные станции модульной конструкции
          • ILC-MAX - Плунжерные насосные станции последовательного действия для масла и пластичной смазки
          • MPO - Станция смазки c 3-фазным электродвигателем для жидкой смазки
          • PEG - Плунжерные насосные станции последовательного действия для пластичной смазки
          • PMG - Ручные насосы для пластичной и полужидкой смазки
      • Соединения, фитинги, аксессуары для систем смазки
        Соединения, фитинги, аксессуары для систем смазки
        • Трубки и крепёжные элементы для систем смазки      
          • PA6, PA12 SR - Гибкие нейлоновые трубки для систем смазки
          • S-30 - Армированные гибкие пластиковые трубки для систем смазки
          • Гибкие медные трубки для систем смазки
        • Фитинги для систем смазки      
          • Цанговые фитинги для систем смазки
        • Аксессуары к системам смазки      
          • 46 - Манометры для систем смазки
          • 70.260, 70.261 - Фильтры трубного монтажа для жидкой и пластичной смазки
          • A70.0940 - Реле нижнего уровня для масла и полужидкой смазки
          • FCE - Реле расхода (потока)
          • PFL - Реле давления регулируемое
          • PMN - Реле давления регулируемое
          • МРД - Реле давления малогабаритные нерегулируемые
          • МРДР - Реле давления малогабаритные регулируемые
      • Станции смазки универсальные
        Станции смазки универсальные
        • СН5М - Станции смазочные многоотводные
      • Шприцы смазочные для пластичной смазки
        Шприцы смазочные для пластичной смазки
        • ШРГ - Шприцы ручные густой смазки
    • Фильтры гидравлические
      • Индикаторы засоренности для гидравлических фильтров
        Индикаторы засоренности для гидравлических фильтров
      • Прочие гидравлические и масляные фильтры
        Прочие гидравлические и масляные фильтры
        • CFP - Клапаны наполнения
      • Фильтроэлементы гидравлические
        Фильтроэлементы гидравлические
        • CHP - Картридж к фильтрам HMM, HPM, HPB
        • FPME - Фильтроэлементы для фильтров FPM
        • OMTI - Фильтроэлементы к фильтрам линейным
        • Элементы фильтрующие (фильтроэлементы) РЕГОТМАС
      • Фильтры воздушные и фильтры-сапуны
        Фильтры воздушные и фильтры-сапуны
        • TRM - Сапуны (фильтры воздушные)
        • TSA - Сапуны (фильтры воздушные)
        • Сапуны ОСТ2 Г45-2-86
      • Фильтры всасывающие гидравлические
        Фильтры всасывающие гидравлические
        • FSI - Всасывающие фильтры гидравлические для погружного монтажа
        • FST - Всасывающие фильтры гидравлические с герметичным фланцевым креплением
        • OMTI - Фильтры всасывающие линейные (spin-on)
        • SP, SF, SPM, SFM - Фильтры всасывающие гидравлические сетчатые
        • STR - Фильтры всасывающие гидравлические сетчатые
        • WU-* и WU-I-* - Фильтры всасывающие гидравлические
        • Фильтры всасывающие гидравлические ОСТ2 С41-2-80
      • Фильтры заливные, сливные гидравлические
        Фильтры заливные, сливные гидравлические
        • AB-1162, AB-1163 - Заливные горловины с сапуном
        • FRC - Сливные фильтры гидравлические
        • FRT-TB - Фильтры сливные гидравлические
        • MPF - Фильтры сливные полупогружные гидравлические
        • OMTI - Фильтры сливные линейные (spin-on)
        • PAF1, PAF2 - Заливные горловины с сапуном и клапаном давления
        • QUQ - Заливные горловины с сапуном
        • TA80 - Заливные горловины
        • TR - Заливные горловины с сапуном
        • TR-*/40 - Заливные горловины с сапуном
      • Сепараторы магнитные для СОЖ
        Сепараторы магнитные для СОЖ
        • СМЛ - Сепараторы магнитные
        • ФММ - Сепараторы магнитные
        • Х43-4* - Сепараторы магнитные
      • Фильтры напорные гидравлические
        Фильтры напорные гидравлические
        • FPH - Напорные фильтры для установки в магистрали
        • FPM - Фильтры напорные гидравлические
        • HMM - Напорные фильтры гидравлические
        • ФГМ - Фильтры напорные гидравлические
      • *С42-5 - Фильтры сетчатые ТУ2-053-1614-82
        *С42-5 - Фильтры сетчатые ТУ2-053-1614-82
      • Фильтры щелевые (пластинчатые) по ГОСТ 21329-75
        Фильтры щелевые (пластинчатые) по ГОСТ 21329-75
    • Электродвигатели
    Гидравлика Насосы Пневматика Системы смазки Фильтры Электродвигатели
    Оставить заявку
    Войти
    0 Сравнение
    0 Избранное
    0 Корзина
    Телефоны
    +7 (8482) 44-00-64
    Заказать звонок
    0
    0
    0
    • Кабинет
    • 0 Сравнение
    • 0 Избранное
    • 0 Корзина
    • +7 (8482) 44-00-64
      • Назад
      • Телефоны
      • +7 (8482) 44-00-64
      • Заказать звонок
    • info@Tau-Rus.com
    • г. Тольятти Офис: ул. Маршала Жукова, 35Б, оф. 205
    • Пн-Пт 08:00 - 17:00
    Главная
    Публикации
    Архив
    Клапаны последовательности ATOS HS-011/32, HS-011/100, HS-011/210 и KS-011/100, KS-011/210золотникового типа, ISO 4401 размер 06 и 10

    Клапаны последовательности ATOS HS-011/32, HS-011/100, HS-011/210 и KS-011/100, KS-011/210золотникового типа, ISO 4401 размер 06 и 10


    Гидроклапан HS-011, KS-011 | Клапаны последовательности ATOS HS-011/32 /V, HS-011/100, HS-011/210 и KS-011/100 /V, KS-011/210Гидроклапаны последовательности HS-011/***/V (сверху) и KS-011 (снизу)

    Клапаны последовательности HS-011 и KS-011 прямого действия являются направляющими гидроклапанами и используется для управления двумя и более исполнительными механизмами последовательно

    Регулирование давления осушествляется путем ослабления контргайки (4) и поворота регулировочного винта (обычная модель).
    Версия с рукояткой (5) (опция) поставляется по заказу.

    Предлагаемые компанией «ТАУРУС» клапаны поставляются в двух типоразмерах:

    HS-011 = ISO 4401 размер 06: расход до 40 л/мин, давление до 210 бар.
    KS-011 = ISO 4401 размер 10: расход до 80 л/мин, давление до 210 бар.

    Вращение по часовой стрелке увеличивает предустановленное давление.

    Модудльные гидроклапаны HS, KS предназначены для работы в гидросистемах с гидравлическим минеральным маслом или синтетической  жидкостью, обладающей похожими смазывающими характеристиками.

     1   Структура условного обозначения

    HS - 011 / 100 / V - ** - /WG  
             
    Синтетические жидкости:
    WG = водный гликоль
    PE = эфир фос форной килоты
    Номер парти
    Опции:
    /V= регулирование осуществляется рукояткой вместо винта, защищённого колпачком
    Диапазон давлений:
    Для HS   Для KS
    32 = 3 ÷ 32 бар
    100= 20 ÷ 100 бар
    210 = 50 ÷ 210 бар
      100 = 7 ÷ 100 бар
    210 = 8 ÷ 210 бар
    Конфигурация, см. раздел [ 2 ]
    011 = однолинейный, задействован канал Р, дренаж в канал Т
    Модульный клапан последовательности, размер:
    HS = 06
    KS = 10

     2   Гидравлические характеристики

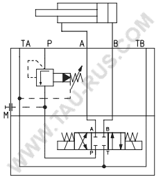
    Гидравлическая конфигурация
    HS-011Гидросхема клапанов последовательности ATOS HS-011 KS-011Гидросхема клапанов последовательности ATOS KS-011
    Модель клапана HS-011/32 HS-011/100 HS-011/210 KS-011/100 KS-011/210
    Максимальный расход л/мин 40 80
    Максимальный дренаж см³/мин 50 60
    Диапазон давлений бар 3÷ 32 20÷100 50÷210 7÷100 8÷210
    Максимально давление на входе бар 350 315
    Максимальное давление в канале Т бар 160 160

     3   Основные характеристики модульных клапанов ATOS HS, KS

    Монтажное положение Любое пространственное положение
    Характеристики стыковочной поверхности Шероховатость Ra 0.4, неплоскостность 0.01/100 (ISO 1101)
    Температура окружающей среды от -20°C до + 70°C
    Рабочая жидкость Гидравлическое масло по DIN 51524...535; по остальным жидкостям см. раздел [ 1 ]
    Рекомендуемая вязкость

    15÷100 сСт при 40ºС (ISO VG 15÷100)

    Класс чистоты рабочей жидкости ISO 19/16, достигается при тонкости фильтрации 25 мкм при рекомендуемом показателе β ≥ 75)
    Температура рабочей жидкости от -20ºС до +60ºС (стандартные и /WG уплотнения) от -20ºС до +80ºС (уплотнения /PE)

     4   Графические зависимости регулируемого давления P от расхода Q

    Графические зависимости регулируемого давления P от расхода Q для клапанов АТОС HS-011, KS-011Зависимости приведены для минерального масла ISO VG 46 при 50°C

     

     5   Размеры модульных клапанов последовательности HS-011 и KS-011

    Размеры клапанов HS-011/32 /V, HS-011/100 /V, HS-011/210 /V

    ATOS Размеры клапанов HS-011/32 /V, HS-011/100 /V, HS-011/210 /V

    ATOS Размеры клапанов HS-011/32 /V, HS-011/100 /V, HS-011/210 /V

    Монтажная поверхность
    ISO 4401-AB-03-4 размер 06

    Диаметр каналов
    A, B, P, T: Ø = 7,5 мм (макс.)
    Уплотнения: 4 OR 108

    Крепление:
    4 винта M5. Длина зависит от количества и типа установленных модульных элементов

    Масса: 2 кг


    Размеры клапанов KS-011/100 /V, KS-011/210 /V

    ATOS Размеры клапанов KS-011/100 /V, KS-011/210 /V

    ATOS Размеры клапанов KS-011/100 /V, KS-011/210 /V

    Монтажная поверхность
    ISO 4401-AC-05-4 размер 10

    Диаметр каналов
    A, B, P, T: Ø = 11,2 мм (макс.)
    Уплотнения: 5 OR 2050

    Крепление:
    4 винта M6. Длина зависит от количества и типа установленных модульных элементов.

    Масса: 3 кг

     


    Назад к списку
    • Все публикации 261
      • Архив 257
      • Обзоры товаров 3
      • Советы покупателям 1
    Интернет-магазин
    Каталог
    Бренды
    Компания
    О компании
    Сертификаты
    Реквизиты
    Новости
    Помощь
    Условия оплаты
    Условия доставки
    Гарантия на товар
    Вопрос-ответ
    Контакты
    +7 (8482) 44-00-64
    +7 (8482) 44-00-64
    Заказать звонок
    E-mail
    info@Tau-Rus.com
    Адрес
    г. Тольятти Офис: ул. Маршала Жукова, 35Б, оф. 205
    Режим работы
    Пн-Пт 08:00 - 17:00
    info@Tau-Rus.com
    г. Тольятти Офис: ул. Маршала Жукова, 35Б, оф. 205
    © ООО ПКФ «ТАУРУС», 2026
    Конфиденциальность
    Главная Каталог 0 Избранные 0 Сравнение Контакты