
Предохранительный клапан ZDB 6 VP2-42/315

Предохранительный клапан Z2DB 6 VC2-42/315V (уплотнения из FKM)
Описание гидроклапанов ZDB6 и Z2DB6
Предохранительные клапаны ZDB6 и Z2DB6 с пилотным управлением предназначены для ограничения и поддержания в гидравлической системе давления на постоянном, установленном уровне.
Переливные предохранительные клапаны ZDB-6 (Z2DB-6) с пилотным управлением относятся к модульной аппаратуре, то есть могут быть установлены с любыми другими аппаратами выполненными по стандарту CETOP3 (Ду=6 мм), при это не требуются дополнительные трубопроводы для монтажа.
Для поставки, модульные клапаны доступны в варианте для контроля одной магистрали (варианты ZDB6-VA, ZDB6-VP, ZDB6-VB), и для регулировки давления в двух линиях (Z2DB6-VD, Z2DB6-VC).
Для настройки нужного давления, в клапанах по умолчанию используется шестигранная гильза. Наибольшее распространения получили исполнения клапанов с рукояткой со шкалой или без шкалы, реже с запираемой ключом ручкой.
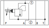
Конфигурации клапанов (гидравлические схемы):
ZDB6 VA...
|
ZDB6 VP...
|
ZDB6 VB...
|
ZDB6 VC...
|
ZDB6 VD...
|
|
Структура обозначения и технические характеристики
|
ZDB6
|
|
VP
|
-
|
1
|
|
4X
|
/
|
315
|
|
V
|
|
|
|
|
|
|
|
|
|
|
|
|
Материал уплотнения:
пропустить = минеральные масла
V = вайтон FKM (стандарт)
|
|
Диапазон регулирования давления:
50 = до 50 бар
100 = до 100 бар
|
|
200 = до 200 бар
315 = до 315 бар
|
|
|
|
Номер серии
(40-49 идентичны)
|
|
|
Регулировочный элемент
1 = поворотная рукоятка
2 = шестигранная гильза с колпачком
3 = запираемая поворотная ручка со шкалой
7 = поворотная рукоятка со шкалой
|
|
|
Рабочая (контролируемая) магистраль
VP = одиночный на магистрали P со сбросом в T
VA = одиночный на магистрали A со сбросом в T
VB = одиночный на магистрали B со сбросом в T
VC = двойной на магистралях A-B со сбросом в T
VD = двойной на магистралях A-B с перекрестными сбросами
|
|
|
ZDB 6 = Предохранительный клапан с пилотным управлением, Ду=6, модульный, на одной магистрали
Z2DB 6 =Предохранительный клапан с пилотным управлением, Ду=6, модульный, на двух магистралях
|
|
Технические характеристики клапанов ZDB6, Z2DB6
|
Максимальное рабочее давление, бар
|
315
|
|
Максимальное давление настройки, бар
|
50; 100; 200; 315
|
|
Максимальное противодавление (порт Y), бар
|
315
|
|
Максимальный объемный расход, л/мин
|
60
|
|
Диапазон окружающих температур, C
|
от -20 до +80
|
|
Диапазон температур рабочей жидкости, C
|
от -20 до +80
|
|
Рабочая жидкость
|
Рабочая жидкость на минеральной основе (HL, HLP)согласно DIN 51524; биологически быстро разлагаемая рабочая жидкость согласно VDMA 24568; HETG (рапсовое масло); HEPG (полигликоль); HEES
(синтетические эфиры)
|
Степень загрязнения рабочей
жидкости, класс чистоты согласно ISO 4406
|
класс 20/18/15
|
|
Положение при монтаже
|
любое
|
Масса, кг
Тип ZDB6
Тип Z2DB6
|
1
1,2
|
|
Устройство и принцип работы клапанов ZDB-6 и Z2DB-6
|
Устройство и принцип работы на примере клапана ZDB6 VA2 - контроль давления в линии (А), настройка давления шестигранной гильзой с колпачком.
Модульный предохранительный клапан состоит из корпуса (7), в котором размещены один (для ZDB) или два (для Z2DB) встраиваемых клапана давления, регулировка которых осуществляется при помощи регулировочного винта (4).
В исходном положении клапаны закрыты. Давление в регулируемом канале (А) давит на поршень (1) и одновременно через отверстие (2) воздействует на поршень (1) со стороны пружины. Так же давление через сопло (3), соединенное с отверстием (2), действует на конусный элемент (6) клапана, поджатым с другой стороны пружиной (5).
При превышении настроенного элементом (4) и пружиной (5) давления в канале (А) клапан (6) перемещается, сжимая пружину. При этом через сопло (3) рабочая жидкость поступает в канал (8) соединенный с сливной магистралью (Т). Так же, возникающий перепад давления перемещает поршень (1) влево и соединяет канал (А) с (Т).
|
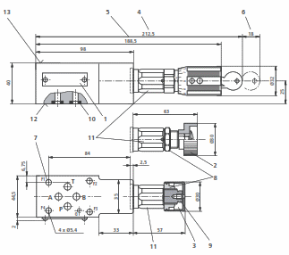
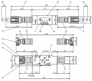
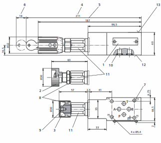
Размеры предохранительных клапанов не прямого управления ZDB6 и Z2DB6
размеры ZDB6 VA...
|
размеры Z2DB6 VС... и Z2DB6 VD...
|
размеры ZDB6 VB... и ZDB6 VP
|
Примеры обозначений предохранительных клапанов ZDB, Z2DB с пилотным управлением при заказе:
|
тип ZDB 6 VA, ZDB 6 VB
|
тип Z2DB 6 VC, Z2DB 6 VD
|
тип ZDB 6 VP
|
|
Клапан ZDB 6 VA2-4X/50V
|
Клапан Z2DB 6 VC2-4X/200V
|
Клапан ZDB 6 VP2-4X/50V
|
|
Клапан ZDB 6 VA2-4X/100V
|
Клапан Z2DB 6 VC2-4X/315V
|
Клапан ZDB 6 VP2-4X/100V
|
|
Клапан ZDB 6 VA2-4X/200V
|
Клапан Z2DB 6 VD2-4X/50V
|
Клапан ZDB 6 VP2-4X/200V
|
|
Клапан ZDB 6 VA2-4X/315V
|
Клапан Z2DB 6 VD2-4X/200V
|
Клапан ZDB 6 VP2-4X/315V
|
|
Клапан ZDB 6 VB2-4X/200V
|
Клапан Z2DB 6 VD2-4X/200V
|
Клапан ZDB 6 VP7-4X/315
|
|
Клапан ZDB 6 VB2-4X/315V
|
Клапан Z2DB 6 VD2-4X/315V
|
Клапан ZDB 6 VP7-4X/200
|
Отправьте запрос на info@tau-rus.com, чтобы получить коммерческое предложение на интересующую Вас номенклатуру. Так же вы можете узнать о наличии аналогов и цены на клапаны ZDB6, Z2DB6.