Двухпозиционные, двухлинейные или трехлинейные электромагнитные гидрораспределители DLOH и DLOK тарельчатого типа, предназначены для работы в гидравлических системах, когда необходимо отсутствие утечек.
Управление осуществляется “мокрыми” электромагнитами типа OLU (1.1) и OLK (1.2). Гидрораспределитель DLOH также возможен с опцией механического дублирования через резиновую кнопку (6), опция /WP (стандарт для DLOK).
Движущиеся детали защищены, смазаны и погружены в масло.
Стандартные размеры картриджа (4) позволяет получать широкое разнообразие конфигураций путем простой замены. Картриджи DLOH также возможны как отдельные компоненты для установки в гидроблоки, см. [10].
Они могут быть поставлены с опциональными устройствами для управлением временем переключения. Стандартные электрические/электронные разъёмы удовлетворяют требованиям современных машин к характеристикам электрических цепей.
Катушки (2) полностью герметичны (класс Н) и легко заменяются (для DLOH) без помощи инструментов. Прочное исполнение допускает применение на открытом воздухе.
Монтажная поверхность: ISO 4401 размер 06.
Максимальный расход: до 12 л/мин (DLOH) и 30 л/мин (DLOK).
Максимальное давление: 350 бар для DLOH, 315 бар для DLOK.
|
|
1. Структура условного обозначения
2. КОНФИГУРАЦИЯ РАСПРЕДЕЛИТЕЛЯ (схема распределения)
DLOH-2A
|
DLOH-2A/R
|
DLOH-2C
|
DLOH-2C/R
|
DLOK-3A
|
DLOH-3A
|
DLOH-3A/R
|
DLOH-3C
|
DLOH-3C/R
|
DLOK-3C
|
3. ОСНОВНЫЕ ХАРАКТЕРИСТИКИ РАСПРЕДЕЛИТЕЛЕЙ ТИПА DLOH, DLOK
| Монтажное положение | Любое |
| Характеристика стыковочной поверхности | Шероховатость Ra 0,4, неплоскостность 0,01/100 (ISO 1101) |
| Температура окружающей среды | от -20 до +70 °C |
| Рабочая жидкость | Гидравлическое масло по DIN 51524 .... 535; другие типы жидкостей см. раздел [1. Структура условного обозначения] |
| Рекомендуемая вязкость | 15...100 сСт при 40 °C (ISO VG 15...100) |
| Класс чистоты рабочей жидкости | ISO 19/16, достигается при тонкости фильтрации 25 мкм и рекомендуемом β ≥ 75 |
| Температура рабочей жидкости | от -20 до +60 °С (стандартные и /WG уплотнения), от -20 до +80 °С (уплотнения /PE) |
| Направление потока | Как показано на символах в таблицах [2] |
| Рабочее давление | Для DLOH: Каналы P, A, B: 350 бар; Канал Т: 160 бар |
| Для DLOK: Каналы P, A, B: 315 бар; Канал Т: 160 бар | |
| Номинальный расход | Смотрите графики Q/Δp в разделе [6] |
| Максимальный расход рабочей жидкости | 12 л/мин или 30 л/мин, см. пределы рабочих режимов в разделе [7 |
| Внутренние утечки | Менее 5 бар/мин (≤0,36 см³/мин) при макс. рабочем давлении |
3.1. Характеристики катушек
| Класс изоляции |
H (180°С) Из-за температуры на поверхностях электромагнитов, должны быть принятый в расчет Европейские стандарты EN563 и EN982 |
| Класс защиты разъёма | IP 65 |
| Продолжительность включения | 100% |
| Напряжение питания и частота | См. электрические характеристики [5] |
| Стабильность напряжения питания | ± 10% |
4. ЭЛЕКТРИЧЕСКИЕ/ЭЛЕКТРОННЫЕ РАЗЪЁМЫ ПО DIN 43650
Разъёмы должны заказываться отдельно
- SP-666 - разъём IP-65, предназначен для прямого соединения с источником электропитания
- SP-667 - как SP-666 IP-65, но со встроенным светодиодом, предназначен для прямого соединения с источником электропитания
- SP-669 - со встроенным выпрямительным мостом для питания катушек DC от переменного тока (AC 110В и 230В - Iмакс. 1A)
- E-SD/DC - электронный разъём, который устраняет электрические помехи, когда распределители выключены
- E-SR/DC - электронный разъём, который позволяет переключать распределители сигналом с низким уровнем (макс. 20 мA)
4.1. Подключение разъема
|
SP-666, SP-667 (для питания AC или DC) E-SD/DC (для питания DC)
|
SP-669 (для питания AC)
|
E-SR/DC(для питания DC)
|
|
||
5. ЭЛЕКТРИЧЕСКИЕ ХАРАКТЕРИСТИКИ
| Тип |
Номинальное напряжение питания ± 10% |
Тип разъёма | Потребляемая мощность | Код запасной катушки | Цвет ярлыка катушки | |
| DLOH | Постоянный ток | 6 DC | SP-666 или SP-667 | 33 Вт | SP-COU-6DC/ 80 | коричневый |
| 12 DC | SP-COUR-12DC /10 | зеленый | ||||
| 24 DC | SP-COUR-24DC /10 | красный | ||||
| 48 DC | SP-COU-48DC /80 | серебристый | ||||
| Переменный ток | 110/50 AC | SP-669 | 40 ВА | SP-COU-110RC /80 | золотистый | |
| 120/60 AC | 35 ВА | SP-COUR-110RC /10 | золотистый | |||
| 230/50 AC | 40 ВА | SP-COU-230RC /80 | синий | |||
| 230/60 AC | 35 ВА | SP-COUR-230RC /10 | синий | |||
| DLOK | Постоянный ток | 12 DC | SP-666 или SP-667 | 32 Вт | SP-COU-6DC/ 80 | коричневый |
| 24 DC | SP-COUR-12DC /10 | зеленый | ||||
| 110 DC | 40 Вт | - | - | |||
| 220 DC | ||||||
| Переменный ток | 110/50 AC | SP-669 | 40 ВА | |||
| 120/60 AC | 35 ВА | |||||
| 230/50 AC | 40 ВА | |||||
| 230/60 AC | 35 ВА | |||||
6. ЗАВИСИМОСТЬ Q/Δp
минеральное масло ISO VG 46 при 50°C
* Для двухлинейных распределителей падение давления будет P ⇒ T
|
|
|||||||||||||||||||||||
7. ПРЕДЕЛЫ РАБОЧИХ РЕЖИМОВ
минеральное масло ISO VG 46 при 50°C
|
A = DLOH-3A График был получен на теплых электромагнитах и при минимальном напряжении питания (Вном - 10%). |
|
8. ВРЕМЯ ПЕРЕКЛЮЧЕНИЯ
(средние значения в мс)
|
|
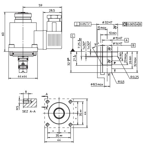
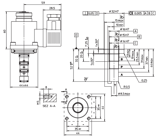
9. Размеры гидрораспределителей DLOH, DLOK
(средние значения в мс)
|
DLOH-2*
Монтажная поверхность
DLOH-3*
Монтажная поверхность
P = НАПОРНЫЙ КАНАЛ
P = НАПОРНЫЙ КАНАЛ DLOK-3*
Монтажная поверхность
P = НАПОРНЫЙ КАНАЛ |
10. ПРИСОЕДИНИТЕЛЬНЫЕ РАЗМЕРЫ КАРТРИДЖЕЙ
(картриджи могут быть установлены в гидроблоки)
LU-O2*, картридж для DLOH-2*![]() (*) для версии /WP высота увеличена на 14,5 мм |
LU-O3*, картридж для DLOH-3*![]() Отверстие B не используется в картридже типа LU-O3A Отверстие A не используется в картридже типа LU-O3C (*) для версии /WP высота увеличена на 14,5 мм |
11. МОНТАЖНЫЕ ПЛИТЫ
| Тип гидрораспредлителя | Модель плиты | Расположение каналов |
Резьба каналов A-B-P-T |
Ø Диаметр [мм] A-B-P-T |
Масса кг |
|
DLOH-2A, DLOH-2A/R, DLOH-2C DLOH-2C/R, DLOH-3A, DLOH-3A/R DLOH-3C, DLOH-3C/R, DLOK-3A, DLOK-3C |
BА-202 (1) | Каналы А, В, Р, Т снизу; | 3/8" | - | 1,2 |
| BА-204 (1) | Каналы P, T снизу; каналы A, B сбоку | 3/8" | 25,5 | 1,8 | |
| BА-302 (1) | Каналы А, В, Р, Т снизу; | 1/2" | 30 | 1,8 |



