Бренды
Компания
  • О компании
  • Сертификаты
  • Реквизиты
  • Новости
Публикации
Контакты
    info@Tau-Rus.com
    Для заявок и обратной связи
    +7 (8482) 44-00-64
    +7 (8482) 44-00-64
    Заказать звонок
    E-mail
    info@Tau-Rus.com
    Адрес
    г. Тольятти Офис: ул. Маршала Жукова, 35Б, оф. 205
    Режим работы
    Пн-Пт 08:00 - 17:00
    Заказать звонок
    Войти
    0 Сравнение
    0 Избранное
    0 Корзина
    Гидравлика
    Запчасти и оснастка к станкам, прессам и гильотинам
    Контрольно-измерительные приборы
    Гидронасосы
    Пневматическое оборудование
    РТИ
    Системы смазки
    Фильтры гидравлические
    Электродвигатели
    • Гидравлика
      • Аккумуляторы пневмогидравлические
        Аккумуляторы пневмогидравлические
        • Аккумуляторы пневмогидравлические баллонные      
          • AS, ASP - Гидроаккумуляторы балонные
          • NXQA - Гидроаккумуляторы балонные
        • Аккумуляторы пневмогидравлические мембранные      
          • AML - Гидроаккумуляторы мембранные
          • AMS - Аккумуляторы пневмогидравлические мембранные
          • MBSP - Аккумуляторы пневмогидравлические мембранные
        • Гидроаккумуляторы поршневые      
          • AP - Гидроаккумуляторы поршневые
        • Принадлежности для аккумуляторов      
          • АПГ-Б - Разделители эластичные (баллоны) для пневмогидроаккумуляторов ТУ 38.605173-92
      • Гидромоторы
        Гидромоторы
        • Г15-2*Р - Гидромоторы аксиально-поршневые
      • Гидрораспределители
        Гидрораспределители
        • Гидрораспределители модульные с альтернативным способом управления
        • Гидрораспределители модульные с пилотным электрогидравлическим управлением      
          • 1Р203 (1Р202, 2Р203, 2Р202) - Гидрораспределители с пилотным управлением CETOP 08 (Ду=20 мм)
          • 1Р323 (1Р322, 2Р323, 2Р322) - Гидрораспределители с пилотным управлением CETOP 10 (Ду=32 мм)
          • DSP7, DSC7 - Гидрораспределители с пилотным управлением CETOP 07 (Ду=16 мм)
          • ВЕХ16 - Гидрораспределители с пилотным управлением CETOP 07 (Ду=16 мм)
        • Гидрораспределители модульные с прямым электромагнитным управлением      
          • 4WE10 - Гидрораспределители с электромагнитным управлением CETOP 05 (Ду=10 мм)
          • 4WE6 - Гидрораспределители с электромагнитным управлением CETOP 03 (Ду=6 мм)
          • DL5B - Гидрораспределители с электромагнитным управлением CETOP 05 (Ду=10 мм)
          • DS3 - Гидрораспределители с электромагнитным управлением CETOP 03 (Ду=6 мм)
          • DS5 - Гидрораспределители с электромагнитным управлением CETOP 05 (Ду=10 мм)
          • MD1D - Гидрораспределители с электромагнитным управлением CETOP 03 (Ду=6 мм)
          • MDT - Гидрораспределители с электромагнитным управлением клапанного типа CETOP 03 (Ду=6 мм)
          • ВЕ10 - Гидрораспределители с электромагнитным управлением CETOP 05 (Ду=10 мм)
          • ВЕ43 - Гидрораспределители с электромагнитным управлением DIN 24340-A4 (Ду=4 мм)
          • ВЕ6 - Гидрораспределители с электромагнитным управлением CETOP 03 (Ду=6 мм)
          • ПГ73-11(М), ПГ73-12(М) - Гидрораспределители
        • Гидрораспределители модульные с ручным управлением      
          • 1Рн203, 1Рн323 - Гидрораспределители с ручным управлением CETOP 08 и 10 (Ду=20 и 32 мм)
          • DSH - Гидрораспределители с ручным управлением CETOP 03 и R05 (Ду=6 и 10 мм)
          • ВММ - Гидрораспределители с ручным управлением CETOP 03 и 05 (Ду=6 и 10 мм)
        • Принадлежности для гидрораспределителей      
          • C22S3, C20.6S3 - Электромагниты (соленоиды, катушки) для распределителей DS3
          • DIN 43650 A LED - Разъемы электрические со светодиодной индикацией
          • ECA, ECB1, ECB2, ECD, ECH - Электроразъёмы (штекеры) для гидрораспределителей
          • VC43, VC06, VC10 - Электромагниты (соленоиды, катушки) для гидрораспределителей ВЕ43, ВЕ6, ВЕ10
          • МЭГ6-2, МЭГ10-2 - Электромагниты (соленоиды, катушки) для гидрораспределителей
          • С31, C25.4 - Электромагниты (соленоиды, катушки) для распределителей DS5
        • Гидрораспределители встраиваемые, картриджные      
          • 005.5* (VEP) - Клапаны встраиваемые
          • KT08 - Встраиваемые гидрораспределители клапанного типа
        • Гидрораспределители крановые      
          • *Г73-21, *Г73-31 - Гидрораспределители крановые
          • RSAP2V, RSAP3V - Краны шаровые (гидрораспределители) для высокого давления
          • КГ3ХОЦ, КГ3ХЗЦ - Краны гидравлические
        • Гидрораспределители моноблочные       
          • *P40 - Гидрораспределители моноблочные
        • Гидрораспределители секционные
      • Гидростанции и гидропанели
        Гидростанции и гидропанели
        • СВ-М1, СВ-М5 - Гидростанции
      • Гидротолкатели и крановые тормоза
        Гидротолкатели и крановые тормоза
        • ТКГ - Тормозы колодочные крановые с гидротолкателями ТЭ
        • ТЭ - Гидротолкатели (толкатели электрогидравлические)
      • Гидроцилиндры
        Гидроцилиндры
        • FMR, FMH - Бесконтактные индуктивные датчики для гидроцилиндров HC2
        • HC2 - Гидроцилиндры по ISO 6020/2 и DIN 24554
        • HC3 - Гидроцилиндры по ISO 6020 и DIN 24333
        • MDA - Гидроцилиндры
        • MDR - Гидроцилиндры по ISO 3320 и ремкомплекты SK/MDR
        • SK/HC2 - Комплект уплотнений (ремкомплекты) для гидроцилиндров HC2
        • ЦГ - Гидроцилиндры одно- и двустороннего действия
      • Гидроклапаны давления
        Гидроклапаны давления
        • Гидроклапаны давления прочие      
          • MSD - Клапаны последовательности CETOP 03 (Ду=6 мм)
          • OWC - Клапаны подпорно-тормозные
          • OWC - Клапаны подпорно-тормозные (Ду=10 мм)
          • OWC-30 - Клапаны подпорно-тормозные
          • PBM3 - Клапаны подпорные CETOP 03 (Ду=6 мм)
          • PCK06 - Компненсаторы давления
          • PCM3 - Компенсаторы давления CETOP 03 (Ду=6 мм)
          • SD4M - Гидроклапаны последовательности CETOP 05 (Ду=10 мм)
          • МКГВ - Клапаны гидроуправляемые встраиваемые
          • МКГВ, МКОВ, МКПВ - Гидроклапаны
        • Гидроклапаны управления давлением      
          • *Г54-3 - Гидроклапаны давления
          • *Г52-1 - Гидроклапаны предохранительные с переливным золотником
          • *Г52-2 - Гидроклапаны предохранительные
          • *Г54-2 - Гидроклапаны предохранительные
          • *Г66-3*(М) - Гидроклапаны давления с обратным клапаном (трубный монтаж)
          • *ПГ57-72 - Гидроклапаны усилия зажима
          • П*Г66-3*(М) - Гидроклапаны давления с обратным клапаном (стыковой монтаж)
          • ПГ57-6* - Регуляторы давления
        • Гидроклапаны подпорные и балансировочные      
          • DZC - Гидроклапаны балансировочные
          • ZC2 - Гидроклапаны балансировочные
        • Гидроклапаны предохранительные      
          • CR - Гидроклапаны предохранительные картриджного типа, седло D-10B
          • CRQ - Гидроклапаны предохранительные картриджного типа, седло D10C
          • MCD - Гидроклапаны предохранительные CETOP 03 (Ду=6 мм)
          • MRQ - Гидроклапаны предохранительные CETOP 03 (Ду=6 мм)
          • MRV - Гидроклапаны предохранительные CETOP 03 и 05 (Ду=6 и 10 мм)
          • PRM5 - Гидроклапаны предохранительные CETOP 05 (Ду=10 мм)
          • PRM7 - Гидроклапаны предохранительные CETOP 07 (Ду=16 мм)
          • RM*-W - Гидроклапаны предохранительные перепускные
          • RQ*-P - Предохранительные клапаны CETOP R06, R08 и R10 (Ду=10, 20 и 32 мм)
          • RQ*-W - Клапаны предохранительные
          • RQ4M - Клапаны предохранительные CETOP 05 (Ду=10 мм)
          • RQA, RQR - Клапаны разгрузки
          • RQM*-P - Клапаны предохранительные CETOP R06, R08 и R10 (Ду=10, 20 и 32 мм)
          • RQM*-W - Клапаны предохранительные
          • КЕМ-102 - Гидроклапаны предохранительные модульного монтажа CETOP 05 (Ду=10 мм)
          • КПВ - Клапаны предохранительные встраиваемые
          • КПМ-6/3 - Гидроклапаны предохранительные модульного монтажа CETOP 03 (Ду=6 мм)
          • МКПВ-*/3С - Гидроклапаны предохранительные стыкового монтажа
          • МКПВ-*/3Т - Гидроклапаны предохранительные трубного монтажа
          • МКПВ-*/3Ф - Гидроклапаны предохранительные фланцевого монтажа
          • МКПВ-10/3М - Гидроклапаны предохранительные модульного монтажа CETOP 05 (Ду=10 мм)
          • МКПВ-4/3 - Гидроклапаны предохранительные модульного монтажа DIN 24340-A4 (Ду=4 мм)
          • СКП - Клапаны предохранительные для смазочных систем
        • Гидроклапаны редукционные      
          • MPRV - Гидроклапаны редукционные CETOP 03 и 05 (Ду=6 и 10 мм)
          • MZD - Клапаны редукционные CETOP 03 (Ду=6 мм)
          • Z*-P - Клапаны редукционные
          • Z4M - Клапаны редукционные CETOP 05 (Ду=10 мм)
          • КРМ-6/3 - Гидроклапаны редукционные CETOP 03 (Ду=6 мм)
          • МКРВ-*/3С - Гидроклапаны редукционные стыкового монтажа
          • МКРВ-*/3Ф, МКРВ-*/3П - Гидроклапаны редукционные встраиваемые
          • МКРВ-10/3М- Гидроклапаны редукционные модульного монтажа CETOP 05 (Ду=10 мм)
      • Гидроклапаны расхода и дроссели
        Гидроклапаны расхода и дроссели
        • Делители потока гидравлические      
          • VDF - Делители (сумматоры) потока
          • МКД, МКД-С - Делители потока
        • Дроссели гидравлические      
          • ДКМ - Гидродроссели с обратным клапаном
          • DV, DRV - Дроссели гидравлические линейные двухстороннего и одностороннего действия
          • KBMK - Гидродроссели линейные с обратным клапаном
          • MERS - Гидродроссель CETOP 03 (Ду=6 мм)
          • MK*G - Гидродроссели линейные с обратным клапаном
          • QTM5 - Гидродроссель CETOP 05 (Ду=10 мм)
          • RSN, RS - Дроссели гидравлические линейные двухстороннего и одностороннего действия
          • VRF*C - Гидродроссели линейные с обратным клапаном
          • В*-4/320, В*-4/500 - Гидровентили и краны-демпферы для манометров
          • ВВ-351, ВВ-352 - Электропневмовентили
          • ДК, ДК-С, ДР, ДР-С - Гидродроссели
          • МДВ, МДКВ - Гидродроссели встраиваемые
          • МДО - Гидродроссели путевые
        • Регуляторы расхода гидравлические      
          • RPC1 - Регуляторы расхода (дроссели)
          • RPC2, RPC3 - Регуляторы расхода (дроссели) скомпенсированные по давлению
          • VRC - Регуляторы расхода (дроссели)
          • МПГ55-1*(М) - Регуляторы расхода с предохранительным клапаном
          • МПГ55-2*(М) - Регуляторы расхода
          • МПГ55-3*(М) - Регуляторы расхода
          • ПГ77-1* - Регуляторы расхода (гидродроссели)
          • РПМ-102 - Регулятор расхода модульный CETOP 05 (Ду=10 мм)
      • Обратные гидроклапаны и гидрозамки
        Обратные гидроклапаны и гидрозамки
        • *РА, *ТА, *ПА - Гидрозамки
        • 1МКО - Гидроклапаны обратные стыкового монтажа
        • CHM5 - Гидрозамки CETOP 05 (Ду=10 мм)
        • MVPP - Гидрозамки CETOP 03 (Ду=6 мм)
        • MVR - Гидроклапаны обратные CETOP 03 (Ду=6 мм)
        • S*A-05 - Гидроклапаны обратные линейные трубного монтажа
        • VBPS - Гидрозамки трубного монтажа
        • VD*-W* - Клапаны обратные линейные трубного монтажа VD2 (VD3, VD4, VD5, VD6, VD7, VD8, VD9)-W(1, 2,
        • VR*-I - Клапаны обратные встраиваемые
        • VR*-P* - Гидроклапаны обратные стыкового монтажа
        • VR*E - Гидрозамки трубного монтажа
        • VUSF - Клапаны ИЛИ трубного монтажа
        • Г51-3* - Гидроклапаны обратные
        • ГЗ-* - Гидрозамки
        • ГЗВ - Гидрозамки встраиваемого исполнения
        • ГЗМ-*/3 - Гидрозамки модульного монтажа CETOP 03, 05, 07, 08 (Ду=6, 10, 16, 20 мм)
        • КГВ - Клапаны гидроуправляемы встраиваемые
        • КОВ - Клапаны обратные встраиваемые
        • КОЛ*3 - Гидроклапаны обратные линейные трубного монтажа
        • КОМ-6/3, КОМ-10/3 - Клапаны обратные CETOP 03 и 05 (Ду=6 и 10 мм)
        • М-*КУ, Т-*КУ - Гидрозамки стыкового и трубного монтажа
        • МКОВ-*/3Ф - Гидроклапаны обратные встраиваемые
        • ПГ51-2* - Гидроклапаны обратные
        • Еще
      • Плиты гидравлические
        Плиты гидравлические
        • Многоместные гидравлические плиты      
          • MD-03P - Плиты гидравлические многоместные CETOP 03 (Ду=6 мм) для ВЕ6
          • MD-05P - Плиты гидравлические многоместные CETOP 05 (Ду=10 мм) для ВЕ10
        • Одноместные гидравлические плиты      
          • 130350, Р202, Р323 - Плиты монтажные гидравлические CETOP 07, 08, 10 (Ду=16, 20 и 32 мм)
          • 138857, 141280, 114756.00 - Плиты монтажные гидравлические CETOP 03 и 05 (Ду=6 и 10 мм)
          • D03SP* - Плиты монтажные гидравлические CETOP 03 (Ду=6 мм) для ВЕ6
          • D05SP* - Плиты монтажные гидравлические CETOP 05 (Ду=10 мм) для ВЕ10
          • D07SP* - Плиты монтажные гидравлические CETOP 07 (Ду=16 мм) для ВЕХ16
          • PMD4 - Плита монтажная одноместная CETOP 05 (Ду=10 мм)
          • PMMD - Плиты присоединительные для гидрораспределителей CETOP 03 (Ду=6 мм)
          • PMRQ* - Плиты монтажные для клапанов CETOP R06, R08 и R10 (Ду=10, 20 и 32 мм)
          • PMSZ* - Плиты монтажные для редукционных клапанов Z3-P5* и Z5-P5* CETOP R06 и R08 (Ду=10 и 20 мм)
          • RM4*-MP - Гидравлические монтажные плиты для клапанов Ду=10 мм
        • Гидравлические плиты-заглушки и переходники (адаптеры)      
          • PC - Переходная плита с CETOP 05 (Ду=10 мм) на CETOP 03 (Ду=6 мм)
          • PE - Плиты-заглушки CETOP 03 и 05 (Ду=6 и 10 мм)
          • В*-73-* - Плиты переходные на CETOP 03, 05 и 07 (Ду=6, 10 и 16 мм)
      • Пропорциональные гидравлические клапаны
        Пропорциональные гидравлические клапаны
        • DSE3 - Гидрораспределители с электронным пропорциональным управлением CETOP 03 (Ду=6 мм)
        • QDE3, QDE5 - Регуляторы расхода с электронным пропорциональным управлением CETOP 03 и 05 (Ду=6 и 10
      • Теплообменники масляные, маслоохладители
        Теплообменники масляные, маслоохладители
        • Маслоохладители водяные      
          • МО - Маслоохладители водяные
        • Теплообменники воздушные      
          • AH - Теплообменники воздушно-масляные
          • SD - Теплообменники воздушно-масляные
          • SS - Теплообменники воздушно-масляные
          • Г44-2* - Теплообменники воздушные
      • Гидравлические фитинги, РВД, трубы
        Гидравлические фитинги, РВД, трубы
        • Рукава высокого давления (РВД)      
          • 1SN, 2SN - Гидравлические рукава высокого давления (РВД)
        • Трубы гидравлические
        • Фитинги и соединения гидравлические      
          • 1002* - Гидравлические фитинги с врезным кольцом по DIN 2353 ( 24° ), гайка обжимная и врезное кольц
          • 1003*.1 - Гидравлические фитинги прямые с цилиндрической резьбой BSP
          • 1013*.1 - Гидравлические фитинги угловые поворотные типа Banjo, уплотнение из эластомера, резьба цил
          • 1018*.1 - Гидравлические фитинги прямые с конической резьбой NPT
          • 1021*.1 - Гидравлические фитинги угловые с конической резьбой NPT
          • 1035*.1 - Гидравлические фитинги соединители трубок
          • 1036*.1 - Гидравлические фитинги соединители трубок для перегородок в сборе
      • Реле давления гидравлические
        Реле давления гидравлические
        • *Г62-11, *Г62-21(М) - Реле давления гидравлические
        • *РД(П) - Реле давления гидравлические
        • 4820 - Реле давления гидравлические поршневые
        • JCS-02 - Реле давления гидравлические поршневые
        • MAP - Реле давления поршневые гидравлические
        • PSM - Реле давления
        • PST, PSP - Реле давления гидравлические поршневые
        • TS-4 - Реле давления гидравлические поршневые
    • Запчасти и оснастка к станкам, прессам и гильотинам
      • Виброопоры и клиновые опоры
        Виброопоры и клиновые опоры
        • ОВ, ФГС - Виброопоры (виброизолирующие опоры) и фиксаторы
        • ОСТ2 Р79-1-78 - Опоры клиновые регулируемые
      • Головки воздухоподводящие
        Головки воздухоподводящие
        • ГВП - Головки воздухоподводящие
        • Ремкомплекты головок воздухоподводящих ГВП
      • Запчасти к станкам
        Запчасти к станкам
        • Диски фрикционные к токарно-винторезным станкам 1К62
      • Муфты-тормоз и запчасти
        Муфты-тормоз и запчасти
        • Запчасти для муфты-тормоз      
          • Вкладыши фрикционные
          • Диски зубчатые к муфте-тормоз УВ31
          • Диски тормозные (фрикционные) с накладками к муфте-тормоз УВ31
          • Запасные части к муфте-тормоз УВ31
          • Накладки и секторы фрикционные
          • Ремкомплекты к муфте-тормоз УВ31
          • Ремкомплекты к муфте-тормоз УД3124, УД3130
          • Ремкомплекты к тормозам многофрикционным У26, УА26, УБ26, УВ26
        • Муфты-тормоз      
          • УВ31* - Муфты-тормоз
          • УД31* - Муфты-тормоз и запчасти
      • Накладки, вкладыши, секторы фрикционные
        Накладки, вкладыши, секторы фрикционные
      • Ножи для гильотин
        Ножи для гильотин
      • Трубки гибкие для подачи СОЖ
        Трубки гибкие для подачи СОЖ
        • Трубки гибкие 1/2" для подачи СОЖ      
          • Клещи и аксессуары для трубки СОЖ 1/2"
          • Наконечники для трубки СОЖ 1/2"
          • Переходники и модульные вентили для трубки СОЖ 1/2"
          • Сегменты и комплекты трубки для подачи СОЖ 1/2"
          • Соединители и резьбовые вентили для трубки СОЖ 1/2"
        • Трубки гибкие 1/4" для подачи СОЖ      
          • Клещи и аксессуары для трубки СОЖ 1/4"
          • Наконечники для трубки СОЖ 1/4"
          • Переходники и модульные вентили для трубки СОЖ 1/4"
          • Сегменты и комплекты трубки для подачи СОЖ 1/4"
          • Соединители и резьбовые вентили для трубки СОЖ 1/4"
        • Трубки гибкие 3/4" для подачи СОЖ      
          • Клещи и аксессуары для трубки СОЖ 3/4"
          • Наконечники для трубки СОЖ 3/4"
          • Переходники и модульные вентили для трубки СОЖ 3/4"
          • Сегменты и комплекты трубки для подачи СОЖ 3/4"
          • Соединители и резьбовые вентили для трубки СОЖ 3/4"
        • Трубки гибкие 3/8" для подачи СОЖ      
          • Клещи и аксессуары для трубки СОЖ 3/8"
          • Наконечники для трубки СОЖ 3/8"
          • Переходники и модульные вентили для трубки СОЖ 3/8"
          • Сегменты и комплекты трубки для подачи СОЖ 3/8"
          • Соединители и резьбовые вентили для трубки СОЖ 3/8"
      • Уравновешиватели пневматичесие и запчасти
        Уравновешиватели пневматичесие и запчасти
        • Запчасти для уравновешивателей пневматических
        • Уравновешиватели пневматические для прессов
      • Электроаппаратура
        Электроаппаратура
        • БПМ21 - Блоки путевых микровыключателей
        • Магнитные плиты, оснастка      
          • 2С7208, 1С7208 - Плиты магнитные синусные поворотные
          • 7208 - Плиты электромагнитные мелокполюсные
          • 7208 (ГОСТ 16528-87) - Плиты магнитные
          • Плиты электромагнитные диаметром 630, 800, 1000, 1200 мм
        • МП - Микровыключатели      
          • МП1*Л - Микровыключатели
          • МП2*Л - Микровыключатели
        • Педали электрические
        • ПК12-21(Д) - Переключатели крестовые
        • ВП61, ВП63, ВП64 - Путевые выключатели
        • Электромагнитные муфты
    • Контрольно-измерительные приборы
      • Контрольно-измерительные приборы давления
        Контрольно-измерительные приборы давления
        • Вакууметры
        • Индикаторы давления      
          • ИД-1 - Индикатор давления
        • Манометры и элементы подключения      
          • Краны и переключатели манометров
          • Манометры виброустойчивые (гидрозаполненные)
          • Манометры технические
        • Реле и датчики давления      
          • 4920G2* Euroswitch - Реле давления регулируемое мембранное трёхконтактное
          • РД-4/25(М) - Реле давления
          • Реле давления по ГОСТ 26005-83
        • Сильфоны измерительные      
          • Сильфоны измерительные многослойные
          • Сильфоны измерительные однослойные
          • Сильфоны измерительные сварные стальные пластинчатые
      • Контрольно-измерительные приборы расхода
      • Контрольно-измерительные приборы температуры
      • Контрольно-измерительные приборы уровня жидкости
        Контрольно-измерительные приборы уровня жидкости
        • LG1, LG2 - Указатели уровня масла
        • LS - Указатели уровня масла с термометром
        • LT, LV - Индикаторы (указатели) уровня масла
        • YWZ - Указатели уровня масла
        • МС-1, МС-2 - Маслоуказатель
      • Прочие контрольно-измерительные приборы
        Прочие контрольно-измерительные приборы
    • Гидронасосы
      • Насосы-дозаторы (гидрорули)
      • Гидропневматические насосы (преобразователи)
        Гидропневматические насосы (преобразователи)
        • НП1, НП8 - Гидропневматические насосы
      • Насосные агрегаты
        Насосные агрегаты
        • А50НР, А50НС - Насосные агрегаты
        • БГ11-11* - Агрегаты насосные с электродвигателем, монтаж на плите
        • БГ11-2*(А) - Агрегаты насосные с электродвигателем, монтаж на плите
        • ВГ11-11* - Агрегаты насосные с электродвигателем, монтаж на фланце
        • ДБГ11-11*, ДВГ11-11* - Агрегаты насосные без электродвигателя
        • ДБГ11-2*(А) - Агрегаты насосные без электродвигателя, монтаж на плите
      • Принадлежности для насосов гидравлических
        Принадлежности для насосов гидравлических
      • Насосы (помпы) для СОЖ
        Насосы (помпы) для СОЖ
        • JCB-* - Насосы (помпы) для СОЖ центробежные
        • БХ14-5* - Электронасосы для СОЖ центробежные
        • П-* - Насосы (помпы) для СОЖ центробежные
      • Насосы аксиально-поршневые
        Насосы аксиально-поршневые
        • НА*(Ф)74М - Насосы аксиально-поршневые регулируемые
        • НАПЭЛ-140/20, НАПЭСЛ-140/20 - Насосы аксиально-поршневые регулируемые
      • Насосы винтовые гидравлические
        Насосы винтовые гидравлические
        • GR (SMT16B, SMIT16B) - Насосы винтовые
      • Насосы пластинчатые (лопастные) гидравлические
        Насосы пластинчатые (лопастные) гидравлические
        • *БГ12-2*М, *БГ12-2*АМ - Пластинчатые (лопастные) насосы нерегулируемые двухпоточные
        • *Г12-3*М, *Г12-3*АМ - Пластинчатые (лопастные) насосы нерегулируемые двухпоточные
        • *Г12-5*АМ - Пластинчатые насосы регулируемые ТУ 2.053.1765-85
        • PVD - Пластинчатые насосы регулируемой производительности
        • PVE - Насосы пластинчатые с регулятором давления
        • БГ12-2*М, БГ12-2*АМ - Пластинчатые (лопастные) насосы нерегулируемые однопоточные
        • БГ12-4* - Насосы пластинчатые однопоточные
        • Г12-3*М, Г12-3*АМ - Пластинчатые (лопастные) насосы нерегулируемые однопоточные
        • НПл - Насосы пластинчатые гидравлические нерегулируемые
        • НПлР - Пластинчатые насосы регулируемые
        • С12-4М, С12-5М - Насосы пластинчатые
        • Еще
      • Насосы радиально-поршневые
        Насосы радиально-поршневые
        • 50НР, 50НС - Насосы радиально-поршневые нерегулируемые
        • Н40*Е, Н40*УР - Насосы радиально-поршневые эксцентриковые реверсивные
        • Н40*У - Насосы радиально-поршневые эксцентриковые нереверсивные
      • Насосы шестеренные гидравлические
        Насосы шестеренные гидравлические
        • НШ - Насосы шестеренные гидравлические      
          • НШ - Насосы сдвоенные тандем
          • НШ*А (Antey) - Насосы шестеренные круглые
          • НШ*М (Master) - Насосы шестеренные плоские
        • Г11-1, АГ11-1 - Шестеренные насосы
        • Г11-2*(А) - Насосы шестеренные
        • 1P - Шестеренные насосы с внешним зацеплением
        • GP1, GP2, GP3 - Шестеренные насосы с внешним зацеплением
        • IGP - Шестеренные насосы с внутренним зацеплением
    • Пневматическое оборудование
      • Пневмоглушители
        Пневмоглушители
        • 2113 - Пневмоглушители
        • 2921, 2931 - Пневмоглушители
        • 6.05 - Пневмоглушители на основе проволочной набивки
        • SEB - Пневмоглушители
      • Пневмодроссели, пневмоклапаны функциональные и логические элементы
        Пневмодроссели, пневмоклапаны функциональные и логические элементы
        • Пневматические клапаны "И", "ИЛИ"
        • Клапаны быстрого выхлопа пневматические      
          • П-КБВ - Пневмоклапаны быстрого выхлопа
        • Пневматические обратные клапаны      
          • ПО - Пневмоклапаны обратные, Ду = 4...40 мм
        • Пневмодроссели и регуляторы потока пневматические      
          • PSF, HVFF, HVFS, HVSF, HVSS - Пневмодроссели и краны цанговые и резьбовые
          • П-ДГ - Пневмодроссели с пневмоглушителем
          • П-ДК - Пневмодроссели с обратным клапаном
          • П-ДМ - Пневмодроссели с обратным клапаном
          • П-ДТ-*/10 - Пневмодроссели тормозные
        • Предохранительные клапаны пневматические      
          • П-КАП-16, П-КАП-25 - Пневмоклапаны предохранительные
        • Прочие функциональные пневматические клапаны и логические элементы      
          • 17*10, 17*20 - Клапаны плавного спуска
          • 900.18 - Таймер (пневмоклапан выдержки времени)
          • 900.18.1-* - Реле давления 3-х контактное пневмоэлектрическое, клемы с винтами
          • 900.18.1/1-* - Реле давления 3-х контактное пневмоэлектрическое, штекерные клемы
          • 900.18.8 - Регуляторы давления двухуровневые
          • П-ИД - Индикаторы давления
          • П-МК 07 - Входные вентили с обратным клапаном
          • П-МК 08 - Входные клапаны
          • П-МК 09 - Реле давления
      • Клапаны арматурные и принадлежности
        Клапаны арматурные и принадлежности
        • Катушки и принадлежности для клапанов арматурных      
          • Катушки (соленоиды) для клапанов бренда "ACL S.r.l." с арматурной трубкой d=10 мм, d=13 мм
        • Клапаны арматурные      
          • E105 - Арматурные клапаны прямого действия 2/2 нормально-закрытые (латунь)
          • E106 - Арматурные клапаны прямого действия 2/2 нормально-закрытые (латунь)
          • E107 - Арматурные клапаны с мембранным усилением 2/2 нормально-закрытые (латунь и нержавеющая сталь)
          • E108 - Арматурные клапаны с мембранным усилением 2/2 нормально-закрытые (латунь)
          • E109 - Арматурные клапаны прямого действия 2/2 нормально-закрытые (латунь)
          • E119 - Арматурные клапаны с поршневым усилением 2/2 нормально-закрытые (бронза)
          • E204 - Арматурные клапаны прямого действия 2/2 нормально-открытые (латунь)
          • E205 - Арматурные клапаны прямого действия 2/2 нормально-открытые (латунь)
          • E207 - Арматурные клапаны с мембранным усилением 2/2 нормально-открытые (латунь и нержавеющая сталь)
          • E219 - Арматурные клапаны с поршневым усилением 2/2 нормально-открытые
          • PU220 - Клапаны арматурные 2/2 нормально-закрытые с прямым электромагнитным управлением
      • Пневмораспределители
        Пневмораспределители
        • Катушки, ремкомплекты и принадлежности пневмораспределителей      
          • Плиты для блочного монтажа пневмораспределителей 4V
          • A8 - Соленоиды
          • G94, G93 - Соленоиды с памятью
          • H8 - Соленоиды взрывозащищённые
          • MB - Соленоиды
          • Аксессуары к миниатюрным распределителям серии 104
          • В64-14А-03-700 - Электромагнитные катушки для пневмораспределителей В64
          • Катушки электромагнитные (соленоиды) для пневмораспределителей П-РЭ 3/2,5
          • Катушки электромагнитные (соленоиды) для пневмораспределителей П-ЭПР3
          • Катушки электромагнитные (соленоиды) для пневмораспределителей ПЭК 3-2,5
          • Пластина глушитель к У71-22А(24А) пневмораспределителю
          • Плиты для блочного монтажа пневмораспределителей T424
          • Плиты для блочного монтажа пневмораспределителей серии 488 и 484 "Эконом"
          • Плиты для блочного монтажа пневмораспределителей серии T488
          • Ремкомплект (комплект запасных частей) пневмораспределителей В64-*-03
          • Ремкомплект с запасными частями для пневмораспределителей 5Р2-231, 5Р2-232, 5Р2-233
          • Ремкомплект с запасными частями для пневмораспределителей У71-22А, У71-24А
          • Ремонтный комплект (ремкомплект) запасных частей для пневмораспределителей 3МП16М, 3МП25М
        • Пневмораспределители с механическим управлением      
          • *В76-2*М, *В78-2*М - Пневмораспределители c механическим управлением
          • 104 - Пневмораспределители 2/2 и 3/2, "ломающийся рычаг" с пружинным возвратом
          • 104 - Пневмораспределители 2/2 и 3/2, плунжер с пружинным возвратом
          • 104 - Пневмораспределители 2/2 и 3/2, рычаг с роликом - пружинный возврат
          • 104 - Пневмораспределители 2/2 и 3/2, рычаг с роликом - пружинный возврат (подшипник в качестве роли
          • В79-11А, В74-21А, В63-11А - Пневмораспределители
          • П-РК 3.* - Пневмораспределители трехлинейные с механическим управлением
        • Пневмораспределители с пневматическим управлением      
          • 104 - Пневмораспределители 2/2 и 3/2, пневмоуправление с пружинным возвратом
          • 3A*10 - Пневмораспределители 3/2 с односторонним пневмоуправлением
          • 3A*20 - Пневмораспределители 3/2 с двухсторонним пневмоуправлением
          • 4A*10 - Пневмораспределители 5/2 с односторонним пневмоуправлением
          • 4A*20 - Пневмораспределители 5/2 с двухсторонним пневмоуправлением
          • 4A*30 - Пневмораспределители 5/3 с двухсторонним пневмоуправлением
          • T224 Techno-Eco - Пневмораспределители с пневматическим управлением G1/4"
          • T488 - Пневмораспределители 5/2, двустороннее пневмоуправление
          • T488 - Пневмораспределители 5/3, двустороннее пневмоуправление - пружинный возврат в центр
          • В63-1*А-01, В63-2*А-01, В63-3*А-01 - Пневмораспределители с пневмоуправлением, стыковое присоединени
          • В63-1*А, В63-2*А, В63-3*А - Пневмораспределители с пневмоуправлением, резьбовое присоединение
          • П-Р13П-*/10 - Пневмораспределитель 3-х лин. c пневмоуправлением
          • П-РП-4/10 - Пневмораспределители
        • Пневмораспределители с ручным (мускульным) управлением      
          • 4H - Пневмораспределители с ручным управлением
          • 4R - Пневмораспределители с ручным управлением
          • 4F - Пневмопедали
          • *В71-*А - Пневмораспределители крановые
          • *В76-2*М, *В78-2*М - Пневмораспределители с ручным управлением
          • 104 - Пневмораспределители 2/2, 3/2, 5/2 и 5/3 миниатюрные под трубку 4 мм
          • 3Р-6-25*-3, 3Р-6-26*-3 - Пневмораспределители с ручным управлением 3/2, K1/4"
          • 5Р-6-25*-3, 5P-6-26*-3 - Пневмораспределители с ручным управлением 5/2, K1/4" (ТУ2-053-00224842-027-
          • 5Р-6-273-3 и 3Р-6-273-3 - Пневмопедали (пневмораспределители) по ТУ2-053-002224842-027-92
          • 5Р-6-36*-3 - Пневмораспределители с ручным управлением
          • В71-2*М-0* - Пневмораспределители крановые, 4/3, резьбовое присоединение
          • КРу 16.* - Пневмораспределители крановые
          • П-РК 3.* - Пневмораспределители трехлинейные с ручным управлением
        • Пневмораспределители с электромагнитным управлением      
          • 4M - Пневмораспределители (NAMUR) с прямым электромагнитным управлением
          • 101*.* - Пневмораспределители
          • 2V025, 2V130, 2V250 - Пневмораспределители 2/2 с прямым электромагнитным управлением
          • 305.М1, 355.М1 - Пневмораспределители для батарейного монтажа
          • 3V*10 - Пневмораспределители 3/2 с односторонним электропневматическим управлением
          • 3V*20 - Пневмораспределители 3/2 с двухсторонним электропневматическим управлением
          • 3V1 - Пневмораспределители 3/2 с прямым электромагнитным управлением
          • 3МП - Пневмораспределители 3-линейные сдвоенные с пневматической блокировкой
          • 412/2 - Пневмораспределители с электропневматическим управлением, G1/2"
          • 468, 468/1 - Пневмораспределители с электропневматическим управлением, G1/8"
          • 488, 484 "Эконом" - Пневмораспределители с электропневматическим управлением, G1/8" и G1/4"
          • 4V*10 - Пневмораспределители 5/2 с односторонним электропневматическим управлением
          • 4V*20 - Пневмораспределители 5/2 с двухсторонним электропневматическим управлением
          • 4V*30 - Пневмораспределители 5/3 с двухсторонним электропневматическим управлением
          • 5Р-*-232, 5Р-*-233, 3Р-*-233 - Пневмораспределители
          • 5Р2-231, 5Р2-233 - Пневмораспределители
          • 5Р2-232, 5Р2-331 - Пневмораспределители (ГОСТ 21251-85)
          • 5Р4 - Пневмораспределители (ГОСТ 21251-85)
          • 5РМ-233-72, 5РМ-233-73 - Пневмораспределители
          • 5РМ-6 - Пневмораспределители Ду=6 мм со стыковой поверхностью по стандарту ISO 5599/1, размер 1
          • 824.52.*, 824.53.* - Пневмораспределители
          • 8880.*, 8884.* - Пневмораспределители
          • EVT317 - Пневмораспределители
          • T424 Techno-Eco - Пневмораспределители с электропневматическим управлением, G1/4"
          • T488 "СуперЭконом" - Пневмораспределители с электропневматическим управлением, G1/8"
          • В64-1*А-03 - Пневмораспределители с двухсторонним электроуправлением, резьбовое присоединение
          • В64-1*А-05 - Пневмораспределители с двухсторонним электроуправлением, стыковое присоединение
          • В64-2*А-03, В64-3*А-03 - Пневмораспределители с двухсторонним электроуправлением, резьбовое присоеди
          • В64-2*А-05, В64-3*А-05 - Пневмораспределители с односторонним электроуправлением, стыковое присоедин
          • КЭП-16-1 - Клапан пневматический
          • П-Р13Э-*/10 - Пневмораспределитель трехлинейный c электромагнитным управлением
          • П-РЭ-2/16 - Пневмораспределители
          • П-РЭ-3/2,5 - Пневмораспределители
          • П-ЭПР3 - Пневмораспределители
          • ПЭК-3-2,5 - Пневмораспределители
          • РЭП-1, РЭП-2 - Пневмораспределители трехлинейные и четырехлинейные клапанные
          • У71-2*А - Пневмораспределители 3-линейные сдвоенные с пневматической блокировкой
      • Пневмоцилиндры
        Пневмоцилиндры
        • Компактные пневмоцилиндры      
          • 31M, 31F, 31R - Пневмоцилиндры компактные
        • Миницилиндры пневматические      
          • 1280 - Минипневмоцилиндры по стандарту ISO 6432
        • Принадлежности для пневмоцилиндров      
          • Датчики положения
          • Элементы крепления и запчасти для компактных цилиндров
          • Элементы крепления и запчасти для миницилиндров
          • Элементы крепления и запчасти для стандартных пневмоцилиндров
        • Специальные пневмоцилиндры      
          • ПЦВБ, ПЦВСБ - Цилиндры пневматические вращающиеся одинарные и сдвоенные
        • Стандартные пневмоцилиндры      
          • Пневмоцилиндры Camozzi серии 40 двухстороннего действия по ISO 6431
          • Пневмоцилиндры Camozzi серии 41 двухстороннего действия по ISO 6431
          • Пневмоцилиндры Camozzi серии 60 двухстороннего действия по ISO 15552
          • Пневмоцилиндры Camozzi серии 61 двухстороннего действия по ISO 15552
          • Пневмоцилиндры Pneumax серии 1386, 1387, 1388 по ISO 15552
          • Пневмоцилиндры Pneumax серии 1391 по ISO 15552
          • Пневмоцилиндры двухстороннего действия по ГОСТ 15608-81
          • ПЦ*1 - Пневмоцилиндры одно- и двухстороннего действия по ISO 6431
      • Подготовка воздуха
        Подготовка воздуха
        • Блоки подготовки воздуха      
          • 17*30 - Клапаны ручные отсечные
          • БК - Блоки подготовки (кондиционирования) воздуха
          • БК-А - Блоки подготовки (кондиционирования) воздуха с крановым пневмораспределителем
          • БК-М - Блоки кондиционирования (подготовки) сжатого воздуха
          • БК-Р - Блоки подготовки (кондиционирования) воздуха с реле давления
          • П-Б-16.21, П-Б-16.31 - Блоки кондиционирования (подготовки) сжатого воздуха
          • П-БК - Блоки кондиционирования (подготовки) сжатого воздуха по ТУ-2-053-0224842-019-90
          • П-ППВМ-10, П-ППВМ-16 - Устройства очистки и подготовки сжатого воздуха
          • ПБУ1, ПБУ2, ПБУ3 - Пневмоблоки управления
          • ПБУ7 - Блок управления пневматический
          • ПБУ9.1, ПБУ9.2 - Пневмоблоки управления
        • Фильтры-влагоотделители, осушители воздуха      
          • 17*01 - Фильтры-влагоотделители
          • 17*08 - Фильтры коалисцентные
          • 1740 - Фильтры-влагоотделители динамические, присоединение G1", автоматический отвод конденсата
          • П-МК 01 - Фильтры-влагоотделители
          • П-МК 02 - Фильтры-осушители
          • П-МК 03 - Фильтр тонкой очистки
          • П-МК 11 - Осушители сжатого воздуха
          • П-ФВ - Фильтры-влагоотделители
        • Пневмоклапаны редукционные, регуляторы давления воздушные      
          • 17*02 - Регуляторы давления воздуха
          • 17022, 17122, 17129 - Регуляторы давления со встроенным манометром, типоразмер 1, присоединение G1/8
          • MX - Регуляторы давления воздуха
          • П-КРМ - Пневмоклапаны редукционные
          • П-МК 05 - Пневмоклапаны редукционные
          • П-РК - Пневмоклапаны редукционные
        • Маслораспылители      
          • 17*03 - Маслораспылители
          • П-М - Маслораспылители (лубрикаторы)
          • П-МК 06 - Маслораспылители
        • Принадлежности, элементы крепления и аксессуары для подготовки воздуха      
          • Конденсатоотводчики
          • Фильтропатроны
          • Элементы крепления и запчасти
        • Усилители давления      
          • 1740, 1763, 17100 - Усилители давления
        • Фильтры-регуляторы пневматические      
          • 17*04 - Фильтры-регуляторы давления
          • T17*BE - Фильтры-регуляторы
          • П-МК 04 - Фильтры-регуляторы
          • П-ФРК - Блоки подготовки воздуха (фильтры-регуляторы)
          • ФСДВ - Фильтр-стабилизатор давления воздуха
      • Пневматические трубки (пневмотрубки)
        Пневматические трубки (пневмотрубки)
        • PA - Трубки пневматические полиамидные (рилсан)
        • PU - Трубки пневматические полиуретановые
        • PE - Трубки пневматические полиэтиленовые
        • Пистолеты обдувочные, резаки и прочие принадлежности для пневмотрубок      
          • PA - Обдувочные пистолеты
        • Специальные трубки пневматические
        • Спиральные трубки пневматические
      • Фитинги пневматические
        Фитинги пневматические
        • Быстроразъемные соединения (БРС) пневматические      
          • Быстрофиксируемые муфты, присоединения G1/4" - G1/2"
        • Фитинги для тормозных систем
        • Фитинги ниппельные
        • Фитинги обжимные      
          • Универсальные обжимные фитинги Pneumax серии "200", присоединения G1/8"-G1/2", трубки от 4 мм до 18
        • Фитинги резьбовые пневматические      
          • Пневмофитинги резьбовые (футорки, ниппели, муфты, заглушки)
          • Соединительные резьбовые фитинги Pneumax серии "100", резьбы от М5 до G1"
        • Фитинги с накидной гайкой      
          • Фитинги с накидной гайкой Pneumax серии "300"
        • Фитинги цанговые пневматические      
          • Фитинги цанговые и резьбовые пневматические JXPC
          • Цанговые фитинги Pneumax серии "RAP" и "Tecno-RAP", резьбы M3 - G1/2", трубки 2-14 мм
    • РТИ
      • Грязесъемники ГОСТ 24811-81
        Грязесъемники ГОСТ 24811-81
      • Кольца МУВП, втулки МУВП по ТУ 2500-37600152106-94
        Кольца МУВП, втулки МУВП по ТУ 2500-37600152106-94
      • Кольца уплотнительные круглого сечения ГОСТ 9833-73 (ГОСТ 18829-73)
        Кольца уплотнительные круглого сечения ГОСТ 9833-73 (ГОСТ 18829-73)
      • Манжеты армированные, сальники ГОСТ 8752-79
        Манжеты армированные, сальники ГОСТ 8752-79
      • Манжеты пневматические ГОСТ 6678-72
        Манжеты пневматические ГОСТ 6678-72
      • Манжеты шевронные ГОСТ 22704-77
        Манжеты шевронные ГОСТ 22704-77
      • Прочие РТИ
        Прочие РТИ
      • Манжеты гидравлические воротниковые ГОСТ 6969-54 (ТУ 381051725-86)
        Манжеты гидравлические воротниковые ГОСТ 6969-54 (ТУ 381051725-86)
      • Манжеты ГОСТ 14896-84 резиновые (полиуретановые) для гидравлических устройств
        Манжеты ГОСТ 14896-84 резиновые (полиуретановые) для гидравлических устройств
    • Системы смазки
      • Дроссели смазочные и указатели потока
        Дроссели смазочные и указатели потока
        • ДР - Смазочные дроссели по ТУ 24.00.10.016-88
        • ДРЖ - Смазочные дроссели
        • УП - Указатели потока жидкости
      • Насосы для заправки пластичной смазки
        Насосы для заправки пластичной смазки
        • НПГ-М - Насосы ручные перекачные
      • Системы двухлинейного действия
        Системы двухлинейного действия
        • Питатели для систем двухлинейного действия      
          • 2-0200, 2-0500, 2-1000, 2-2500 - Питатели двухлинейные
          • DLDD - Двухлинейные питатели густой смазки
        • Станции насосные двухлинейного действия      
          • Z2 - Станция насосная двухлинейного действия для пластичной смазки
      • Системы дроссельного действия
        Системы дроссельного действия
        • Питатели для систем дроссельного действия      
          • DPT - Питатели дроссельные
          • БДИ - Блоки дроссельные смазочные
        • Принадлежности для систем дроссельного действия
        • Станции насосные дроссельного действия      
          • CMV-15N - Станции смазочные для жидкой смазки
          • PM - Станции смазочные с ручным приводом
      • Системы импульсного действия
        Системы импульсного действия
        • Питатели для систем импульсного действия      
          • Импульсные питатели ILCOMATIC-3
          • Питатели смазочные импульсные ТУ2.053.022 5228.024-90
        • Принадлежности для систем импульсного действия      
          • PS-7, PS-18 - Насосы плунжерные для смазочных систем мобильной техники
          • Таймеры управления подачей смазки для станций смазочных CME
        • Станции насосные импульсного действия      
          • CME - Станции смазочные импульсного действия для жидкой и полужидкой смазки
          • MPT-200, МРТ-500 - Станции смазочные импульсные для жидкой и полужидкой смазки
          • PRD-13, PRDG-13 - Ручные насосы для жидкой и полужидкой смазки
          • И-СЭ - Станции смазочные импульсного действия
          • С48-1*М - Станции смазочные импульсного действия
      • Системы микросмазки
        Системы микросмазки
        • Принадлежности для систем микросмазки
        • Распылители для систем микросмазки
        • Станции микросмазки      
          • MINI-GF - Станции микросмазки
      • Системы последовательного действия
        Системы последовательного действия
        • Питатели для систем последовательного действия      
          • М, МГ, МХ, МИ, МО - Питатели смазочные последовательные
          • М, МО, 1М, МК - Питатели последовательные смазочные
          • МГО, МГК - Питатели последовательные смазочные
          • МИ, МИМ, МИК, МИО - Питатели последовательные смазочные
          • МХ, МХО, 1МХ, МХК - Питатели последовательные смазочные
          • Однолинейные питатели последовательного действия
        • Принадлежности для систем последовательного действия
        • Станции насосные последовательного действия      
          • 130*; 140* - Смазочные станции модульной конструкции
          • ILC-MAX - Плунжерные насосные станции последовательного действия для масла и пластичной смазки
          • MPO - Станция смазки c 3-фазным электродвигателем для жидкой смазки
          • PEG - Плунжерные насосные станции последовательного действия для пластичной смазки
          • PMG - Ручные насосы для пластичной и полужидкой смазки
      • Соединения, фитинги, аксессуары для систем смазки
        Соединения, фитинги, аксессуары для систем смазки
        • Трубки и крепёжные элементы для систем смазки      
          • PA6, PA12 SR - Гибкие нейлоновые трубки для систем смазки
          • S-30 - Армированные гибкие пластиковые трубки для систем смазки
          • Гибкие медные трубки для систем смазки
        • Фитинги для систем смазки      
          • Цанговые фитинги для систем смазки
        • Аксессуары к системам смазки      
          • 46 - Манометры для систем смазки
          • 70.260, 70.261 - Фильтры трубного монтажа для жидкой и пластичной смазки
          • A70.0940 - Реле нижнего уровня для масла и полужидкой смазки
          • FCE - Реле расхода (потока)
          • PFL - Реле давления регулируемое
          • PMN - Реле давления регулируемое
          • МРД - Реле давления малогабаритные нерегулируемые
          • МРДР - Реле давления малогабаритные регулируемые
      • Станции смазки универсальные
        Станции смазки универсальные
        • СН5М - Станции смазочные многоотводные
      • Шприцы смазочные для пластичной смазки
        Шприцы смазочные для пластичной смазки
        • ШРГ - Шприцы ручные густой смазки
    • Фильтры гидравлические
      • Индикаторы засоренности для гидравлических фильтров
        Индикаторы засоренности для гидравлических фильтров
      • Прочие гидравлические и масляные фильтры
        Прочие гидравлические и масляные фильтры
        • CFP - Клапаны наполнения
      • Фильтроэлементы гидравлические
        Фильтроэлементы гидравлические
        • CHP - Картридж к фильтрам HMM, HPM, HPB
        • FPME - Фильтроэлементы для фильтров FPM
        • OMTI - Фильтроэлементы к фильтрам линейным
        • Элементы фильтрующие "Р" (аналоги Реготмас)
      • Фильтры воздушные и фильтры-сапуны
        Фильтры воздушные и фильтры-сапуны
        • TRM - Сапуны (фильтры воздушные)
        • TSA - Сапуны (фильтры воздушные)
        • Сапуны ОСТ2 Г45-2-86
      • Фильтры всасывающие гидравлические
        Фильтры всасывающие гидравлические
        • FSI - Всасывающие фильтры гидравлические для погружного монтажа
        • FST - Всасывающие фильтры гидравлические с герметичным фланцевым креплением
        • OMTI - Фильтры всасывающие линейные (spin-on)
        • SP, SF, SPM, SFM - Фильтры всасывающие гидравлические сетчатые
        • STR - Фильтры всасывающие гидравлические сетчатые
        • WU-* и WU-I-* - Фильтры всасывающие гидравлические
        • Фильтры всасывающие гидравлические ОСТ2 С41-2-80
      • Фильтры заливные, сливные гидравлические
        Фильтры заливные, сливные гидравлические
        • AB-1162, AB-1163 - Заливные горловины с сапуном
        • FRC - Сливные фильтры гидравлические
        • FRT-TB - Фильтры сливные гидравлические
        • MPF - Фильтры сливные полупогружные гидравлические
        • OMTI - Фильтры сливные линейные (spin-on)
        • PAF1, PAF2 - Заливные горловины с сапуном и клапаном давления
        • QUQ - Заливные горловины с сапуном
        • TA80 - Заливные горловины
        • TR - Заливные горловины с сапуном
        • TR-*/40 - Заливные горловины с сапуном
      • Сепараторы магнитные для СОЖ
        Сепараторы магнитные для СОЖ
        • СМЛ - Сепараторы магнитные
        • ФММ - Сепараторы магнитные
        • Х43-4* - Сепараторы магнитные
      • Фильтры напорные гидравлические
        Фильтры напорные гидравлические
        • FPH - Напорные фильтры для установки в магистрали
        • FPM - Фильтры напорные гидравлические
        • HMM - Напорные фильтры гидравлические
        • ФГМ - Фильтры напорные гидравлические
      • *С42-5 - Фильтры сетчатые ТУ2-053-1614-82
        *С42-5 - Фильтры сетчатые ТУ2-053-1614-82
      • Фильтры щелевые (пластинчатые) по ГОСТ 21329-75
        Фильтры щелевые (пластинчатые) по ГОСТ 21329-75
    • Электродвигатели
    Гидравлика Насосы Пневматика Системы смазки Фильтры Электродвигатели
    Оставить заявку
    Войти
    0 Сравнение
    0 Избранное
    0 Корзина
    Телефоны
    +7 (8482) 44-00-64
    Заказать звонок
    0
    0
    0
    • Кабинет
    • 0 Сравнение
    • 0 Избранное
    • 0 Корзина
    • +7 (8482) 44-00-64
      • Назад
      • Телефоны
      • +7 (8482) 44-00-64
      • Заказать звонок
    • info@Tau-Rus.com
    • г. Тольятти Офис: ул. Маршала Жукова, 35Б, оф. 205
    • Пн-Пт 08:00 - 17:00
    Главная
    Каталог
    Гидравлика
    Гидроклапаны расхода и дроссели
    Дроссели гидравлические
    ДКМ - Гидродроссели с обратным клапаном
    ДКМ-10/3А - Гидродроссель
    ДКМ-10/3А - Гидродроссель
    ДКМ 10-3МА (1)
    ДКМ 10-3МА (2)
    ДКМ 10-3МА (3)
    ДКМ 10-3МА (4)
    ДКМ 10-3МА (5)
    ДКМ 10-3МА (6)
    ДКМ-10/3А - Гидродроссель
    ДКМ 10-3МА (1)
    ДКМ 10-3МА (2)
    ДКМ 10-3МА (3)
    ДКМ 10-3МА (4)
    ДКМ 10-3МА (5)
    ДКМ 10-3МА (6)

    ДКМ-10/3А - Гидродроссель


    Линии с дросселем: A
    Характеристики
    Условный проход, мм
    —
    10
    Номинальное давление на входе, бар
    —
    320
    Линии с дросселем
    —
    A
    Бренд
    —
    ТАУРУС
    Серия
    —
    ДКМ-10
    Все характеристики

    ДКМ-10/3А - Гидродроссель, ДУ 10 мм, номинальное давление 32 МПа, расход номинальный 6,3 л/мин., регулировка в канале А

    Подробности
    Все товары категории
    Документация
    Цена по запросу
    Заказать
    Есть в наличии
    Оформите заказ, и мы пришлём вам актуальную цену на данный товар
    Нашли дешевле?
    • Описание
    • Характеристики
    • Документы
    • Оплата
    • Доставка

    Описание гидродросселей ДКМ-10/3А

    Гидродроссель с обратным клапаном ДКМ-10/3А, с условным проходом Ду=10, номинальным давлением на входе 32 МПа обычно входит в комплекс модульной гидроаппаратуры и предназначен для создания перепада давлений между подводимым и отводимым потоками рабочей жидкости или регулирования величины расхода при прохождении потока рабочей жидкости в одном направлении и пропускании потока при прохождении его в обратном направлении в гидросистемах станков, прессов и других машин. В исполнении ДКМ-10/3МА дроссель установлен в линии А.

    Структура условного обозначения ДКМ-10/3А

    1

    2

    /

    3

    4

    5

    ДКМ

    10

    3

    А

    УХЛ4


    1 Тип устройства ДКМ = гидродроссель с обратным клапаном
    2  Условный проход 10 = 10 мм 
    3 Номинальное давление на входе 3 = 32 МПа
    4 Исполнение по конструктивно-функциональным признакам А = дроссель в линии А
    В = дроссель в линии В
    без индекса = дроссели в линиях А и В
    5 Климатическое исполнение УХЛ4

    Параметры гидродросселя ДКМ-10/3МА

    Параметр

    Значение

    Диаметр условного прохода, мм

    10

    Давление на входе, МПа: номинальное

    32

    Давление на входе, МПа: максимальное

    35

    Давление на входе, МПа: минимальное (при Qном)

    0,35

    Давление, МПа: открывания обратного клапана

    0,05

    Давление, МПа: в сливной линии, не более

    32

    Расход масла, л/мин: номинальный

    63

    Расход масла, л/мин: максимальный

    160

    Внутренние утечки при номинальном давление через полностью закрытый дроссель см³/мин:

    350

    Перепад давления, при Qном на обратном клапане, МПа

    0,35

    Перепад давления, при Qном на полностью закрытом дросселе, МПа

    0,25

    Масса, кг

    2,2

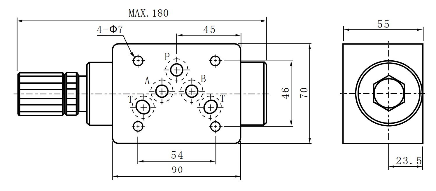
    Чертёж (размеры) гидродросселя ДКМ-10/3МА

    ДКМ-10/3A дроссель с обратным клапаном (чертёж и размеры)
    Чертёж (размеры) гидродросселя ДКМ-10/3A
    Общие параметры
    Бренд
    ТАУРУС
    Серия
    ДКМ-10
    Тип гидродросселя
    Одностороннего действия
    Тип клапана расхода
    Регулируемый дроссель
    Единица измерения
    шт
    Технические характеристики
    Максимальное давление на входе, бар
    350
    Номинальное давление на входе, бар
    320
    Стандарт присоединения
    ISO 4401 (DIN 24340)
    Регулировочное устройство
    Ручка
    Тип монтажа
    Модульный
    Условный проход, мм
    10
    Линии с дросселем
    A
    Описание ДКМ
    321,5 Кб

    Чтобы оплатить покупку в интернет-магазине достаточно добавить заинтересовавший вас товар в корзину и перейти на ее страницу. Далее останется заполнить контактную информацию и данные о доставке или возможности для самовывоза. Автоматически сформируется счет для оплаты.

    Для подтверждения заказа с вами свяжется наш менеджер.

    Подробнее о том, как оформить заказа, рассказали в разделе «Помощь».

    Также оформить заказ можно напрямую по почте info@Tau-Rus.com, наши менеджеры оперативно ответят и помогут с подбором аналогов, если это необходимо. 

    Заказ, оформленный в интернет-магазине, вы можете получить двумя способами: через самовывоз с нашего склада или посредством услуг транспортной компании (на этапе оформления заказа вы можете выбрать наиболее удобный вариант и подходящую транспортную компанию).

    Об условиях и возможностях доставки, рассказали в разделе «Помощь» - «Условия доставки».

    Другие товары этой категории

    ДКМ-6/3А - Гидродроссель
    ДКМ-6/3А - Гидродроссель
    ДКМ-6/3 - Гидродроссель
    3 219 ₽
    ДКМ-6/3 - Гидродроссель
    ДКМ-10/3В - Гидродроссель
    ДКМ-10/3В - Гидродроссель
    ДКМ-10/3 - Гидродроссель
    4 017 ₽
    ДКМ-10/3 - Гидродроссель
    ДКМ-16/3А - Гидродроссель
    ДКМ-16/3А - Гидродроссель
    ДКМ-16/3 - Гидродроссель
    13 237 ₽
    ДКМ-16/3 - Гидродроссель
    ДКМ-20/3 - Гидродроссель
    24 067 ₽
    ДКМ-20/3 - Гидродроссель
    ДКМ-6/3В - Гидродроссель
    ДКМ-6/3В - Гидродроссель
    Перейти в категорию
    Интернет-магазин
    Каталог
    Бренды
    Компания
    О компании
    Сертификаты
    Реквизиты
    Новости
    Помощь
    Условия оплаты
    Условия доставки
    Гарантия на товар
    Вопрос-ответ
    Контакты
    +7 (8482) 44-00-64
    +7 (8482) 44-00-64
    Заказать звонок
    E-mail
    info@Tau-Rus.com
    Адрес
    г. Тольятти Офис: ул. Маршала Жукова, 35Б, оф. 205
    Режим работы
    Пн-Пт 08:00 - 17:00
    info@Tau-Rus.com
    г. Тольятти Офис: ул. Маршала Жукова, 35Б, оф. 205
    © ООО ПКФ «ТАУРУС», 2026
    Конфиденциальность
    Главная Каталог 0 Избранные 0 Сравнение Контакты