Фильтр
Сначала популярные

Соленоиды H83, H8B, H8C, H8D, H8E
|
Соленоиды (катушки) взрывозащищённые H83, H8B, H8C, H8D, H8E применяются в условиях повышенного риска возгорания или взрыва. Катушки класса F по стандарту VDE0580, с изоляцией класса H (200 °C). Конструктивные особенности соленоидов H8: - электромагнитная катушка залита самогасящимся компаундом (стеклонаполненный нейлон); - металлические части защищены от окисления; - присоединение трёхпроводным кабелем (стандартная длина 3 метра); - сертификат соответствия стандарту CEI 31-8 (EN 50014) и CEI 31-13 (EN50028), ГОСТ 22782.0, ГОСТ 22782.3, маркировка взрывозащиты 1ExsIIT4. |
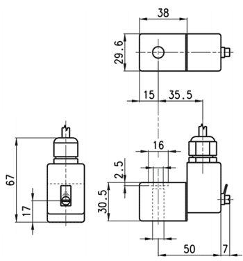
Габаритные размеры катушек H8
Основные параметры взрывозащищённых катушек серии H8
| Модель | Технические параметры | |||
| Напряжение, В | Перемен. / пост. ток | Мощность, ВА / Вт | Рабочая температура, °C | |
| Катушка H83 | 24 | Постоянный | 5,3 | -20...+40 |
| Катушка H8B | 24 | Переменный | 5,4 | |
| Катушка H8C | 48 | Переменный | 5,4 | |
| Катушка H8D | 110 | Переменный | 5,4 | |
| Катушка H8E | 230 | Переменный | 5,4 | |
Перечень электромагнитных взрывозащищённых катушек поставляемых нашей компанией (с указанием условных обозначений):
H8E, H8D, H8C, H8B, H83.

