Конструкция гидроклапанов ARAM-20/20...-I и AGAM-32.../V
Двухкаскадные предохранительные клапаны ARAM с отбалансированной тарелкой и резьбовыми каналами GAS предназначены для защиты от перегрузки, поддержания на заданном уровне давления и дистанционной разгрузки гидравлических систем станочного, кузнечно-прессового оборудования.
В стандартных версиях пилотное давление на тарелке (1) основного каскада (2) регулируется при помощи винта (3), защищённого колпачком (4) в корпусе (5). По заказу возможны версии с опциями, где регулирование осуществляется рукояткой (6) вместо винта.
Вращение по часовой стрелке увеличивает давление.
По заказу возможно исполнение с опцией безопасности /PED с опломбированным регулятором, соответствующая директиве PED (97/23/CE)
Гидроклапан ARAM может быть оснащен разгрузочным распределителем (7) (для разгрузки или для различных регулировок давления). Аналогичное управление настройками может осуществляться и через независимый канал управления.
Резьба в каналах: G 3/4”, G 1 1/4”.
Максимальный расход: 350, 500 л/мин соответственно.
Давление до 350 бар.
1 Структура условного обозначения
|
|
пример условного обозначения: Предохранительный клапан ARAM-20/10/350-IX 24DC = двухкаскадный предохранительный клапан ARAM, с присоединением напорного канала G3/4", с диапазоном настройки давления от 8 до 350 бар, и разгрузкой при выключенном электромагните пилотного клапана (гидрораспределителя DHI), питающемся от сети 24DC (постоянный ток, 24В); Предохранительный клапан ARAM-20/210/V = двухкаскадный предохранительный клапан ARAM, с присоединением напорного канала G3/4", с диапазоном настройки давления от 7 до 210 бар, и рукояткой настройки давления; Предохранительный клапан ARAM-32/21/350/210-IX 110/50/60AC = гидроклапан ARAM размер 32, с присоединением напорного канала G 1 1/4", с двумя диапазонами настройки давления (от 8 до 350 бар и от 7 до 210 бар), и разгрузкой при включенном электромагните пилотного гидрораспределителя DHI, питающемся от сети 110/50 AC (переменный ток, 110В, 50Гц); |
2 Гидравлические характеристики предохранительных клапанов ARAM
ARAM
|
ARAM-20/10, ARAM-32/10
|
ARAM-20/11, ARAM-32/11
|
ARAM-20/22, ARAM-32/22
|
|||||||||||||||||||||
ARAM-20/20, ARAM-32/20
|
ARAM-20/21, ARAM-32/21
|
ARAM-20/32, ARAM-32/32
|
||||||||||||||||||||||
|
||||||||||||||||||||||||
3 Основные характеристики предохранительных клапанов типа ARAM
| Монтажное положение/ориентация | Любое |
| Температура окружающей среды | от -20°C до + 70°C |
| Рабочая жидкость | Гидравлическое масло по DIN 51524...535; по остальным жидкостям см. раздел [ 1 ] |
| Рекомендуемая вязкость |
15÷100 сСт при 40ºС (ISO VG 15÷100) |
| Класс чистоты рабочей жидкости | ISO 19/16, достигается при тонкости фильтрации 25 мкм при рекомендуемом показателе β ≥ 75) |
| Температура рабочей жидкости | от -20ºС до +60ºС (стандартные и /WG уплотнения) от -20ºС до +80ºС (уплотнения /РЕ) |
Характеристики электромагнитных катушек
|
Параметры электрических разъемов
|
Электрические возможности для ARAM с электромагнитным клапаном
|
Тип электромагнита |
Номинальное напряжение питания ± 10% (1) |
Код напряжения |
Тип разъема |
Потребляемая мощность |
Код запасной катушки |
Цвет ярлыка катушки |
|
| OI | DC |
6 DC 12 DC 24 DC 48 DC |
6 DC 12 DC 24 DC 48 DC |
SP-666 или SP-667 |
33 Вт |
SP-COU-6DC /80 SP-COU-12DC /80 SP-COU-24DC /80 SP-COU-48DC /80 |
коричневый зеленый красный серебристый |
| AC |
110/50 AC 120/60 AC 230/50 AC 230/60 AC |
110/50/60 AC 120/60 AC 230/50/60 AC 230/60 AC |
SP-666 или SP-667 |
60 ВА (4) |
SP-COI-110/50/60AC /80 SP-COI-120/60AC /80 SP-COI-230/50/60AC /80 SP-COI-230/60AC /80 |
жёлтый белый голубой серебристый |
|
|
(1) По прочим напряжениям питания, возможных по заказу, обращайтесь с специалистам ООО "Таурус" (2) Катушка может работать также при частоте 60 Гц: в этом случае характеристики снижаются на 10 ÷ 15% и потребляемая мощность составляет 55 ВА. (3) Средние значения по данным испытаний в нормальных гидравлических условиях и температурой окружающей среды 20°C. (4) При включении электромагнита величина скачка тока в 3 раза превышает величину тока удержания. Это соответствует потребляемой мощности 150 ВА. |
|||||||
4 Опции
/E = внешнее управление
/PED = соответствие Директивам Directive 97/23/CE
/V = рукоятка вместо винта, защищённого колпачком
/WP = ручное управление от резиновой кнопки (только для ARAM с пилотным электромагнитным клапаном)
/Y = внешний дренаж (только для ARAM с пилотным электромагнитным клапаном)
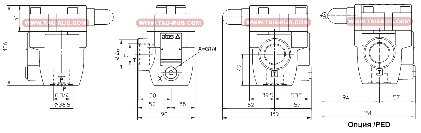
5 Размеры клапанов ARAM
Размеры гидроклапана ARAM-20/350(210, 100, 50) (без электромагнитного клапана)![]() Масса: 3,9 кг X = канал для внешнего управления Y = канал для внешнего дренажа |
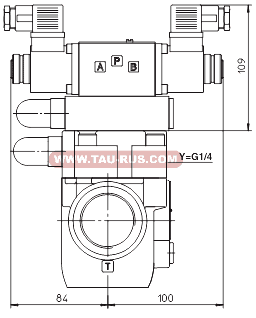
Размеры гидроклапана ARAM-20/10(11, 20, 21, 22, 32) (с разгрузочным распределителем)
![]() Клапан ARAM-20/10**-IX Клапан ARAM-20/11**-IX Масса: 5,4 кг |
![]() Клапан ARAM-20/20**-IX Клапан ARAM-20/21**-IX Масса: 7,1 кг |
![]() Клапан ARAM-20/22**-IX Масса: 6,8 кг |
![]() Клапан ARAM-20/32**-IX Масса: 7,4 кг |
Размеры гидроклапана ARAM-32/350(210, 100, 50) (без электромагнитного клапана)![]() Масса: 4,7 кг X = канал для внешнего управления Y = канал для внешнего дренажа |
Размеры гидроклапана ARAM-32/10(11, 20, 21, 22, 32) (с разгрузочным распределителем)
![]() Клапан ARAM-32/10**-IX Клапан ARAM-32/11**-IX Масса: 6,2 кг |
![]() Клапан ARAM-32/20**-IX Клапан ARAM-32/21**-IX Масса: 7,9 кг |
![]() Клапан ARAM-32/22**-IX Масса: 7,6 кг |
![]() Клапан ARAM-32/32**-IX Масса: 8,2 кг |
Перечень поставляемых клапанов ARAM:
|
Клапаны ARAM-20 (без разгрузочного распределителя) |
Клапаны ARAM-32 (без разгрузочного распределителя) |
Клапаны ARAM-20 (с разгрузочным распределителем) |
Клапаны ARAM-32 (с разгрузочным распределителем) |
||
| ARAM-20/50 | ARAM-32/50 | ARAM-20/10/210-IX 24 DC | ARAM-20/11/210-IX 48 DC | ARAM-32/10/210-IX 24 DC | ARAM-32/11/210-IX 48 DC |
| ARAM-20/100 | ARAM-32/100 | ARAM-20/10/100-IX 110/50/60 AC | ARAM-20/11/100-IX 24 DC | ARAM-32/10/100-IX 110/50/60 AC | ARAM-32/11/100-IX 24 DC |
| ARAM-20/210 | ARAM-32/210 | ARAM-20/10/350-IX 230/50/60 AC | ARAM-20/11/350-IX 110/50/60 AC | ARAM-32/10/350-IX 230/50/60 AC | ARAM-32/11/350-IX 110/50/60 AC |
| ARAM-20/350 | ARAM-32/350 | ARAM-20/10/50-IX 48 DC | ARAM-20/11/50-IX 230/50/60 AC | ARAM-32/10/50-IX 48 DC | ARAM-32/11/50-IX 230/50/60 AC |
| ARAM-20/50/V | ARAM-32/50/V | ARAM-20/20/210/100-IX 24 DC | ARAM-20/21/210/100-IX 48 DC | ARAM-32/20/210/100-IX 24 DC | ARAM-32/21/210/100-IX 48 DC |
| ARAM-20/100/V | ARAM-32/100/V | ARAM-20/20/100/50-IX 110/50/60 AC | ARAM-20/21/100/50-IX 24 DC | ARAM-32/20/100/50-IX 110/50/60 AC | ARAM-32/21/100/50-IX 24 DC |
| ARAM-20/210/V | ARAM-32/210/V | ARAM-20/20/350/210-IX 230/50/60 AC | ARAM-20/21/350/210-IX 110/50/60 AC | ARAM-32/20/350/210-IX 230/50/60 AC | ARAM-32/21/350/210-IX 110/50/60 AC |
| ARAM-20/350/V | ARAM-32/350/V | ARAM-20/20/210/210-IX 48 DC | ARAM-20/21/210/210-IX 230/50/60 AC | ARAM-32/20/210/210-IX 48 DC | ARAM-32/21/210/210-IX 230/50/60 AC |
|
Возможны другие исполнения поставляемых гидроклапанов согласно "Структуре условного обозначения" |
|||||










